TPS23881B 是一款 8 通道供电设备 (PSE) 控制器,旨在根据 IEEE 802.3bt 标准将电源插入以太网电缆。八个单独的电源通道可以配置为 2 对(1 通道)或 4 对(2 通道)PoE 端口的任意组合。PSE 控制器可以检测具有有效签名、完成相互识别并通电的受电设备 (PD)。
该TPS23881B通过减少电流检测电阻、可选自主作、SRAM 可编程性、可编程功率限制、电容测量以及与 TI 的 FirmPSE 系统固件的兼容性(参见器件比较表)改进了TPS2388。
*附件:tps23881b.pdf
可编程 SRAM 支持通过 I2C 进行现场固件升级,以确保 IEEE 合规性和与最新支持 PoE 的设备的互作性。专用的每端口 ADC 提供连续的端口电流监控,并能够执行并行分类测量,以加快端口开启时间。±2.5% 的精度可编程端口功率限制能够将最大功率从 90W 扩展到 125W 以上。200mΩ 电流检测电阻器和外部 FET 架构使设计能够平衡尺寸、效率、散热和解决方案成本要求。
特性
- IEEE 802.3bt PSE 解决方案,适用于 PoE 2 Type 3 或 Type 4 以太网供电应用
- 八个独立的 PSE 通道
- 电阻器可选自主作
- 与 TI 的 FirmPSE 系统固件兼容
- SRAM可编程存储器
- 可编程功率限制精度 ±2.5%
- 200mΩ电流检测电阻
- 传统局部放电电容测量
- 可选择的 2 对或 4 对端口功率分配
- 15.4W、30W、45W、60W、75W 或 90W
- 单签名和双签名 PD 兼容性
- 每个端口专用的 14 位积分电流 ADC
- 1 位或 3 位快速端口关断输入
- 自动分级发现和功耗测量
- 浪涌和作折返保护
- 灵活的处理器控制作模式
- 每个端口电压监控和遥测
- –40°C 至 +125°C 工作温度
参数

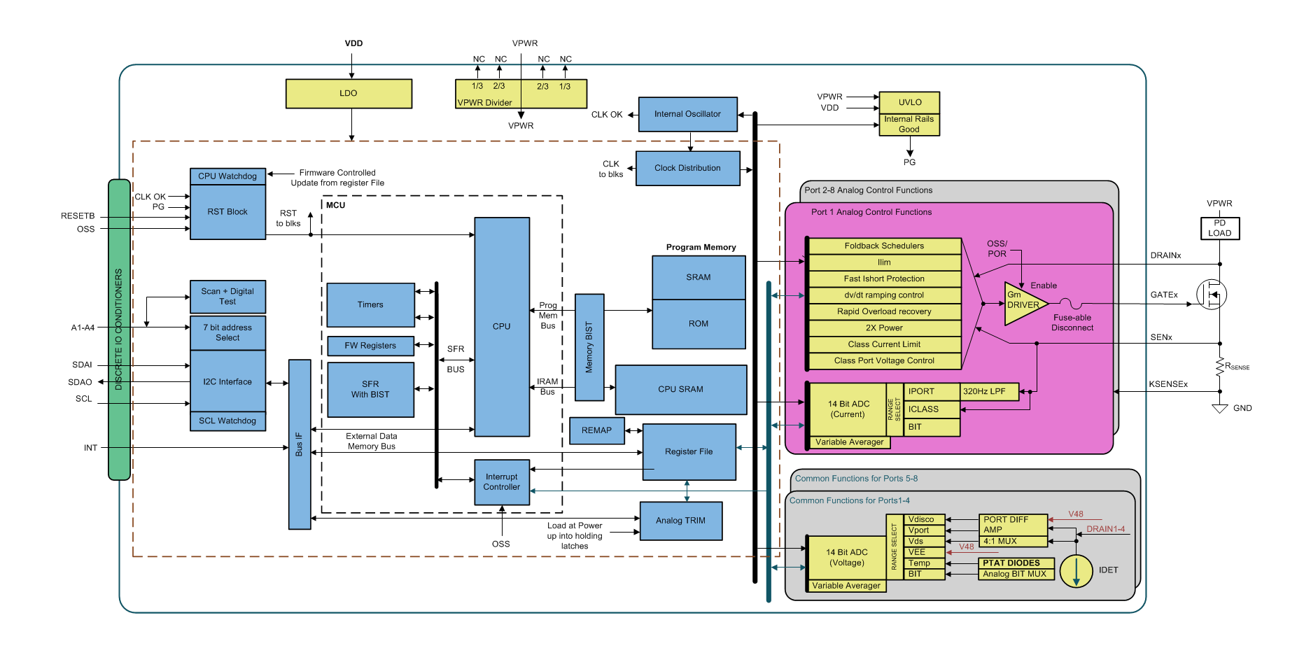
方框图

主要特性
- IEEE 802.3bt兼容:支持PoE 2 Type 3和Type 4应用
- 8个独立PSE通道:可配置为2-Pair或4-Pair PoE端口组合
- 自主操作模式:通过电阻选择,无需外部MCU
- SRAM可编程内存:支持现场固件升级
- 高精度功率限制:±2.5%可编程功率限制精度
- 200mΩ电流检测电阻:优化设计尺寸、效率和热性能
- 兼容TI FirmPSE系统固件
应用领域
- 视频录像机(NVR, DVR等)
- 小型企业交换机
- 园区和分支机构交换机
功能描述
TPS23881B是一款8通道电源设备(PSE)控制器,专为IEEE 802.3bt标准设计。主要功能包括:
- 检测具有有效签名的供电设备(PD)
- 完成相互识别并供电
- 改进的电流检测电阻、自主操作选择和SRAM可编程性
- 支持并行分类测量,加快端口开启时间
- 可编程端口功率限制,最大功率可达125W
关键增强功能
- 相比TPS2388型号,增加了:
- 降低的电流检测电阻
- 可选择的自主操作
- SRAM可编程性
- 可编程功率限制
- 电容测量能力
- 与TI FirmPSE系统固件的兼容性
技术规格
- 工作温度范围:-40°C至+125°C
- 超低Alpha(ULA)封装选项(TPS23881B1A)
- 56引脚VQFN封装(8.00mm × 8.00mm)
操作模式
- 自动模式:自动检测、分类和供电
- 自主模式:无需主机或I2C通信
- 半自动模式:需要主机命令供电
- 手动/诊断模式:用于系统诊断
- 断电模式:端口完全关闭
该控制器提供了完整的PoE解决方案,特别适合需要高功率PoE应用的设计。