TPS23731器件结合了以太网供电 (PoE) 受电设备 (PD) 接口和电流模式 DC-DC 控制器,针对支持使用初级侧调节 (PSR) 的反激式开关稳压器设计进行了优化。PoE 接口支持 IEEE 802.3bt 和 IEEE 802.3at 标准,适用于 PD 输入时需要高达 25.5 W 或更低功率的应用。
提供可编程扩频频率抖动 (SSFD),以最大限度地减少 EMI 滤波器的尺寸和成本。具有可调节软启动功能的高级启动有助于使用最小的偏置电容器,同时简化转换器启动和打嗝设计,同时确保满足 IEEE 802.3bt /at 启动要求。
*附件:tps23731.pdf
软停止功能可最大限度地减少开关同步 FET 的压力,从而降低 FET BOM 成本。
DC-DC 控制器的 PSR 功能使用来自辅助绕组的反馈来控制输出电压,无需外部并联稳压器和光耦合器。它针对连续导通模式 (CCM) 进行了优化,可与次级侧同步整流配合使用,从而在多个输出上实现最佳效率、调节精度和阶跃负载响应。
DC-DC 控制器具有斜率补偿和消隐功能。典型开关频率为 250 kHz。
自动 MPS 支持具有低功耗模式或多个电源馈电的应用。它根据 PSE 类型和系统条件自动调整其脉冲电流幅度和持续时间,以保持功率,同时最大限度地减少消耗。
特性
- 完整的 IEEE 802.3bt Type 3(1-4 类)和 802.3at PoE PD 解决方案
- EA Gen 2 徽标就绪(PoE 2 PD 控制器)
- 坚固耐用的 100V、0.3 Ω(典型值)热插拔 MOSFET
- 支持高达 30W 的工作功率水平
- 用于反激式配置的集成 PWM 控制器
- 带初级侧调节的反激式控制
- 支持 CCM作
- ±1.5%(典型值,5V 输出)负载调节(0-100% 负载范围)— 带同步 FET
- ±3%(典型值,12V 输出)负载调节(5-100% 负载范围)— 二极管整流
- 还支持二次侧调节
- 具有高级启动和打嗝模式过载保护的软启动控制
- 软停止关机
- 可调频率,同步
- 用于 EMI 的可编程频率抖动
- 自动保持电源签名 (MPS)
- 自动调整为 PSE 类型和负载电流,具有自动拉伸功能
- 主适配器优先级输入
- –40°C 至 125°C 结温范围
参数

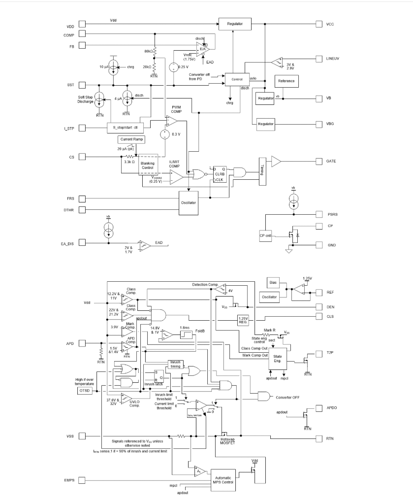
方框图

1. 产品概述
TPS23731是一款集成PoE(以太网供电)受电设备(PD)接口与高效Flyback DC-DC控制器的单芯片解决方案,支持IEEE 802.3bt Type 3(Class 1-4)和802.3at标准,适用于最高25.5W功率应用。其核心特点包括:
- PoE功能:完整PD接口,支持检测、分类(硬件Class 1-4)、浪涌电流限制及自动维持电源签名(MPS)。
- DC-DC控制器:专为Flyback拓扑优化,支持原边反馈(PSR)和同步整流,无需光耦反馈,效率高达89%。
- 关键特性:0.3Ω低阻Hotswap MOSFET、可编程频率抖动(SSFD)、软启动/软停止保护、-40°C至125°C工作温度范围。
2. 主要应用场景
- 视频电话、VoIP设备
- 无线接入点(AP)
- 安防摄像头
- 冗余电源或功率共享系统
3. 核心功能模块
- PoE接口
- 检测与分类:通过DEN(25.5kΩ电阻)和CLS(外部电阻设置Class)引脚实现IEEE标准兼容的PD识别与功率协商。
- MPS机制:自动调整脉冲电流幅度与持续时间,适配Type 1-4 PSE,确保低功耗模式下维持连接。
- 适配器优先(APD) :支持辅助电源输入优先级控制,禁用PoE时自动切换。
- DC-DC控制器
- 电流模式控制:集成斜率补偿、可调开关频率(250kHz典型值),支持同步整流CCM模式。
- 原边反馈(PSR) :通过辅助绕组反馈电压,省去光耦和次级稳压电路。
- 保护功能:过流保护、热关断(OTSD)、输入欠压锁定(UVLO)及软停止(能量回馈至输入电容)。
4. 设计支持与布局建议
- EMI优化:频率抖动(SSFD)降低传导干扰,推荐11kHz调制频率。
- 热管理:需将PAD_S(VSS)和PAD_G(RTN)焊盘连接大面积铜箔散热。
- 关键外围电路:输入TVS保护(SMAJ58A)、0.1μF输入旁路电容、精确设置RDEN/RCLS电阻。
5. 封装与订购信息
- 封装:45引脚VQFN(7mm×5mm),带裸露焊盘。
- 工作温度:-40°C至125°C。
- 型号示例:TPS23731RMTR(卷带包装,3000片/卷)。