时间:2023-07-12 16:02
人气:
作者:admin
Boost升压电路开环问题:
我们已经实现了开环的BOOST升压电路的仿真,其仿真电路图如下:

我们在输入电压为100V时,输出电压可以200V输出,但是实际应用中我们的输入端不可能是稳定的直流电压,因此当输入电压不是100V时,我们假定输入为80V,其开环电路仿真结果如下:

根据仿真结果,我们可以看出输出电压大概为160V左右,无法以200V稳定输出。因此,为了解决这个问题我们采用闭环控制。
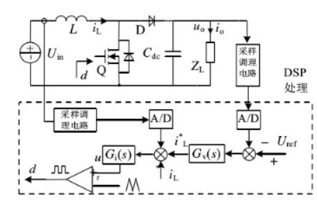
电路的闭环电路建模:

这里我们采用模拟仿真,因此不必考虑A/D转换。电压采样增益Kv=1/200,电流采样增益Ki=1。因此我们开始基于平均状态法对电路进行建模分析:
电流环设计:根据平均状态法可知:



整理得:

故,其电流环流程框图如下:

根据上面的流程图和公式可以看出,输出电流除了控制量以外,还受到输入电压与输出电压的扰动,我们可以采用忽略法也可以使用前馈补偿。这里我们采用忽略法。
因此,流程图可化简为如下所示:
根据上图我们可以写出该开环传递函数:

电流内环要求反应速度较快,因此我们设计时要求开环穿越频率为开关频率的1/10~1/2,我们选择中间值1/5。也就是4k。PID tuning是通过使用matlab的功能模块找到PID控制器的比例、积分和微分增益值的过程,以实现预期性能并满足设计要求。可以对Simulink模型中的PID控制器,离散PID控制器,两自由度PID控制器,两自由度离散PID控制器进行调参,实现控制性能和健壮性的良好平衡。使用PI补偿器之后的bode图如下:


我们根据伯德图可以看出,此时符合要求。此时的PI控制器参数如下:

电压环设计:
电流环我们已经设计过了,我们在设计电压外环的时候我们假设电流环的输出为理想值。此时我们可以简化电压环的流程框图如下:

由上图我们可以看出电压外环的开环传递函数(由于仿真时没有使用一阶滤波器,因此我们这里忽略一阶滤波器)如下:

电压外环的设计要求是需要带宽在远远小于100Hz。大概在10到20之间最好,因此我们选择中间值15Hz。因此,PI控制器的参数设置如下图所示:

其中加入控制器后的bode图如下所示:

根据bode图我们可以看出,这是符合设计要求的。其中电压外环的设计参数如下:

实验结果:
电路加上闭环控制后的电路图如下:

当输入电压为100V时,输出电压波形图如下:

当输入电压为80V时,输出电压波形:

当输入电压为80V时,输出电压波形:

**总结:**本根据上面的仿真我们可以看到无论输入电压如何变化输出电压都能稳定在200V输出,其实负载变化时输出电压也能一直稳定在200V。
下一篇:三相逆变电路扇区的分类与选择