时间:2023-04-02 16:58
人气:
作者:admin
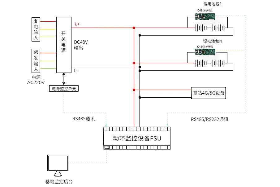
5G是新型基础设施建设的重要内容,在稳投资、促消费、培育新动能等方面潜力巨大。工信部数据显示,截至2022年底,我国累计建成开通的5G基站数量达231万个。随着5G基站的爆发性建设,对通信用磷酸铁锂储能电池需求也将大幅增长,同时极大推动了BMS(电池管理系统)的需求。
BMS(电池管理系统)是电池储能系统的核心子系统之一,负责监控电池储能单元内各电池运行状态,保障储能单元安全可靠运行。高效的BMS解决方案对于推动储能系统的高质量发展具有重要积极意义。

芯昇科技有限公司是中国移动旗下专业芯片公司。在集团公司战略指导下,针对通信基站应用场景的磷酸铁锂电池BMS需求,中移芯昇科技参照《中国移动通信用磷酸铁锂电池产品技术规范书》,基于自研RISC-V内核大容量低功耗MCU芯片CM32M433R与主流AFE芯片进行BMS解决方案开发,目前已完成多家电池厂家测试,并实现商用。
中移芯昇科技通信基站BMS解决方案特点
XINSHENG
CM32M433R系列MCU
XINSHENG
CM32M433R系列芯片采用 32 bit RISC-V N308内核,最高工作主频144MHz,支持浮点运算和DSP指令,集成多达512KB Flash、144KB SRAM、4x12bit 5Msps ADC、4xOPAMP、7xCOMP、2x1Msps 12bitDAC,支持多达24通道电容式触摸按键,集成多路U(S)ART、I2C、SPI、QSPI、CAN通信接口,内置密码算法硬件加速引擎2.0B,支持多种国际及国密算法硬件加速。
后续,中移芯昇科技将持续提升BMS技术性能,丰富更多MCU芯片应用场景,为合作伙伴提供科技助力。