GUI Guider全新优化方案GUI xTurbo-VeloRender初体验:基
阅读全文2025-07-10
用SPI玩转WiFi,RT-Thread ESP-Hosted驱动深度适配指南
阅读全文2025-07-09
阅读全文2025-07-09
ST NPI 专区 | 双通道汽车线性电压调节器:L99VR0
阅读全文2025-07-09
阅读全文2025-07-08
瑞萨MCU方案:瑞萨RZ/G2L Bootloader单独编译方法详解
阅读全文2025-07-08
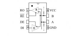
MAX3485在MCU芯片AS32S601-485通信外设中的应用
阅读全文2025-07-05
阅读全文2025-07-05
阅读全文2025-07-05