时间:2023-11-03 09:20
人气:
作者:admin
摘要 1 评估设计要求(指标) 2 主电路方案选择 3 元器件设计方法 4 各种模式Flyback 电路设计 5 损耗分析及机构布局设计 6 PCB布板和EMI
评估设计指标
1、输入参数:输入电压大小,交流还是直流,相数,频率等。
国际电压等级有单相120Vac,220Vac,230Vac等。国际通用的交流电压范围为85~265V。一般包括输入电压额定值及其变化范围;
3kW以下功率常选用单相输入,5kW以上选用三相输入;
工业用电频率一般为50Hz或者60Hz,航空航天电源、船舶用电为400Hz.
有无功率因数(Power Factor)和谐波(Total Harmonics Distortion)指标
2、输出参数:输出功率,输出电压,输出电流,纹波,稳压(稳流)精度,调整率,动态特性(稳定时间:settling time)、电源的启动时间和保持时间。
输出电压:额定值+调节范围。输出电压的上限应尽量靠近额定值,以避免不必要的过大的设计余量。
输出电流:额定值+过载倍数。有稳流要求的还会指定调节范围。有些电源不允许空载,因此还应指定电流下限。
稳压稳流精度:影响因素包括输入电压调整率,负载调整率,时效偏差。基准源精度、检测元件精度、控制电路中运放的精度对稳压稳流精度影响很大。
3、效率:额定输入电压与额定输出电压、额定输出电流时输出功率与输入有功功率的比值。
损耗:与开关频率密切相关的损耗:开关器件的开关损耗,磁性元件的铁损,吸收电路的损耗。
电路中的通态损耗:开关器件的通态损耗,磁性元件的铜损,线路损耗。这部分损耗取决于电流。
其它损耗:控制电路损耗,驱动电路的损耗等一般输出电压较高的电源的效率高于输出电压较低的电源。高输出电压的电源效率可达90%~95%的效率。大功率电路的效率可以比小功率电路的效率做得更高。
4、电压调整率和负载调整率
电压(源)调整率:电源调整率通常以额定负载条件下,由输入电压变化所造成其输出电压偏差率。如下列公式所示:Vo(max)-Vo(min) / Vo(normal),或者规定其输出电压之偏差量须於规定之上下限范围内,即输出电压之上下限绝对值以内。
负载调整率:负载调整率的定义为开关电源於输出负载电流变化时,提供其稳定输出电压的能力。或者输出负载电流变化下,其输出电压偏差量不得超过上下限绝对值。
测试方法:待测电源在正常输入电压及负载状况下热机稳定後,测量正常负载下的输出电压值,再分别测量轻载(Min)、重载(Max)负载下其输出电压值(分别为Vmax与Vmin),负载调整率通常以正常固定输入电压下,由负载电流变化所造成其输出电压偏差率的百分比,如下列公式所示:V0(max)-V0(min) / V0(normal)
5、动态特性:负载突变时输出电压的变化
开关电源通过反馈控制回路保证其输出电压稳定,实际上反馈控制回路有一定的频宽,因此限制了电源供应器对负载电流变化时的反应,可能引起开关电源不稳定、失控或振荡之现象。实际上,电源供应器工作时的负载电流也是动态变化的,因此动态负载测试对电源供应器而言是极为重要的。
可编程序电子负载可用来模拟电源供应器实际工作时最恶劣的负载情况,如负载电流迅速上升、下降之斜率、周期等,若电源供应器在恶劣负载状况下,仍能够维持稳定的输出电压不产生过冲(Overshoot)或过低(Undershoot)情形,否则会导致电源输出电压超过负载元件(如TTL电路其输出瞬时电压应介於4.75V至5.25V之间,才不致引起TTL逻辑电路之误动作)工作范围。
6、电源启动时间(Set-Up Time)与保持时间(Hold-Up Time)
启动时间:指电源从输入接上电源起到其输出电压上升到稳压范围内为止的时间,以一输出为5V的电源供应器为例,启动时间为从电源开机起到输出电压达到4.75V为止的时间。
保持时间:电源从切断输入电源起到其输出电压下降到稳压范围外为止的时间,以一输出为5V的电源供应器为例,保持时间为从关机起到输出电压低於4.75V为止的时间,一般值为10-20ms,以避免电力公司供电中由于短时电压中断(半个或一个电网电压周期)时负载工作受到影响。
7、多路输出电源的交叉调整率:
多输出还需要考虑交叉调整率(Cross Regulation)。
什么是交叉调整率?
一路输出负载变化时,另一路输出电压的变化范围。
提高交叉调整率的常规办法:后级调整
如:小功率多路输出Flyback

输入电压范围..............90~264VAC, 120-370VDC 输入电流..................2.0A/115V 1.1A/230V,输入频率:47~63HZ 冲击电流..................冷启动电流20A/115V 40A/230V 漏电流....................< 2mA/240VAC 输出电压调节范围..........CH1 :-5~+10% 电压调整率................CH1:< 1% , CH2:< 1% 负载调整率................CH1:< 3% ,CH2/3:< 4-8% 过载保护..................105%~150% 保护类型:电流限制,自动恢复 过压保护..................115-135%CH1额定输出电压 温度系数..................±0.03%℃(0~50℃) 启动、上升、保持时间......800ms,60ms,20ms 抗震性....................10~500Hz,2G 三轴10min./1周期,每轴1小时 耐压性....................输入-输出:3KVAC,输入-外壳:1.5KVAC, 输出-外壳:0.5KVAC 1分钟 绝缘电阻...............输入-输出、输入-地、输出-地500VDC/100M Ohms 工作温度、湿度............-10℃~+60℃,20%~90%RH(0-45℃/100%,-10℃/80%,60℃/60% LOAD) 存储温度、湿度............-20℃~+85℃,10%~95RH 外形尺寸..................199*99*50mm CASE 916A 重量......................0.6kg;20pcs/13kg/1.17CUFT 安全标准..................满足UL1310,TUV EN60950要求 EMC/谐波标准............... 满足 EN55022 class B/A,EN61000-3-2,3 EN61000-4-2,3,4,5,6,8,11,ENV50204
二、选择合适主电路拓扑(AC-DC)
基本原则:功率等级,成本,效率,尺寸大小
功率在75瓦以下时,一般不对输入侧谐波进行限制。因此选用电路简单、成本低廉的反激式电路。日本限制50W以下。照明要求更高,25W。
电路功率在75瓦以上一般电源要求满足谐波IEC61000-3-2。一般要求有功率因数校正,因此大多采用两级的方案。Boost PFC+Flyback; <100W、Boost PFC+half bridge 100W< <500W
当更大功率(500瓦以上),可采用半桥或者全桥。成本要求严,就选择半桥,功率大则选择全桥。推挽型电路通常用于功率较大,输入电压很低的场合。
一般功率小于20W时,由于电源的损耗以磁元件,开关,和驱动损耗为主,通态损耗比重小(电流小),因此选择电路拓扑简单的方案。如DCM Flyback。
当电源的损耗以通态损耗为主时(大功率,或者低压大电流),需要考虑能够降低通态损耗的方案。比如:同步整流,多级转换,并联,混合拓扑等。
三、元器件设计
例:Flyback主电路中哪些元器件需要我们设计?


① 计算电路工作参数。输入、输出电压 ② 运行参数。开关频率、最大占空比 ③ 变压器。 ④ 开关管-电压,电流 ⑤ 副边二极管-电压、电流 ⑥ 输出滤波电容 ⑦ 吸收电路
设计步骤
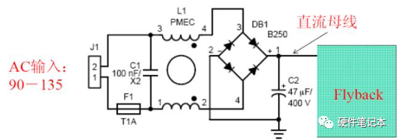
(一)、确定输入直流母线的电压变化范围:
1)随输入变化范围
2)每个工频周期内电压变化



(二)、设计开关频率fs,最大占空比Dmax=0.45
• 按照要求设定开关频率 • 根据输入功率,并假定最低电压最大占空比,刚好临界连续,然后确定电感峰值电流 Pinmax=Pomax/efficiency Iavgmax=Pinmax/VDCmin Ipeak=2*Iavgmax/D

(三)、设计反激变压器

– 根据最大峰值电流,确定原边电感量
Pinmax=0.5*Lm*Ipeak2*fs
– 根据经验,选定磁芯尺寸,计算原边匝数。
Np=(Lm*Ipeak)/(Ae*Bmax)
Ae是磁芯截面积;Bmax是设计的最大磁通密度。
– 根据电感量和匝数,设计气隙。
– 根据原边开关管的额定电压选择合适的匝比。为了获得较好的副边交叉调整率,有时候需要调整变压器原边的匝数。
例:副边Vo1:Vo2=5:3
初步计算得到:Ns1=3,Ns2=1.8;如果Ns2取2匝,则调整率可能比较差。于是,修改副边匝数,Ns1=5,Ns2=3。
(四)、开关管选择:功率MOSFET
开关管电压应力:
例:原边选择650V的MOSFET,则原边的开关管的电压应力不应超过600V。
于是计算最大应力:Vpmax=VDCmax+(Vo+Vdrop)*Np/Ns+60V
开关管电流应力:
计算变压器原边的最大电流
一般情况下:Vo*Np/Ns<140V;
考虑,原边开关管的应力,副边二极管的电压应力,最大占空比三者折衷。
(五)、副边二极管的选择:

– 快恢复二极管
– 计算二极管的耐压
VD=(Vdcmax*Ns/Np+Vo)*1.3
(六)、输出滤波电容的选择:
根据电流/电压应力,纹波要求,选择电解电容。
(七)、RCD 吸收电路

考虑问题点:
1)吸收效果
2)损耗尽可能小
吸收效果与损耗之间折衷!
不仅对FLYback,所有存在R的吸收电路都同样的设计原则。
损耗估算方法:
1)Psnuber=Vc2/R
MOSFET关断时,当Vds超过RCD缓冲电路中的电容两端的电压VSN时,缓冲二极管导通.尖峰电流被RCD电路吸收,从而削减了尖峰电流. 缓冲电容一定要足够大,才能保证在一个开关周期内电容两端的电压没有显著变化.但是吸收电容太大,也会增加缓冲电路的损耗。必须折中。
吸收电路消耗的电能可由下式计算得。则取电阻为3W的功率电阻,其阻值和电容值可由软件计算得,如下图

四、其他模式flyback设计
CCM/DCM Flyback设计

在功率较大时,如65W。为了降低低压
输入时的导通损耗,使低压输入时进入CCM模式。高压输入时,DCM模式。
设计步骤与DCM模式相同,设计公式不同。
– 计算原边电感值公式不同
– 计算匝比公式不同
– 计算开关管电压、电流应力不同
– 计算二极管电压、电流应力不同
– 计算输出纹波不同
Boundary CM Flyback
在母线电压的变动范围内,都是临界模式。(变频)与DCM设计步骤和方法模式一样。

BCM/DCM优点:
1)原边开关管的开通损耗小。
2)副边二极管的反向恢复电流小。
3)反向恢复引起的共模噪声小
4) 二极管的电压应力小,宜选用低压器件。
BCM模式的缺点:
1)原边开关管的导通损耗大。
2)频率变化,差模滤波器需要按照最低频率设计。共模滤波器要按照较高频率设计。
两个条件使上面的缺点不再重要:
1)MOSFET器件的改进,Rdson越来越小。使原边的导通损耗占的总损耗的比重减小。
2)BCM使副边的二极管的反向恢复引起的共模减小。
五、热设计
开关管一般要加散热器,散热器和开关管之间要加绝缘垫片和涂上散热硅胶。
在大功率的开关电源设计中,一般还要安装风扇采用强迫风冷。
六、布线设计及EMI
各元器件的引脚特别是电容的引脚要尽量短,否则电容对高频的吸收效果差;
大电流流过的互连线要粗要短;
尽量不要形成大的环路,否则干扰太大,影响调试。
控制电路的布线与功率电路的布线要分开。
控制芯片和变压器都要安装座子,以方便拆卸。布线时充分考虑散热以及方便测试,整洁,各功能模块清楚。
编辑:黄飞