时间:2022-12-11 14:24
人气:
作者:admin
一般DCDC IC 会给出layout建议以及参考布局,可以进行参照。

Datasheet 中提供的布局建议:
1、VIN和GND路径应尽可能宽,以降低路径阻抗。从散热的角度来看,宽面积也是有利的。
2、输入电容器和输出电容器应尽可能靠近IC,最小化路径阻抗。
3、为输入电容器和输出电容器提供足够的通孔。
4、使SW 路径尽可能短和宽,尽量减少辐射发射。
5、不允许开关电流在IC下方流动。
6、一个独立的VOUT路径应该连接到上部反馈电阻上。
7、使用Kelvin连接到反馈路径的GND引脚
8、电压反馈回路应远离高压开关线路,最好有接地屏蔽。
9、FB节点的轨迹应尽可能小,以避免噪声耦合。
10、输出电容器和GND引脚之间的GND路径应尽可能宽,以最小化其路径阻抗。
11、FB回路的电阻应尽可能靠近IC。
12、SW路径远离敏感模拟区域,如FB。
以buck电路为例,首先知道原理,才好分析回流路径,进行layout。
在开关管处于打开阶段,整个回流路径如下图所示。输入电压经过开关管到达电感,然后给负载供电,同时有段时间给电容充电,最后电流回流到输入电源负端。

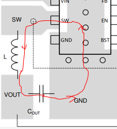
这是原理性的分析,那么到PCB layout时应该怎么搞呢?画的时候要保持这个回流路径最短才行。以官方推荐的layout布局来分析,在PCB上开关管导通时候,回流路径就如下图,可以看到这个路径是比较短的。符合要求。

开关管处于关闭状态时,电感提供反电动势来给后面负载供电,当电感能量不够时,电容也会放电给负载供电。

以官方推荐的layout布局来分析,在PCB上开关管关闭的时候,回流路径就如下图,可以看到这个路径是非常短的。符合要求。可能大家会奇怪这个LAYOUT布局例怎么没有开关管和二极管,这是因为开关管和二极管都集成到了芯片内部了。

审核编辑:汤梓红