时间:2022-03-24 13:37
人气:
作者:admin
在上一篇文章,我们介绍了“基于思睿达主推的CR5243_5V1.2A 无Y电容 电源适配器设计参考”的内容。本文,我们将介绍的是CR5249_18W电源适配器解决方案。
该报告是基于能够适用于宽输入电压范围,输出功率18W,恒压输出的电源适配器样机,控制IC 采用了思睿达主推的CR5249。


CR5249_12V1.5A 工程样机示意图CR5249
CR5249是一款高性能的电流控制型PWM开关,全电压范围内待机功耗小于75mW,满足能效六标准。为了减少待机功耗和提升效率,CR5249集成了多种工作模式。随着负载的变化,CR5249可以工作在三种不同的模式,并且每种模式都做了优化。当负载很重时,系统工作在传统的PWM(脉冲宽度调制)模式。当负载变轻时,系统进入PFM(脉冲频率调制)模式。在PFM模式下,随着负载的逐渐变轻,开关频率也逐渐的减小。CR5249中独有的频率变换模块可以使开关频率平滑降低而不产生噪声。由于频率的降低,开关损耗也被有效的减小了。当负载继续降低而低于某一设定值时,系统进入PSM(跳频调制)模式。在PSM模式下,一些开关周期被跳过,这些周期内开关管完全关断,因此这种模式可进一步降低待机功耗。在上述的三种工作模式下,都集成了频率抖动功能,来提升系统的EMI特性。
芯片还集成了最大输出功率动态补偿模块,从而保证系统在全电压交流输入范围(90V~264V)内最大输出功率点恒定。
CR5249集成了多种功能和保护特性,包括欠压锁定(UVLO),VDD过压保护(OVP),软启动,过温保护(OTP),逐周期电流限制(OCP),过载保护(OLP),SENSE引脚悬空保护,GATE端箝位,前沿消隐等。
芯片特性
● CR5249 是DIP8 封装的新型反激功率开关
● 内置软启动,减小MOSFET 的应力,内置斜坡补偿电路;
● 65kHz 开关频率,具有频率抖动功能,使其具有良好的EMI 特性;
● 264VAC 输入待机功耗:<75mW;
● 具有“软启动、OCP、SCP、OTP、OVP 自动恢复等保护功能;
● 电路结构简单、较少的外围元器件,适用于小功率AC / DC 电源适配器、充电器。
● 能效满足DOE Ⅵ 和CoC V5_T2 要求
基本应用
●电源适配器
●开放式电源
●数码相机和摄像机电源
●电脑和服务器辅助电源
●机顶盒电源
●掌上电脑电源
引脚分布

引脚描述

典型应用

样机PCBA尺寸:66*39*24mm,是一款全电压实现12V1.5A输出的电源适配器。90VAC满足启动时间的条件下,实现AC264V样机待机功耗仅为72mW;全电压输入时平均效率>86.43%;输出接22AWG1.5米线能够满足最严格的“COC_V5_T2” 能效标准。
样机具有良好的动态负载能力;同时具有“软启动、OCP、SCP、OVP、OTP自动恢复”等多种保护功能。
样机的变压器,采用了EE19W加厚磁芯(PC40材质)。变压器绕制工艺部分,请见后文详细说明。
以下表格为工程样机的主要特性,具体测试方法在第4 章节中有详细说明。
2.1、输入特性:

2.2、输出特性(PCB END):

2.3、整机参数:

2.4、保护功能测试:

2.5、工作环境:

2.6 测试仪器:

本小节展示了工程样机的电路、版图结构,变压器结构及工艺。
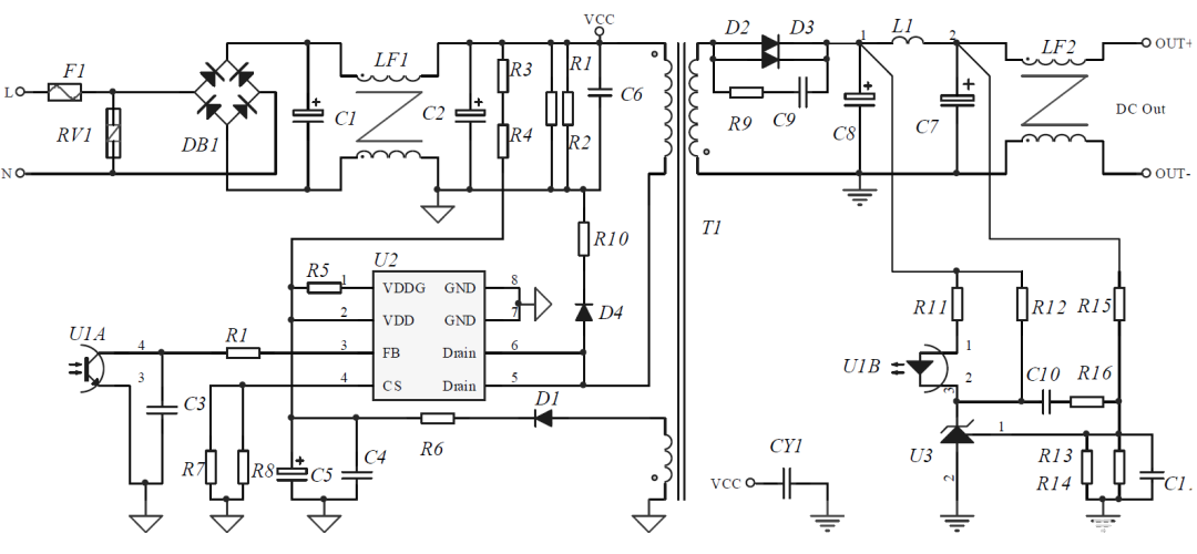
3.1、电路原理图及BOM:
3.1.1 原理图:

3.1.2、元器件清单:

3.1.3、PCB 布局&布线:
PCB 顶层布局
PCB 底层布局
PCB 底层布线
3.2、变压器绕制工艺:
3.2.1、电路示意图:

3.2.2、规格参数:
1)骨架:EE19W 磁芯加厚立式(5+5PIN),Ae=46mm²;
2)材质:TDK PC40 或同等材质;
3)N1、N2: 2UEW 漆包线;N3: 三层绝缘线;
4)次级绕组从变压器顶端进出线,磁芯接地
5)绝缘胶带:3M900 或同等材质;
6)初级绕组感量Lp:1.8mH±5%(测试条件:0.3V,10kHz);
7)漏感量LLK:要求控制在初级绕组的5%以内(测试条件:0.3 V,10kHz));
8)耐压测试= 3.3KV 5mA 1Min;
9)成品要求:浸凡立水;
3.2.3、变压器参数:

3.2.4、变压器结构图:

本小节对工程样机的输入部分、输出部分、各种保护以及一些时序进行了测试,以下详解了测试方法及结果。从测试结果来看,以下各项测试均合格,能够满足大部分客户的要求。
4.1、输入特性:
本模板经过在不同的输入电压(从90V/60Hz 到264V/50Hz)和不同负载条件(空载和满载)下测试,得到待机功耗、效率及平均效率。
表1 待机功耗

表2 输出100%负载下的输入特性

表3 效率测试(1.5M 22AWG Cable)

表4 效率测试(PCB END)

表5 能效等级评估(1.5M 22AWG Cable)

4.2、输出特性:
4.2.1 线性调整率和负载调整率: ( PCB END )

4.2.2、输出电压纹波:
注:纹波及噪声在1.5M 22AWG 处测试,测试端并联0.1uF/50V 的瓷片电容和10uF/50V 电解电容,带宽限制为20MHz。

R&N @ AC90V/60Hz,No Load
R&N @ AC90V/60Hz,100% Load
R&N @ AC264V/60Hz,No Load
R&N @ AC264V/60Hz,100% Load
4.3、保护功能:
以下涉及过流保护、短路保护的测试。
4.3.1、过流保护:

4.3.2、短路保护:
功率计电流量程2.5A,开启平均值模式测量。

4.4、系统温升测试
本项测试评估成品样机(含配套塑料外壳)在40℃环境温度下长时间工作时关键器件的稳态温度值。测试条件:输入电压分别为90V~264V,输出电流1.5A。

测试样机及配套外壳

4.5、动态测试:
输出动态负载电流设置为1.5A 持续5ms/10ms,然后为0A 持续5ms/10ms 并持续循环,上升/下降设置为3A/us。(1.5M 22AWG Cable)

AC90V 5ms
AC90V 10ms
AC264V 5ms
AC264V 10ms
4.6、系统延时时间测试:

TON_DELAY @ AC100V,100% Load
TON_DELAY @ AC240V,100% Load
THOLD_UP @ AC100V,100% Load
THOLD_UP @ AC240V,100% Load4.7、其它重要波形测试:
DRAIN(蓝色)端、CS(红色)端波形图:

测试条件:
输入:AC115V-60HZ/230V-50Hz;
输出负载50W 8Ω大功率电阻;
限值标准参考:EN55013、EN55022B。(辐射测试结果仅供参考)


思睿达是专注于ADC、DAC、PoE和DC / DC 芯片级解决方案的高科技企业,目前同步推广启臣微全系列产品,希望将启臣15年在电源行业这份积淀,这份坚持发扬光大。思睿达同时也可以提供芯片级定制服务。
多种方案,欢迎随时交流沟通。思睿达联系人:何工 18923426660,E-mail:manjie@threeda.com,欢迎来电咨询,申请样品。感谢!