时间:2020-09-28 10:32
人气:
作者:admin
1、定义
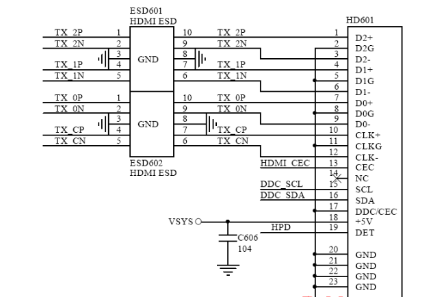
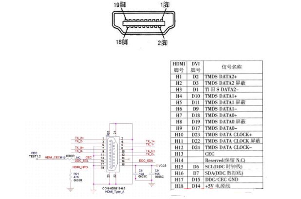
HDMI的全称是“ High Definition Multimedia”,即:高清多媒体接口。HDMI 在引脚上和 DVI 兼容,只是采用了不同的封装。与 DVI 相比。HDMI 可以传输数字音频信号,并增加了对 HDCP 的支持,同时提供了更好的 DDC 可选功能。HDMI 最远可传输 15 米,足以应付一个 1080p 的视频和一个 8 声道的音频信号。HDM1 支持 EDID 、DDC2B ,因此 HDMI 的设备具有“即插即用”的特点,信号源和显示设备之间会自动进行“协商”,自动选择最合适的视频倍频格式。一对时钟差分,三对数据传输差分。



2、走线设计要求
a、在差分走线终点不匹配的地方进行绕线。
b、差分等长绕线Gap宽度满足4W,A的长度为线宽的3倍。
C、邻近GND层走线,空间足够的情况下进行包地处理。包地线离差分线间距满足差分线宽的3倍(中心到中心),铺铜离差分线20mil。
信号换层的过孔附近放置一些接地的过孔,以便为信号提供最近的回路。
3、阻抗设计要求
差分阻抗控制为100 欧姆(+/-10%),单端走线控制50 欧姆。
pcb设计的目的在于尽可能将非连续性阻抗最小化,从而消除反射并保持信号完整。剩下的不可避免的非连续性应集中在一起,也就是说将这一区域的面积应保持较小,并尽可能的紧密放置。这一想法就是将各个反射点集中在某个区域,而不是将其分布在整个信号路径里(具体可见等长修正方式)。
可能发生非连续性的位置为:
A、HDMI连接器焊盘同信号线迹相遇处;
B、信号线迹碰到过孔、电阻器组件盘或 IC 引脚处;
C、信号对被分离以围绕一个物体布线的地方;
信号线的匹配电阻起防ESD 作用和微调阻抗用途,通常靠近插座放置,但是两个电阻必须是并排放置,不要一前一后。
使用坚实的电源层和接地层来实现100Ω 阻抗控制,以及电源噪声最小化。即差分走线下面应该是完整的参考平面,尽量避免跨分割的情况出现。
尽可能使用尺寸最小的信号线过孔和HDMI连接器焊盘,因为其对100 差动阻抗产生的影响较小。较大的过孔和焊盘可能会导致阻抗下降。推荐使用过孔8mil/16mil,或者8mil/18mil。
尽可能使HDMI连接器和器件之间的电气长度保持最短,从而使衰减最小化。为了使差分信号正常传输,一个差分对的两走线间距必须在整个走线轨迹上上保持一致。否则,间距变化就会引起磁场耦合不平衡,从而降低磁场消除的效果,造成EMI增加。推荐线宽间距比为1:1
四队差分走线对内误差最好做到5mil范围之内,对与对的差分误差最好控制在10mil范围之内。同时,对与对之间的间距要求做到15mil,空间准许的情况下尽量拉开,减小串扰。等长修正方式:


