全球最实用的IT互联网信息网站!
AI人工智能P2P分享&下载搜索网页发布信息网站地图
什么是PCB走线宽度?影响走线宽度的关键因素有
阅读全文2024-04-17
常见的PCB制造缺陷有哪些?
阅读全文2024-04-15
PCB电路板激光焊接后怎么检测质量呢?
PCB设计表面到底应不应该敷铜?
开关电源布局布线流程优化方案
阅读全文2024-04-12
原理图设计工具Jupiter
浅谈PCB设计中铺铜的必要性
阅读全文2024-04-11
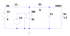
PCB布局高效处理稳压器高开关频率优化方案
学起来!做PCB设计师中最靓的崽
阅读全文2024-04-10
差分线走线两个原则 PCB中使用差分走线有什么好
如何识别常用元器件?
FCO5L02700033HDY00:27MHz差分晶体振荡器在高
PCB电路板设计中铺铜究竟如何发挥作用
PCB板的导体材料铜箔Copper Foil介绍
CPU | 内存 | 硬盘 | 显卡 | 显示器 | 主板 | 电源 | 键鼠 | 网站地图
Copyright © 2025-2035 诺佳网 版权所有 备案号:赣ICP备2025066733号 本站资料均来源互联网收集整理,作品版权归作者所有,如果侵犯了您的版权,请跟我们联系。