全球最实用的IT互联网站!
人工智能P2P分享搜索全网发布信息网站地图标签大全
四大主题全覆盖,电子产业全智道--30余场活动邀
阅读全文2021-09-18
NEPCON ASIA 2021蓄势待发 KOSES Co.,Ltd新发现!
产能被预定至2025年,区区基板为何加剧了芯片荒
PCBA加工的主要成本支出有哪些
阅读全文2021-09-17
报名丨电子发烧友邀您共同参与2021英伟达初创企
阅读全文2021-09-16
免开发的IOT平台可以如何改造小黄鸭夜灯
阅读全文2021-09-14
MM32无法进行烧写的原因都有哪些
为什么我的处理器漏电?
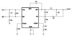
DC-DC中PCB设计的layout
阅读全文2021-09-13
12月“华南智能制造与科技创新展览会(SMF)”
阅读全文2021-09-10
如何识别常用元器件?
FCO5L02700033HDY00:27MHz差分晶体振荡器在高
PCB电路板设计中铺铜究竟如何发挥作用
PCB板的导体材料铜箔Copper Foil介绍
CPU | 内存 | 硬盘 | 显卡 | 显示器 | 主板 | 电源 | 键鼠 | 网站地图
Copyright © 2025-2035 诺佳网 版权所有 备案号:赣ICP备2025066733号 本站资料均来源互联网收集整理,作品版权归作者所有,如果侵犯了您的版权,请跟我们联系。