全球最实用的IT互联网站!
人工智能P2P分享搜索全网发布信息网站地图标签大全
OMAP3530 CUS封装的PCB设计方案
阅读全文2021-06-17
浅谈柔性 PCB 增强 EV 设计
阅读全文2021-06-14
什么是PCB阵列?如何计算数组的大小?
怎么检查PCB?一款避坑神器来了
阅读全文2021-06-08
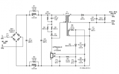
通用输入隔离反激式 CC/CV LED 驱动器设计
阅读全文2021-05-31
如何在降低噪声性能的情况下设计良好的PCB布局
阅读全文2021-05-27
浅谈Avago的高功率LED发射器
阅读全文2021-05-25
阿昆聊电子产品中对物料的“可靠性质量评估”
阅读全文2021-05-21
阿昆聊电子制造流行的可生产性设计DFM是在什么
阿昆聊硬件产品DFM可生产性评估规范的执行方案
如何识别常用元器件?
FCO5L02700033HDY00:27MHz差分晶体振荡器在高
PCB电路板设计中铺铜究竟如何发挥作用
PCB板的导体材料铜箔Copper Foil介绍
CPU | 内存 | 硬盘 | 显卡 | 显示器 | 主板 | 电源 | 键鼠 | 网站地图
Copyright © 2025-2035 诺佳网 版权所有 备案号:赣ICP备2025066733号 本站资料均来源互联网收集整理,作品版权归作者所有,如果侵犯了您的版权,请跟我们联系。