时间:2023-08-19 10:40
人气:
作者:admin
数字直放站是数字化的网络优化设备,相对于传统的模拟直放站而言,数字直放站通过将信号传输数字化以及信号处理数字化,不仅获得了性能上的改善更获得了功能上的丰富与加强。直放站的数字化可以使未来的网络优化建立在一个统一的数字技术平台之上,提高设备性能,降低设备成本,并可以支持多频多模。
对于住宅小区、高速公路、隧道、农村、电梯、地下室等中低价值覆盖场景,由于用户密度和业务量相对较低,若采用AAU等5G基站建网,建网成本高且收入较低;但采用低成本的5G数字直放站,建网成本更低,信源耦合便利,利于运营商低成本实现5G网络全覆盖。
5G数字直放站可以扩大服务范围,消除覆盖盲区,如高山,建筑物,树林等阻挡物而形成的信号盲区;在郊区能够增强场强,扩大郊区站的覆盖,沿高速公路架设,增强覆盖效率还可以解决室内覆盖,如大型建筑物内信号衰减信号盲区、地下商城、遂道等衰减信号盲区;另外,将空闲基站的信号引到繁忙基站的覆盖区内,实现疏忙等。
GC080X在5G数字直放站上的应用:
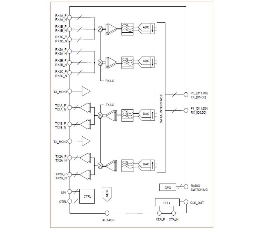
5G数字直放站的信号处理流程如下图所示,在数字中频处理上,需要应用到5G收发机产品:

从产品特性上看,GC080X有着超宽频、超宽带的突出优势,能够覆盖30MHz至6GHz的,满足主流的sub6G的5G通信频段,信号带宽范围则覆盖了12K到100M,支持1T1R和2T2R,可以满足5G数字直放站的主流需求。同时,GC080X可重构、可配置特性可以灵活地满足客户需求,包括搭载可重构、高动态范围ADC,支持TDD和FDD可配,满足TDD和FDD的5G数字直放站的应用要求。

GC080X典型应用电路
目前,该收发机芯片GC080X已在国内主流的多家5G直放站厂商得到应用,并快速响应客户的应用需求,确保芯片满足不同应用场景下的指标要求,持续助力客户5G数字直放站产品的规模化应用和商业化成功,国芯思辰可提供专业的技术支持和稳定的供货渠道,并且该收发机芯片还有一定的价格优势。
注:如涉及作品版权问题,请联系删除。
下一篇:国内外雷达天线罩技术发展历史