时间:2022-03-09 12:22
人气:
作者:admin
摘要: 随着人们生活水平的提高,智能化生活观念不断普及,物联网智能家居已成为智能家居发展的新趋势,为此基于机智云物联网平台设计了一套智联网家居控制系统,主要由主控制器模块、WiFi物联网模块、LED控制模块、插座控制模块、窗帘控制模块和语音识别模块组成。该系统使人们的生活变得更加舒适和便捷,同时还能监控家中的安全隐患,应用广泛。
一、系统方案选择
(一)物联网平台选择
机智云为企业和个人开发者提供了物联网PaaS云服务平台,通过应用API、完善的SDK和IDE开发环境、控制器代码自动生成器、App代码自动生成器和微服务,提供大数据分析、人工智能应用和物联网应用服务。通过机智云Aiot开发平台,企业和开发者可以快速实现工业级的物联网连接管理、设备管理、应用支持、数据分析、计费分析、安全控制和第三方系统集成能力,构建、部署和管理物联网产品和应用。
阿里云物联网平台为设备提供安全可靠的连接通信能力,向下可以连接大数量的设备,并且支撑设备采集数据上传云端;向上提供云端API,指令数据通过API调用下发到设备端,从而实现远程控制。此外,IoT平台提供其他增值能力,例如设备管理、规则引擎、数据分析、边缘计算等等。
由于机智云物联网平台相较于阿里云物联网平台产业链相对完善,开发周期短,故本设计选用机智云物联网平台。
(二)语音识别方案选择
ISD9160是应用于音频记录播放的低功耗系统芯片(SOC)。ISD9160拥有一个CortexTM-M0核,最大工作频率为50MHz,内置145K字节的存储器和12K字节的SRAM。ISD9160配备了丰富的外设、多种串行接口(UART,SPI/SSP,I2C,I2S)。ISD9160集成了80分贝SNR和可编程增益放大器(PGA),可搭载麦克风,还配备了一个差动D类放大器,可直接驱动一个8欧姆扬声器,输出功率为1W。
LD3320在设计上非常注重节能与高效,不需要外接任何的辅助芯片,如Flash、RAM等存储芯片,从而降低了成本,将此芯片直接集成在现有的产品中,可以实现语音识别、语音控制、人机对话等功能,这是一个真正的单芯片解决方案。
由于LD3320语音识别方案比ISD9160方案技术成熟,且价格便宜,所以选用LD3320语音识别方案。
(三)无线通信方案选择
蓝牙是一种用于短距离的无线通信技术,通过蓝牙把电子装置连接起来,可以省去传统布线的麻烦。在当今数据**的时代,高速通信是必需的,而蓝牙的通信速率不是很高,从而影响到它的发展,并且蓝牙的频段是一个开放的频段,抗干扰能力弱。
NRF24L01是由NORDIC产生的无线通信芯片,它采用FSK调制,集成NORDIC增强型短脉冲协议,可以实现点对点或1至6的无线通信。输出功率的信道选择和协议设置可以通过SPI接口进行调控。它可以连接各种各样的微控制器芯片,具备完整的无线数据传输能力。其具有无线通信速度快(可以达到2Mbps)、体积小、宽电压工作、抗干扰能力强、兼容性好等优点。
因为家庭中有许多电器,有时还要考虑信号穿透衰减等问题,所以无线组网需要更强的穿透力以及抗干扰能力,此处选择NRF24L01通信。
二、 硬件电路设计
(一)硬件总体方案设计
硬件方案主要由六部分组成,分别是主控制器电路、WiFi物联网模块控制电路、LED控制电路、插座控制电路、窗帘控制电路和语音识别电路,硬件的总体设计方案如图1所示。

图1 硬件总体设计方案
(二)控制系统六大模块
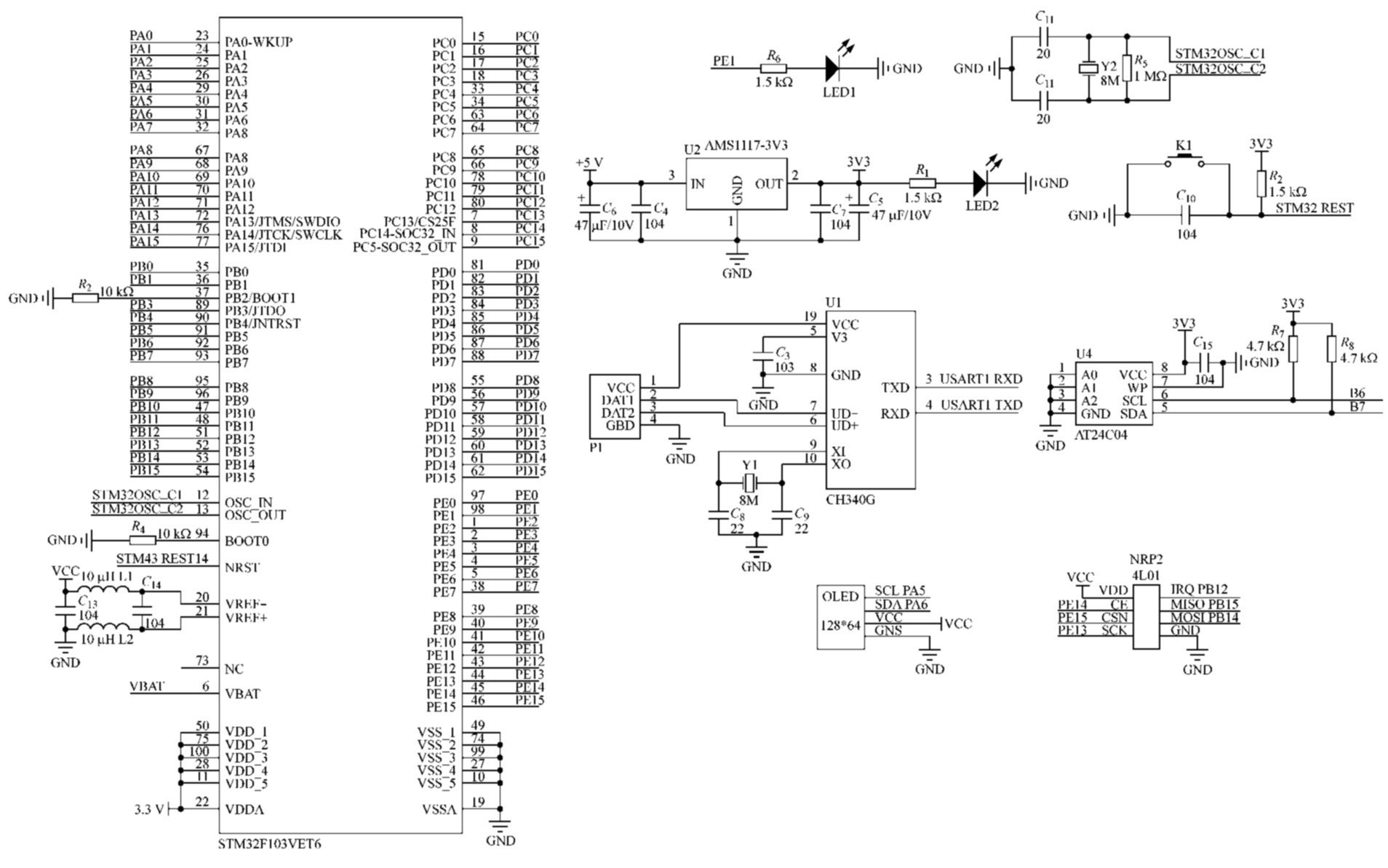
1.主控制器电路
主控制器由STM32单片机、NRF24L01无线发射模块以及OLED液晶显示模块组成。是整个项目的控制核心,其他模块都通过串口通信与主控制器连接到一起,其硬件电路如图2所示。

图2 主控制器原理图
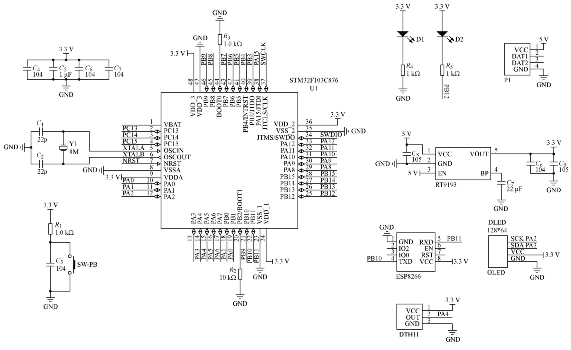
2. WiFi物联网模块控制电路
选用STM32F103C8T6单片机为控制芯片,此款单片机具有处理速度快、扩展外设方便、运行稳定、价格便宜等优点。esp8266为WiFi模块,DHT11温湿度传感器实时检测家中的温度湿度,MQ-2为烟雾气体传感器实时检测家中空气的烟雾或气体,能够达到实时监测的目的,为家庭安全提供保障。物联网模块控制电路如图3所示。

图3 物联网模块控制电路
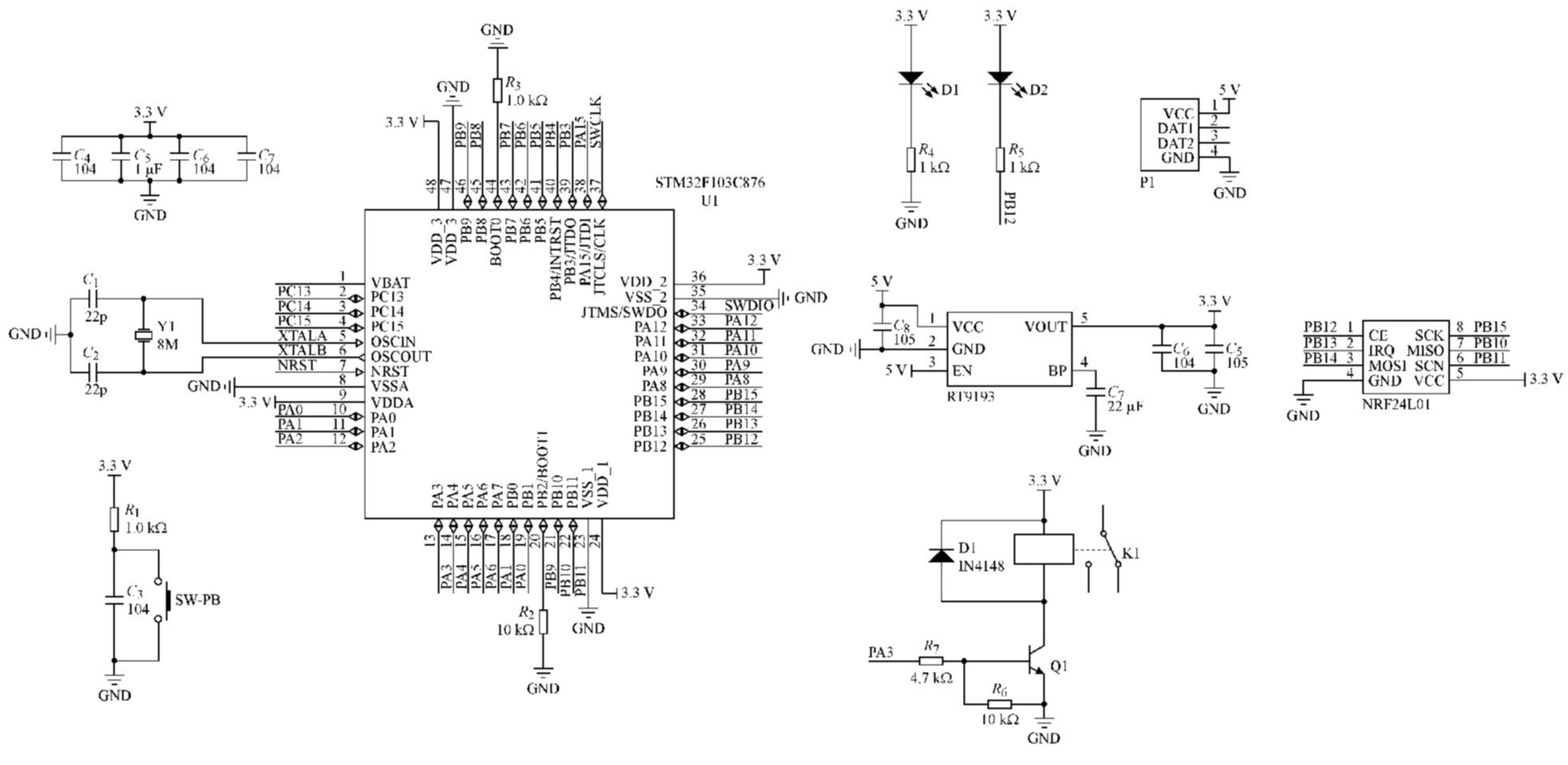
3. LED控制电路
LED控制电路由单片机、NRF24L01接收模块,以及继电器模块组成,如图4所示。

图4 LED控制硬件电路
4.插座控制模块
插座控制电路与LED控制电路相同。
5.窗帘控制电路
窗帘控制电路由单片机最小系统、NRF24L01接收模块和TB6612FNG电机驱动模块构成。
6.语音识别电路
语音识别模块,选用了LD3320语音识别芯片,声音信号处理芯片选用了STC11L08XE单片机,此款单片机处理速度快能够达到处理音频信号的需求。
三、 软件设计
(一)连接机智云物联网平台
单片机连接机智云物联网平台,首先是协议初始化以及各个模块的初始化函数,然后按键选择网络方式,如果网络重置则会连接新的WiFi网络,如果不操作则连接原网络。网络配置完成后开始通过传感器采集房间数据信息,并通过网络传输到云平台,以方便用户的查看。其程序流程图如图5所示。
(二)主控制软件
主控制器通过NRF24L01模块分别与从控制器通信,从而控制从控制器。其软件流程如图6所示。首先是各个模块初始化,然后等待串口发送来的数据,如果数据来了,就通过NRF24L01模块发送出去,发送成功信号指示灯闪烁,如果没有就一直等待。
四、 系统调试
(一)软件调试
1.语音识别调试
编写程序,保证程序逻辑语句正确后,将程序下载到模块中,然后给模块上电,通过调试串口助手看是否可以正常识别,识别结果如图7所示。
2.物联网模块调试
物联网模块将家中的温度、湿度等信息发送到云端,通过手机就可以查看,也可以通过手机控制家中的LED插座、窗帘等电器,模块调试显示界面如图8所示。
(二)功能调试
接通电源,单片机运行指示灯点亮,出于实际考虑,此处用直流电机模拟控制窗帘,电机正转模拟开窗帘,反转模拟关窗帘。上电前电机是停止的,模块等待接收主控制器发送指令,接收到指令时电机开始动作。经测试本功能够顺利实现,模块能够正常运行。控制系统的硬件组成如图9所示。
五、结论
本系统中的手机远程控制功能的实现,关键在于利用机智云物联网平台结合硬件平台,实现语音识别安全认证机制。其中WiFi模块通过连接家中的路由器,将各电器连接到机智云AIoT开发平台,使室内温度、湿度以及烟雾气体浓度等信息实时发送到云端,当有烟雾气体时,通过SIM800C模块实现远程报警等功能。
本设计具有投资少、成本低、可靠性高等特点,还具有良好的可扩展性。除了控制LED灯和窗帘以外,还可以将家中别的电器连接到插座上,通过插座控制别的电器,符合未来家居智能化、网络化的发展方向。

图5 连接机智云物联网平台流程图

图6主控制软件流程图

图7 语音识别调试

图8 APP界面

图9 硬件组成