全球最实用的IT互联网信息网站!

AI人工智能P2P分享&下载搜索网页发布信息网站地图

当前位置:诺佳网 > 电子/半导体 > RF/无线技术 >

HMC863ALC4功率放大器

时间:2022-04-06 10:07

人气:

作者:admin

标签:

导读:点对点无线电点对多点无线电VSAT军事和太空...

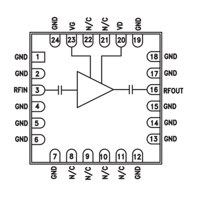
HMC863ALC4是一款三级GaAs pHEMT MMIC 1/2 W功率放大器,工作频率范围为24至29.5 GHz。HMC863ALC4提供24 dB增益、+28.5 dBm饱和输出功率和22.5% PAE(+5.5V电源)。HMC863ALC4具有高输出IP3,因而非常适合点对点、点对多点无线电系统和VSAT应用。隔直型RF I/O匹配至50 Ω,可轻松集成到更高级别组件中。HMC863ALC4的工作Vdd范围为+4.0至+6.0V。

pYYBAGJMCpqAD2H4AAE65_CYz58563.pngHMC863ALC4

高P1dB输出功率:+27 dBm
高Psat输出功率:+28.5 dBm
高增益:24 dB
高输出IP3:+38.5 dBm
电源电压:+5.5 V (350 mA)
无需外部匹配
24引脚4x4 mm SMT封装:16 mm2

应用

点对点无线电
点对多点无线电
VSAT
军事和太空


ADCA3270ACEZ HMC907APM5E HMC7357LP5GE
ADPA1107ACPZN HMC797A HMC7054
ADPA7008CHIP HMC797ALP5E HMC6981LS6
ADPA7008AEHZ HMC797APM5E HMC-APH460
ADPA7009CHIP HMC906A HMC-APH462
ADPA7005CHIP HMC943APM5E HMC-APH473-Die
ADPA7005AEHZ HMC994A HMC-APH518-Die
ADCA3950AMLZ HMC994APM5E HMC-APH608-Die
ADCA3952AMLZ HMC5805ALS6 HMC590
ADPA1105ACGZN HMC7885 HMC590LP5E
ADPA9002ACGZN HMC8500PM5E HMC591
ADPA7002CHIP HMC1114LP5DE HMC591LP5E
ADPA7002AEHZ HMC1114PM5E HMC659
ADPA7006CHIP HMC8114 HMC659LC5
ADPA7006AEHZ HMC1121LP6GE HMC559-Die
ADPA7007CHIP HMC1132PM5E HMC409LP4E
ADPA7007AEHZ HMC8113 HMC452QS16GE
ADCA3990AMLZ HMC952ALP5GE HMC452ST89E
ADCA3992AMLZ HMC1099LP5DE HMC453QS16GE
ADTR1107ACCZ HMC1099PM5E HMC453ST89E
ADMV7710CHIPS HMC930A HMC457QS16GE
ADMV7810CHIPS HMC1144 HMC459
ADPA7004CHIPS HMC7543 HMC487LP5E
HMC998A HMC8142 HMC454ST89E
HMC998ALP5E HMC7229 HMC464
HMC998APM5E HMC7229LS6 HMC464LP5E
HMC637BPM5E HMC637A HMC499
HMC863ALC4 HMC637ALP5E HMC499LC4
ADPA7001CHIPS HMC7149 HMC408LP3E
HMC8415LP6GE HMC7441 HMC455LP3E
HMC8205BCHIPS HMC1086 HMC461
HMC8205BF10 HMC1086F10 HMC327MS8GE
HMC907A HMC1087 HMC413QS16GE
HMC907ALP5E HMC1087F10 HMC414MS8GE

温馨提示:以上内容整理于网络,仅供参考,如果对您有帮助,留下您的阅读感言吧!
相关阅读
本类排行
相关标签
本类推荐

CPU | 内存 | 硬盘 | 显卡 | 显示器 | 主板 | 电源 | 键鼠 | 网站地图

Copyright © 2025-2035 诺佳网 版权所有 备案号:赣ICP备2025066733号
本站资料均来源互联网收集整理,作品版权归作者所有,如果侵犯了您的版权,请跟我们联系。

关注微信