时间:2023-06-18 16:56
人气:
作者:admin
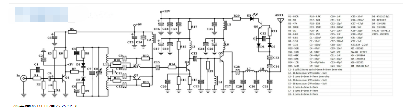
FM发射机已在世界各地用于通信。构建FM电路的简单性使其在其他调制技术中如此受欢迎。今天我想出了FM发射机电路,其范围约为3公里。电路图很宽,我无法将其放入此网页。单击它以查看高分辨率图像。让我们进入这个电路的工作部分。

调频发射机工作原理:
这个电路中有很多组件和零件,所以我将尽可能保持解释简单。这是一款质量不错的FM发射器,由改进的振荡器带来稳定的频率,实际上是围绕Q2和Q3构建的两个振荡器,工作频率在50MHz左右。输出在两个集电极上获取,其中两个振荡器的频率组合形成100MHz信号。这将提供比普通单端振荡器更高的稳定性。
调制通过双变电容D1/D2和可变电容C8完成。通过改变变分电容上的反向偏置电压(根据输入信号),您基本上改变了它们的电容,从而改变了谐振电路的谐振频率。这导致输入信号的虚拟频率调制。振荡器/调制器级的输出馈送到使用晶体管Q4构建的A类驱动器级。通过馈入围绕Q5构建的C类功率放大器,输出信号得到进一步加强。
现在将输出信号从C类馈送到由一系列电容器和电感器组成的低通滤波器。这样做是为了在输出端实现最低的谐波杂散,然后再将其馈送到天线。我添加了一个指示灯 LED D3,显示您正在传输并且一切正常。如果 LED 不亮,则原理图有问题。问题通常出现在振荡器部分(仅供提示)。此外,我设法删除了几乎所有可变电容器,除了用于调谐的电容器,因为原始原理图有更多的可变电容器,很难将它们全部调整。
调频电路范围:
该FM电路中的输出信号功率为2.5W。在2.5W时,FM信号能够覆盖5-7公里的距离,视线良好。在最好的情况下,它甚至可能达到大约 10 公里。因此,我相信可以公平地说,即使在半最佳或最差的外部条件下,这条赛道也将覆盖 3 公里的范围。
该电路是为欧洲FM接收器系统设计的,尽管它也可以在美国工作,但我不确定音频质量是否会保持不变。这是因为我使用了50us预加重,这是欧洲标准,而美国使用75us预加重。
线路板提示:
在构建此电路时,您必须遵循一些PCB注意事项。在为系统布线时,使用接地层而不是接地轨非常重要。这增加了地面面积和稳定性。您还可以通过在天线馈线之前哄骗 3 或 4 圈长度为 21 英寸的同轴电缆来构建巴伦。因此,这将为在电缆外壳上流动的电场创建一个谐振陷阱,并防止它进入天线的一部分,这是不希望的。
注意:
切勿在没有负载的情况下启动发射器。
如果您尚未连接天线,只需在 50W(碳,而不是绕线)下放置一个 2 欧姆的虚拟负载电阻并测试您的电路。