时间:2023-01-13 11:47
人气:
作者:admin
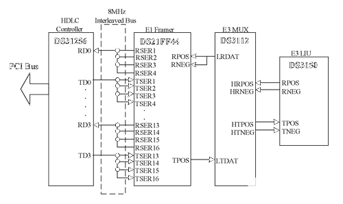
本应用笔记介绍了如何在PCI总线上使用DS31256 HDLC控制器,利用DS21FF44成帧器配置交错总线操作(IBO)。其他达拉斯半导体成帧器和收发器也将使用。
概述
本应用笔记介绍如何为交错总线操作(IBO)配置E1成帧器。交错总线操作(IBO)设计用于将来自多个设备的数据流多路复用到单个总线上。DS21FF44成帧器将与DS31256 HDLC控制器配合使用到PCI总线上(图1)。其他Maxim/Dallas Semiconductor T1/E1成帧器和收发器也将展出。T1 成帧器上的硬件连接将相同。

图1.字节模式下的 8.192MHz 交错总线示例。
硬件
图 2 说明了硬件连接的正常配置。如果应用需要帧交错,则必须将 TCLK 和 RCLK 频率锁定到 TSYSCLK 和 RSYSCLK(即不会发生帧滑移)。帧滑移在字节交错应用程序中是可以接受的。此外,RSYNC 和 TSSYNC 必须绑定在一起。(在IBO模式下,接收器不独立于发射器。

图2.IBO 模式的连接。
同步脉冲必须锁相至8.192MHz时钟,如图3所示。T1成帧器的硬件区别仅在于使用1.544MHz时钟连接到TCLK/RCLK而不是E1频率时钟。此外,在T1中,每四个通道中就有一条未使用并被迫0xFF。有关详细信息,请参阅T1数据手册中的IBO部分。

图3.IBO 模式的时序图。
请参考DS21FF44数据资料第22节,了解其他时序图。有关IBO的更多信息,请参见数据手册的第20节。
软件
芯片必须针对IBO功能进行配置。配置包括设置 IBO 寄存器、启用弹性存储以及正确配置 TSYNC 和 RSYNC。(请参阅下表 1 中的详细寄存器列表。此外,用户必须为系统时钟选择 2.048MHz 模式(对于 T1 和 E1 成帧器)。
|
DS21Q44 DS21354/554 寄存器 |
DS21352/552 DS21Q42 寄存器 |
评论 |
| RCR1.5 = 1 | RCR2.3 = 1 | RSYNC 是一个输入。 |
| RCR2.1 = 1 | CCR1.2 = 1 | 已启用接收弹性存储。 |
| RCR2.2 = 1 | CCR1.3 = 1 | RSYSCLK 为 2.048/4.096/8.192 MHz。 |
| TCR1.0 = 1 | TCR2.2 = 1 | TSYNC 是一种输出。 |
| CCR3.1 = 1 | CCR1.4 = 1 | TSYSCLK是2.048/4.096/8.192兆赫。 |
| CCR3.7 = 1 | CCR1.7 = 1 | 传输弹性存储已启用。 |
| IBO = 0x09 | IBO = 0x09 | 启用 IBO,字节模式,主设备(成帧器 1、5、9、13) |
| IBO = 0x08 | IBO = 0x08 | 启用 IBO,字节模式,从设备(成帧器 2-4、6-8、10-12、14-16) |
结论
本应用笔记介绍了如何配置DS21FF44,用于与各种达拉斯半导体HDLC控制器、E1成帧器和收发器器件的交错总线工作(IBO)。
审核编辑:郭婷
上一篇:射频发射器超出范围时发出警报声