时间:2022-08-11 14:55
人气:
作者:admin
本文着眼于如何使用低于 1 GHz 频段的超低功耗无线收发器和 KNX 协议在智能家居中实现自供电网络,将能量收集或长寿命电池用于照明等应用和监测。
智能家居中低成本无线网络的新兴标准为创新设计开辟了机会。借助最新的无线收发器和微控制器,可以开发出可以通过能量收集直接由太阳能电池板供电的超低功耗设计。
开发人员不再使用带有 2.4 GHz 收发器的单芯片,而是在 240-960 MHz 的 ISM 频段中寻找成本更低、功耗更低的收发器,以及 8 位或 16 位超低功耗微控制器和新的协议。较低的频率提供更长的范围和更低的功耗,而 KNX 协议针对智能家居设备进行了优化,专注于降低功耗,为自供电设备和集线器开辟了机会。
KNX 协议目前用于超过 70% 的欧洲智能家居设备,仅在欧洲就估计超过 6 亿欧元的市场。作为一个开放标准,KNX 促进了互操作性,节省了成本,并增强了产品开发人员和设备所有者的灵活性。现在由 KNX 协会管理,在欧洲被批准为 CENELEC EN 50090 或 CEN EN 13321-1,在中国被批准为 GB/Z 20965,在美国被批准为 ANSI/ASHRAE 135,在全球被批准为 ISO/IEC 14543-3。
KNX 标准(以前称为 EIB/Konnex)的重点是家庭和楼宇控制。最典型的应用领域是照明、百叶窗或加热和冷却。该标准涵盖有线媒体双绞线、电力线和以太网。在不适合布线的位置,KNX-RF 用于建筑物内的无线数据传输。作为完整的 KNX 标准,无线部分 KNX-RF 独立于供应商,允许一系列射频收发器与不同的微控制器一起使用。这为超低功耗设计开辟了机会。
KNX 高级接口 (KAI) 是 KAI 的主要软件组件,提供 KNX 设备所需的完整功能。它包含 KNX 标准所需的所有元素,并通过了多种不同配置的认证。KAI 与 ISO/OSI 参考模型紧密映射,具有清晰的结构,将应用相关部分、模块化通信堆栈内部部分、媒体相关部分和目标 CPU 相关问题分开(图 1)。高级实现方法允许高效编码,从而优化资源使用。这体现在占地面积小和所需资源适中。使用 KAI 进行的应用程序开发通过简单的堆栈可配置性减轻了设计过程中早期决策的负担。

图 1:KNX 高级接口 (KAI) 参考模型。
它有助于提高系统可靠性并提高设备稳定性。KAI 的硬件和软件组件可以根据给定的条件进行调整。
寻址方案
寻址方案基于用于双绞线的系统架构,它使用单个地址和组地址(每个地址有两个字节)。单个地址是单播地址,主要用于配置目的。组地址用于运行时通信,0x0000 保留为广播地址。
由于 RF 是一种类似于电力线的开放介质,因此添加了域地址(六字节,可编程)以允许单独但相邻的安装,并且由于单向设备无法编程,它们不能使用特定于安装的域地址。相反,组电报包含发送者的序列号,序列号与 2 字节组地址一起称为扩展组地址。
这对无线集线器的设计有影响。
集线器设计Texas Instruments
的CC1120是一款集成 ISM 频段收发器,可与MSP430F2370等微控制器一起使用,为低功耗集线器实现双向 KNX 低功耗无线电链路。

图 2:TI CC1120 低功耗 ISM 频段收发器。
CC1120 可以通过一个简单的 4 线 SPI 兼容接口(SI、SO、SCLK 和 CSn)进行配置,其中 RF 芯片是从机。SPI 接口上的所有地址和数据传输都以最高有效位在前完成,并且 SPI 接口上的所有事务都以包含读/写位、突发访问位和 6 位地址的标头字节开始。在地址和数据传输期间,CSn 引脚(片选,低电平有效)必须保持低电平。
4 线接口可以在同步模式下连接到片上 USART,配置为主机,但对于大多数应用来说,通过标准 I/O 引脚实现该接口并将 USART 保存为数据接口更为有用。
收发器包含一个数据包处理程序,但由于 KNX-RF 帧的结构不同,无法使用。这意味着该芯片必须用于同步串行操作,并在微控制器中处理完整的数据包编码和解码(使用包含曼彻斯特码)。

图 3:将 CC1120 收发器连接到 MSP430 微控制器以实现 KNX。
由于 CC1120 必须在 NRZ 模式下使用,微控制器必须实时发送和接收数据位。为了节省计算能力,建议在同步模式下使用 USART 进行发送和接收。这对于双向设备尤其重要。只发送设备只能使用标准 I/O 引脚进行通信;因此,即使是没有集成 USART 的微控制器也可以使用。
当使用为 KNX 协议指定的芯片速率为 32,768 cps 的 USART 时,每秒必须评估或发送 4,096 个模式。在接收模式下,USART 采样的模式不同步,因此软件必须永久扫描帧的开始。
收发器需要自己的晶体来产生射频和位时序,所以物理层的时序完全由无线电芯片控制。为了符合 KNX 标准,必须达到 ±35 ppm 的整体精度。
如果应用任务不需要精确的时序,则可以使用 DCO 频率为 MSP430 提供时钟。所需频率取决于与 RF 芯片(硬件或软件 UART)的连接类型以及软件效率。
CC1120 的一个关键元件是一个完全集成的小数 N 超高性能频率合成器,专为出色的相位噪声性能而设计,提供非常高的选择性和阻塞性能。该系统旨在以最大发射功率遵守最严格的监管频谱模板。
晶体可以连接到 XOSC_Q1 和 XOSC_Q2,或者 TCXO 可以连接到 EXT_XOSC 输入。振荡器生成合成器的参考频率,以及 ADC 和数字部分的时钟。为了降低系统成本,CC1120 具有高精度频率估计和补偿寄存器,用于测量和补偿晶体误差,从而能够使用成本较低的晶体。如果使用 TCXO,CC1120 将在需要支持低功耗模式和唤醒无线电操作时自动打开和关闭 TCXO。
CC1120 还具有高度灵活的接收器。接收到的射频信号由低噪声放大器 (LNA) 放大,并在正交(I 和 Q)中下变频到中频 (IF)。在 IF,I/Q 信号由高动态范围 ADC 数字化。先进的自动增益控制 (AGC) 单元可调整前端增益,使 CC1120 能够接收强信号和弱信号,即使存在强干扰也是如此。这有助于网络链接在整个家庭中更有效地工作。高衰减信道和数据滤波使接收具有强邻信道干扰。

图 4:TI KNX 开发板展示了智能家居网络实施可能的小尺寸。
I/Q 信号被转换为相位/幅度信号以支持 FSK 和 OOK 调制方案,并且复杂的模式识别算法锁定到同步字,而无需前导码稳定字节。因此,接收器建立时间减少到 AGC 的建立时间,通常为 4 位。这有助于加快链接过程并将功耗降至最低。
先进的模式识别也大大减少了噪声触发错误同步的问题,进一步降低了功耗,提高了灵敏度和可靠性。这对于防止家庭网络中的错误信号也很重要,家庭网络必须可靠且功耗最低。
一种新颖的 I/Q 补偿算法消除了 I/Q 不匹配的任何问题,从而避免了生产或现场中耗时且昂贵的 I/Q 图像校准步骤。
发射器基于射频频率的直接合成(环路调制)。为了实现有效的频谱使用,CC1120 在 TX 中具有广泛的数据过滤和整形功能,以支持窄带通道中的高吞吐量数据通信。调制器还控制功率斜坡,以消除驱动外部大功率射频放大器时出现的频谱飞溅等问题。
无线电控制和用户界面
CC1120 数字控制系统围绕使用内部高性能 16 位超低功耗处理器实现的 MARC(主无线电控制)构建。它处理电源模式、无线电排序和协议时序。
一个 4 线 SPI 串行接口用于配置和数据缓冲区访问。数字基带支持通道配置、数据包处理和数据缓冲。主机 MCU 可以保持掉电状态,直到接收到有效的射频数据包,然后突发读取数据,大大降低了主机 MCU 所需的功耗和计算能力。
CC1120 无线电控制和用户界面基于广泛使用的 CC1101 收发器,可实现两个平台之间的轻松软件转换。两个平台的命令频闪灯和主要无线电状态相同。
增强型无线唤醒 (eWOR) 使用灵活的集成睡眠定时器,无需 MCU 干预即可实现自动接收器轮询。如果没有收到有效的 RF 数据包,CC1120 将进入接收模式、监听并返回睡眠状态。睡眠间隔和占空比可以配置为在网络延迟和功耗之间进行权衡。传入消息带有时间戳以简化计时器重新同步。
eWOR 定时器使用超低功耗 32 kHz RC 振荡器运行。为了提高定时精度,可以以可配置的间隔自动校准到射频晶体。
CC1120 还使用 eWOR 来支持非常快速的启动时间,并且只需要很少的前导码位,从而再次节省了功耗。嗅探模式使用它来显着降低接收器等待数据时的电流消耗。由于 CC1120 能够比大多数前导码的长度更快地唤醒和稳定,因此在等待数据包到达时不需要连续处于接收模式。相反,增强的无线电唤醒功能可用于定期使设备进入睡眠状态。通过设置适当的睡眠时间,CC1120 将能够在数据包到达时唤醒并接收数据包,而不会造成性能损失。这消除了发送器和接收器之间精确定时同步的需要,并允许用户在发送器和接收器之间权衡电流消耗。
根据 KNX-RF 标准,堆栈实现必须区分单向和双向设备。单向设备仅包含发送功能和高度简化的通信堆栈。该软件支持省电模式以延长电池寿命。因为单向软件的代码大小只有几 kBytes,所以可以使用非常便宜的控制器。
双向实现同时具有发送者和接收者。尽管由于数据速率相对较高,对接收数据的处理是时间关键的,但仍然可以在接收过程中检测和纠正个别位错误。因此,即使在传输条件不利的情况下,通信质量也非常高。双向设备需要一个完整的通信堆栈,其中还包括用于使设备投入运行的链接机制。
STM8 STMicroelectronics
的 STM8 系列等其他微控制器也可用于运行 KNX 堆栈。STM8L101xx _低功耗系列采用增强型 STM8 CPU 内核,提供更高的处理能力(在 16 MHz 时高达 16 MIPS),同时保持 CISC 架构的优势,具有更高的代码密度、24 位线性寻址空间和针对低功耗的优化架构-电源操作。
该系列包括一个带硬件接口 (SWIM) 的集成调试模块,可实现非侵入式应用内调试和超快闪存编程。所有 STM8L101xx 微控制器均具有低功耗、低电压、单电源程序闪存,允许它们与能量收集电源管理设备一起使用。
STM8L101xx 低功耗系列基于一组模块化外设,允许在不同的 ST 微控制器系列(包括 32 位系列)中找到相同的外设。这使得向不同系列的任何过渡都变得非常容易,并且通过使用一组通用的开发工具更加简化了。
所有 STM8L 低功耗产品都基于相同的架构,具有相同的内存映射和一致的引脚排列。此外,STMicroelectronics 和 Tapko Technologies 还发布了适用于 ST 的所有 STM8 和 STM32 微控制器的 KNX 通信堆栈。这一举措将加快智能建筑系统的开发,用于自动照明、供暖和其他有助于提高能源效率和用户舒适度的环境控制。
连接到收发器
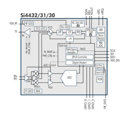
在微控制器上运行的 KNX 堆栈也可以与Silicon Labs 的 Si4430/31/32设备等收发器一起使用。这些是高度集成的单芯片无线 ISM 收发器,允许射频系统设计人员为应用选择最佳无线部件。Si4430/31/32 是 ISM 无线收发器,可在其指定频段(范围为 240–960 MHz)内连续调谐频率,并受 KNX 支持。1.8-3.6 V 的宽工作电压范围和低电流消耗使它们适合电池供电和能量收集应用。

图 5:Si4430/31/32 无线收发器。
Si4430 中的集成可降低 BOM 成本,同时简化整体系统设计以及低成本微控制器。极低的接收灵敏度 (–121 dBm) 与业界领先的 +20 dBm 输出功率相结合,可确保扩展范围并提高链路性能。内置天线分集和对跳频的支持可用于进一步扩展范围并提高性能。
Si4430 系列提供先进的无线电功能,包括 240–960 MHz 以 156 Hz 或 312 Hz 步进的连续频率覆盖,允许精确调谐控制以及自动唤醒定时器、低电量检测器、64 字节 TX/ RX FIFO、自动数据包处理和前导码检测。所有这些都降低了整体电流消耗,并允许使用低成本的 8 位或 32 位系统 MCU,通过太阳能电池板运行 KNX 堆栈。集成温度传感器、通用 ADC、上电复位 (POR) 和 GPIO 进一步降低了整体系统成本和尺寸。
数字接收架构具有高性能 ADC 和基于 DSP 的调制解调器,它执行解调、过滤和数据包处理以提高灵活性和性能,但 KNX 数据包处理必须由外部微控制器实现。直接数字发射调制和自动 PA 功率斜坡可确保精确发射调制和减少频谱扩展,确保符合全球法规,包括 FCC、ETSI、ARIB 和 802.15.4d 法规。
收发器使用时分双工 (TDD),交替发送和接收数据包,在与微控制器的连接中必须考虑这种方法。该器件使用单变频混频器将 2 级 FSK/GFSK/OOK 调制接收信号下变频至低 IF 频率。在可编程增益放大器 (PGA) 之后,信号由 ADC 转换为数字域,允许在内置 DSP 中执行滤波、解调和切片,从而提高接收器的性能和灵活性。然后,解调信号通过可编程 GPIO 或通过标准 SPI 总线通过读取 64 字节 RX FIFO 输出到系统 MCU。

图 6:将 Si4430 连接到微控制器以处理 KNX 堆栈。
由于发送器和接收器不会同时工作,因此发送和接收模式都使用单个高精度本地振荡器 (LO)。LO 由集成的 VCO 和小数 N PLL 合成器生成。该合成器旨在支持 240–960 MHz 之间任何频率的可配置数据速率、输出频率和频率偏差。发射 FSK 数据直接调制到数据流中,并且可以通过高斯低通滤波器进行整形,以减少不需要的频谱内容。
Si4432 的 PA 输出功率可以在 +1 和 +20 dBm 之间以 3 dB 的步长进行配置,而 Si4430/31 的 PA 输出功率可以在 –8 和 +13 dBm 之间以 3 dB 的步长进行配置。PA 是单端的,可实现轻松的天线匹配和低 BOM 成本。它还结合了自动斜升和斜降控制,以减少不需要的频谱扩展。Si4432 的 +20 dBm 功率放大器还可用于补偿成本较低、性能较低的天线或由于外形尺寸小而受到尺寸限制的天线的性能下降,这两者都是连接中的重要因素照明等小型单位。
Si4430/31/32 设计用于与微控制器、晶体和一些外部组件一起工作,以创建一个成本非常低的系统,如图 6 所示。稳压器集成在片上,允许宽范围工作电源电压范围为 +1.8 至 +3.6 V。标准 4 引脚 SPI 总线用于与运行 KNX 堆栈的外部微控制器通信,并提供三个可配置的通用 I/O。图 6 中的应用专为具有 TX/RX 直接连接配置的系统设计,不使用 TX/RX 开关,用于将使用此配置的低功耗智能家居网络应用。
结论
开放、简化的协议与低功耗、高度集成的射频收发器和微控制器相结合,为智能家居联网设备的开发人员开辟了新的可能性。使用较低频段和 KNX 协议允许设计达到太阳能和其他能量收集技术成为可能的功率水平。这简化了智能家居网络的安装和维护,并有助于提高消费者的接受度。