时间:2022-07-02 10:02
人气:
作者:admin
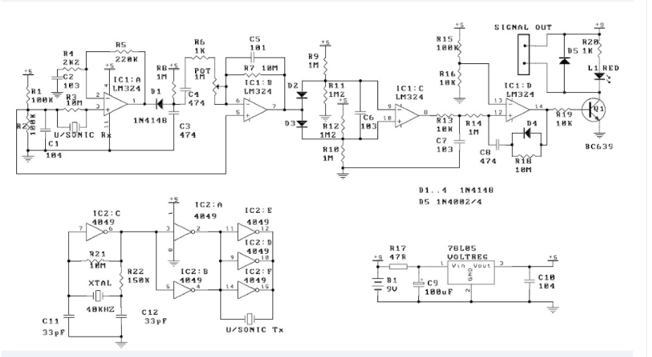
这是一个超声波运动检测器(或运动检测器)电路。要求保护的电路具有高运动灵敏度。当微调器设置在最敏感的位置附近时,即使空气移动(热空气上升,风吹)也会触发它。
发射器以 40kHz 发出稳定的超声波音。在这个频率下,波长约为 6 mm。任何反射的声音都被超声波接收器检测到。然后信号被 IC1:A 和 IC1:B 放大。IC1:A 通过 C2 和 R5 自偏置。第一个放大器的时间常数设置为让 40kHz 信号通过。在第一个和第二个放大器之间有一个负峰值检测器(二极管 D1 和 R8),它遵循 40kHz 信号的包络。如果没有运动,则信封只是一条直线。IC1:B 的时间常数要慢得多,因此它会遵循这个包络线。所有放大器都是交流耦合的,以防止出现直流偏置问题。
然后信号通过窗口检测器 IC1:C 馈送,该检测器检测正脉冲和负脉冲。当没有运动时,引脚 7 的电位处于电源电位的一半,D2 或 D3 都不能导通。引脚 8 的电位很低。如果信号上升,D3 导通,导致输出变高。如果信号下降,则 D2 导通,这也导致输出变高。因此命名窗口检测器电路,因为它检测到低于和高于给定范围的电位。
低通滤波器滤除不需要的杂散信号,然后设置为单稳态触发器的放大器 IC1:D 将通过滤波器的任何信号转换为实质性脉冲以打开 BC639。这会打开 LED 并提供信号输出来驱动单独的继电器或您可能希望向其发送信号的任何其他设备。单稳态触发器的时间常数约为半秒,由 C8 和 R10 设定。D4 用于分离充电和放电时间常数。它可以让电路在检测到运动时立即开启,但允许大约 1/2 秒的复位延迟。
