时间:2022-07-12 14:26
人气:
作者:admin
模拟前端 (AFE),也称为射频前端 (RFFE),是通过集成高速放大器、接收模数转换器 (ADC) 和传输路径数- 模拟转换器 (DAC) 以及不断缩小的高频滤波器设计。AFE 解决方案用于 5G 基站和手机。更具体地说,在 5G 设计中,需要 AFE 来支持多输入多输出 (MIMO) 配置中的多个发射和接收路径 。因此,毫不奇怪,5G 日益增加的复杂性限制了具备开发此类复杂射频子系统专业知识的制造商的数量。然而,与此同时,随着 5G 设计的成熟,越来越多的供应商正在加紧应对 AFE 挑战。这是因为 RF 设计代表了 5G 网络中的巨大机遇,该网络将在微型、微型、微微和毫微微蜂窝设备中部署大量基站,以促进适当的用户覆盖。5G 网络还需要比 2G、3G 和 4G 更高的集成度和小型化,以降低功耗和成本。5G 技术的一个关键方面是其支持物联网 (IoT) 和工业物联网 (IIoT) 应用的能力。AFE 是这种带宽创新的核心。5G 网络中增加的 AFE 带宽不再像以前的蜂窝网络那样只服务于手机;相反,5G 甚至可以用作笔记本电脑和台式电脑的互联网服务。
5G 中的 AFE 设计挑战5G旨在支持更高的数据速率和大流量;除此之外,连接设备的大量增长满足了非常多样化的用例和要求。为了满足无线数据流量容量的巨大提升,频谱效率和重用、更高的速度和更低的延迟是 AFE 设计的主要考虑因素。频谱效率和再利用虽然 6 GHz 以下频谱充斥着多种无线应用,但 6GHz 以上频谱,尤其是毫米波 (mmWave) 频段,因其可用带宽广而备受关注。为了支持在室外区域最具挑战性的毫米波频段传输,AFE 的任务是改善高路径损耗、高氧和 H 2 O 吸收、通过树叶的损耗以及因雨而引起的衰落。 为了克服毫米波频率中所有这些不利的信道特性,延长传输距离并提高服务覆盖范围, 波束成形和波束跟踪 是 AFE 设计中使用的两项最关键的技术。速度速度是 AFE 设计中的另一个关键因素。5G AFE 架构的运行速度高于之前的 2G、3G 或 4G 系统。目前的 5G 系统比4G LTE快十倍 。5G 的最高速度为 10 Gbps——具有达到 20 Gbps 的强大潜力——而 4G LTE 的运行速度为 1 Gbps,3G 的速度为 42 Mbps,2G 的速度为 0.3 Mbps。延迟5G 中的射频前端架构具有新元素,可提供更快的访问速度和低延迟。5G AFE 的延迟比之前的 3G 和 4G 版本重要得多。5G 的最小延迟为 1 毫秒或更短。另一方面,4G 系统的延迟为 50 毫秒到 98 毫秒,3G 系统为 212 毫秒,而 2G 系统则高达 629 毫秒。这就是为什么新的 5G 服务现在使用超可靠低延迟通信 (uRLLC) 功能的原因,这在自动驾驶汽车、机器人控制、工厂自动化和车对一切 (V2X) 通信中的关键任务应用中尤其需要。
迎接 AFE 设计挑战RF 芯片制造商已经通过新的 AFE/RFFE 迎接了这一 5G 设计挑战。这些 AFE/RFFE 中的数据转换器支持毫米波频段中可用的信道带宽,它将为射频架构的通用化打开大门,通过将数字/模拟鸿沟移近天线,这可能会降低射频电路的复杂性。

图 2 AFE7988/89 的功能框图突出了 5G 设计中射频集成的新水平。资料来源: 德州仪器然后是 模拟设备公司 (ADI) 推出的用于大规模 MIMO (M-MIMO) 无线电的AD9081 和 ADR554x射频前端,如图 3所示 。这些 AFE 极大地增加了在多个频段中同时运行的收发器通道的数量,同时将所有必要的硬件压缩到更小的外形中。

图 3 集成双通道架构允许射频设计人员快速扩展其 MIMO 容量以满足 5G 带宽需求。资料来源: Analog Devices Inc.显然,由于需要支持的天线和频段数量众多,以及实现足够覆盖所需的设备数量众多,5G 收发器必须充分利用集成优势来降低功耗和成本(图 4)。

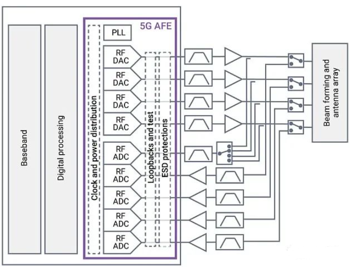
图 4 5G AFE 有四个带有观察通道的 TX/RX 路径。资料来源: 新思科技5G AFE/RFFE 的 RF 采样距离天线越来越近,将简化和缩小无线电外形尺寸并实现更高水平的集成。这反过来又使 5G 的直接射频采样成为基站和智能手机设计中的现实。因此,随着 5G 设计的不断缩小,先进封装和集成 AFE/RFFE 模块化越来越接近现实。接下来,借助 6G 太赫兹频率,我们将在不久的将来看到更小的 AFE 外形。
文章:【射频学堂】翻译整理
上一篇:射频电路设计中50欧姆的来龙去脉
下一篇:简单的220V调光器电路