时间:2022-07-26 17:25
人气:
作者:admin
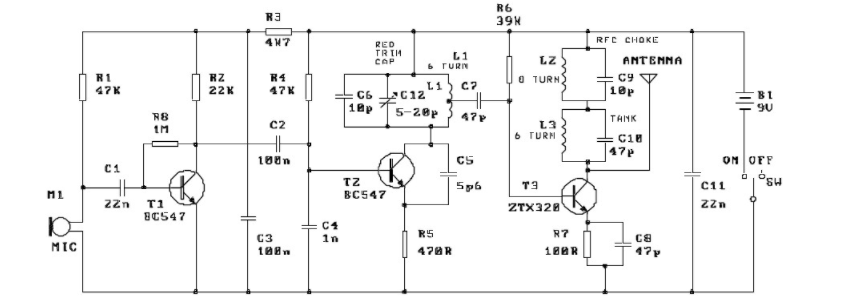
该电路是一个功能强大的三级 9V FM 发射器 (Tx),开放范围可达 1 公里。它在其输出级使用一个射频晶体管,前两级使用两个 BC547”。传输距离主要取决于工作条件(在建筑物内或户外)、使用的天线类型(单线或偶极子)、工作电压(12V 优于 6V)以及电路是否达到峰值最大性能。

组件列表:

该电路基本上是一个工作频率约为 100 MHz 的射频 (RF) 振荡器。由驻极体麦克风拾取和放大的音频被馈送到围绕第一个晶体管构建的音频放大器级。集电极的输出被馈送到第二个晶体管的基极,在那里它通过改变晶体管的结电容来调制谐振电路(L1 线圈和红色微调电容器)的谐振频率。结电容是施加到晶体管T2基极的电位差的函数。储能电路连接在哈特利振荡器电路中。围绕 T3 构建的最后一级放大了输出射频信号。