时间:2010-12-08 10:40
人气:
作者:admin
微功率冲击雷达是国际上近年来发展起来的一种新型高技术雷达,作为超宽带雷达类型的一种,冲激雷达直接发射无载波的基带极窄脉冲,与传统雷达不同的是冲激 雷达系统既不需要对发射信号进行载波调制,也不需要对接收信号进行载波解调,而是发射和接收无载波的极窄脉冲信号,并通过相应的信号处理电路,获得目标信 息。其突出的特点是功率小,寿命长,成本低,用途广。
一般脉冲雷达发射的信号是射频脉冲串,而冲激雷达的发射信号直接是冲激脉冲串。冲击雷达发射和接收超短脉冲来实现距离探测。雷达的距离分辨率正比于发射脉 冲宽度τ,即:距离分辨率d=τc/2,其中c为电磁波在空间的传播速度。通常,冲激雷达发射的是纳秒甚至皮秒量级的超短脉冲,所以,其距离分辨率可达几 到几十厘米。但雷达的穿透性能和高分辨率成像是一对矛盾。由于本文主要研究微功率冲激雷达技术在穿墙生命探测方面的应用,偏重于对墙壁的穿透性能,故选择低频工作频段。微功率短程超宽带雷达可穿透6 m厚的砖墙,天线直径只有45 cm,发射机、接收机只有一部收音机大小。研究表明:在低频段,在1~10 GHz范围的电磁波在穿过混凝土墙壁时衰减很小,随着频率的降低,衰减也在减少。因此,低于10 GHz的频率适合对砖块和混凝土构筑的墙壁穿透探测,在此范围内频率越低穿透性能越好。
1 系统工作原理
微功率冲击雷达探测系统的结构框图如图1所示,此系统主要由脉冲发射机、接收机、信号处理电路和天线组成。
图1中,脉冲振荡器产生脉冲信号,一方面,此信号经过脉冲整形后作为触发脉冲,触发窄脉冲产生电路产生极窄脉冲,并通过宽带天线发射出去,被目标反射的回 波信号传送到接收采样电路;另一方面,脉冲振荡器产生的信号经过延时电路产生窄脉冲作为距离门对接收信号进行选择,接收取样输出的信号,经过积分电路对接 收信号进行积累,再经过放大电路和带通滤波电路检测微弱的目标回波信号,最后经过A/D采集卡送到计算机进行显示和处理,利用数字信号处理技术对探测雷达 波门进行控制。

2 系统硬件电路设计
系统接收信号处理电路设计是微功率冲击雷达接收机实现的基础。其结构框图如图2所示,主要由取样积分电路、可变延迟单元、带通滤波电路和放大滤波电路组成。

2.1 取样积分单元
积分取样电路将接收到的被目标反射的UWB微弱脉冲信号和经过延时后的参考脉冲信号进行相关检测,即取样积分,提高信噪比,然后经过带通 滤波电路和放大滤波电路实现对人体运动信息和生命特征信息的接收和检测。这里可变延迟电路为取样积分电路提供精确的同步参考脉冲信号,它的一个输入是发射 端脉冲信号,另一个输入由接收后端微控制单元的程序精确控制。
2.2 带通滤波器设计
经过取样积分后的信号中,混有高频分量,需要将包含人体运动的上、下截止频率为0.05~10 Hz的信号取出,为接收后端提取出呼吸和心跳信号奠定基础。需设计上、下截止频率为O.05~lO Hz带通滤波器,其电路原理如图3所示。可以看出,所设计带通滤波器在0.05~10 Hz具有较平坦的通频带。

2.3 放大滤波电路设计
放大滤波电路可对UWB冲击雷达的前端输出信号进行放大、滤波,并为人体生命参数检测及距离信息的探测提供硬件平台。针对UWB雷达输出 信号特点,该放大滤波电路设计时必须注意电路的低频响应,电路对弱信号的放大,高倍数放大器的直流偏移量等问题。以上问题中,电路的低频响应可通过精确设 计滤波器的参数来解决。放大弱信号,则电路的放大倍数必须要高,但是放大倍数过大就会使电路产生直流量,使得基线发生漂移或产生失真;在电路中设置阻容耦 合电路,为各级电路的累积直流偏置电压提供泄放回路。
放大滤波电路是根据人体的呼吸率范围(15~20次/min)和心率范围(50~100次/min),经相关检测电路的信号分为两路,分别检测呼吸和心跳 信号,具体结构框图如图4所示。其中放大电路主要包括前置放大电路、中间级放大电路和后级放大电路3部分。滤波电路主要有低通滤波、高通滤波和带阻滤波。 其分别组成0.6 Hz的低通滤波器(CPF)、0.7 Hz的高通滤波器(HPE)及50 Hz的陷波器(BEF)。

放大电路设计时,考虑到提高前级增益,有利于提高电路的共模抑制比,但前级的增益过高后,当输入端引入极低频率的信号、前级“零”点漂移或强信号引入时,易使后级电路饱和而引起“阻塞”现象。因此电路的增益设计如下:前置级放大增益为30 dB,中间级放大增益为10~100 dB,后级放大增益为30 dB,总增益范围为300~30 000 dB。
滤波电路在信号预处理器中起着重要作用,它决定了信号的通频带,同时也具有滤除干扰的作用。
2.3.1 低通滤波器设计
人体的呼吸率和心率都小于10 Hz,因此前级放大器输出信号先通过10 Hz低通滤波器滤除其他干扰信号,后级0.6 Hz的低通滤波器用于检测人体呼吸信号。
该低通滤波电路主要滤除干扰信号,并且要求幅频特性中有最大的平坦区,为此选用四阶压控电压源巴特沃斯But-terworth型滤波器。压控电压源型电 路结构的滤波器特点是使用元件少,对放大器要求不高。在本级电路中,电阻器误差小于0.01%,电容器误差小于O.1%。由于电路中所选电阻值不在电阻序 列之内,故实际电路中,用多个电阻串联以求得到所需的阻值,电路中电容必须经过严格挑选。电路原理如图5所示。10 Hz,0.6 Hz四阶Butterworth LPF电路的元件值如表1所示。


2.3.2 0.7Hz高通滤波器电路
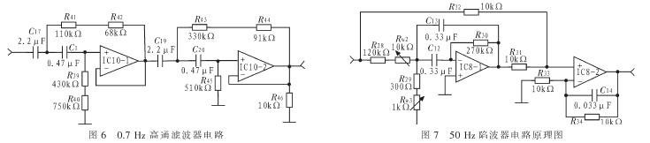
0.7 Hz的高通滤波器用来检测心跳信号,这里采用2个二阶压控高通滤波器串联形成的四阶高通滤波器来构成O.7Hz高通滤波器,其电路如图6所示。

2.3.3 50 Hz陷波器电路
50 Hz陷波器在电路中起着重要作用。在检测过程中,直流电源、周围环境中的输电线路等都会对信号预处理电路产生50 Hz的工频干扰。因此,在电路中加入50 Hz陷波器滤除由其他电路耦合进来的50 Hz干扰信号是非常必要的,其电路如图7所示。50 Hz陷波器的设计要求为:fo=50 Hz;B≤4 Hz;Q≥10。
电路采用50 Hz带通滤波器和加法电路组成,一路经10kΩ电阻进入加法器输入端,一路经增益为-1的50 Hz带通滤波器,经10 kΩ电阻耦合进入加法器输入端。两路信号相加,得到50 Hz陷波器。
3 试验结果
根据前面的设计电路,对0.05~1O Hz带通滤波器、10 Hz和0.6 Hz的低通滤波器、0.7 Hz的高通滤波器及50 Hz的陷波器电路中各元件进行估值并通过MulTIsim仿真且反复调试,并通过电路试验,获得了较为理想的幅频特性,各部分电路的幅频特性测试结果如图 8所示。从图8中可以看出,0.05~1O Hz带通滤波器、10 Hz和0.6 Hz低通滤波器、0.7 Hz的高通滤波器都具有平坦的3 dB通频带,50 Hz陷波器的Q值大于5。

4 结论
本文设计了一种微功率冲击雷达系统接收信号处理电路,给出了各子模块电路的设计原理,以及主要模块的仿真调试结果,仿真结果显示:主要电路,即带通滤波器 和放大滤波器的幅频特性理想。按此仿真结果设计的电路经测试实现了理论设计要求。依据该设计制作的电路具有结构简单、成本低、性能好的特点,在超宽带技术 中具有一定的实用价值。
上一篇:多载波3G收发机的可行性
下一篇:基于双向工频通信的自动抄表系统