全球最实用的IT互联网信息网站!

AI人工智能P2P分享&下载搜索网页发布信息网站地图

当前位置:诺佳网 > 电子/半导体 > RF/无线技术 >

滤波器影象参数法的设计

时间:2006-04-16 18:54

人气:

作者:admin

标签: 电路设计  滤波器和 

导读:滤波器影象参数法的设计-滤波器和衰减器的电路设计...
滤波器和衰减器的电路设计
一、滤波器影象参数法的设计

滤波器是一种典型的选频电路,在给定的频段内,理论上它能让信号无衰减地通过电路,这一段称为通带外的其他信号将受到很大的衰减,具有很大衰减的频段称为阻带,通带与阻带的交界频率称为截止频率,对滤波器的基本要求是:(1)通带内信号的衰减要小,阻带内信号的衰减要大,由通带过渡到阻带的衰减特性陡直上升;(2)通带内的特性阻抗要恒为常数,以便于阻抗匹配。
滤波器的分类如下:
滤波器:1、无源滤波器 2、有源滤波器, 无源滤波器又分为:RC滤波器和LC滤波器,RC滤波器又分为:1 低通RC滤波器 2 高通RC滤波器 3 带通RC滤波器
LC滤波器又分为:1 低通LC滤波器 2 高通LC滤波器 3 带阻LC滤波器 4 带通LC滤波器
有源滤波器又分为:1 有源高通滤波器 2 有源低通滤波器 3 有源带通滤波器 4 有源带阻滤波器
目前滤波器的分析和设计方法有两种:一是影像参数分析法,二是工作参数分析法(又称综合法)。前者设计简单,易于掌握,但这种滤波器的实测滤波特性与理论上的预定特性差别较大,在通带内又不能取得良好阻抗匹配,很难满足对滤波特性精度高的要求;后者是以网络综合理论为基础的分析方法,它选区找出与理想滤波特性相近似的网络函数,然后根据综合方法实现该网络函数,由这种方法设计出来的滤波器,实测的滤波特性与理论预定特性十分接近,所以适合于高精度的滤波器设计要求。
1.RC滤波器[见表一]

表一 RC滤波器
  高通滤波器 低通滤波器 带通滤波器 多级滤波器
电路 (a) (b) (c) (d)





fc≈1/6.28RC fc≈1/6.28RC

fL≈1/[6.28C2(RL+RB)]
fH≈(RL+RB)/6.28C1RLRB

 


fc≈1/3.2RC fc≈1/3.2RC fL≈1/3.2C2(RL+RB)
fH≈(RL+RB)/[3.2C1RLRB
计算实例 已知:fc=10kHz
R=1kΩ
则3分贝的电容值为:
C≈1/6.28fcR
=1/6.28×10×10 ×10
≈0.015μF
已知fc=1kHZ
R=3kΩ
则3分贝的电容值为:
C≈1/6.28fcR
=1/6.28×10×10 ×10
≈0.015μF
已知:fH=200kHz,fL=15kHz
输入阻抗为10,输出阻抗为5kΩ
∵输入端和输出端要阻抗匹配
∴令RL=10kΩ,RB=5kΩ,若按3分贝公式计算,则
C≈(RL+RB)/6.28fHRLRB=(10+5)×10/6.28×200×10×10×5×10=240pF
C2≈1/6.28×15×10×(10+5)10≈680pF
特点 RC滤波器适用于滤除音频信号的一种简单滤波器,由于电容器的电抗随频率升高而减小,所以若串臂接电容C,并臂接电阻R就构成了高通滤波器 低通滤波器的串臂接电阻R,并臂接电容C,由于电容器的容抗随频率升高而减小,所以信号的高频成分不能通过滤波器 fL为下限截止频率,fH为上限截止频率,通常fH>10fL以上,才能避免组合电路之间的显著干扰 由于单级RC滤波器的过滤特性缓慢,若要暗加过滤特性的陡度可使用多级的RC滤波器,由图可见,每增加一级RC滤波器,其截止频率上的分贝衰减量将增加16dB
注明 上述公式的单位是:R、RL、RB为Ω,C、C1、C2、为F,fc、fL、fH为Hz

2.LC滤波器
LC滤波器适用于高频信号的滤波,它由电感L和电容C所组成,由于感抗随频率增加而增加,而容抗随频率增加而减小,因此LC低通滤波器的串臂接电感,并臂接电容,高通滤波器的L、C位置,则与它相反,通常,LC滤波器有两类,一是定K式LC滤波器,二是m推演式LC滤波器。
K式滤波器是指串臂阻抗Z1和并臂阻抗Z2的乘积是一个不随频率变化的常数K。由于K的量纲为电阻,所以又写成K=RZ1×Z2,表二列出四种K式滤波器(低通、高通、带通、带阻)的滤波特性曲线及计算公式。表中a为衰减函数,单位为奈培(Np)或分贝(dB)(1dB=0.12Np)。b为相移函数,单位为弧度,从表中可见:K式滤波器存在两个主要缺点:(1)在通带内影像阻抗Zc随频率变化较大,从而造成阻抗匹配困难,(2)截止频率上的滤波特性不够陡直,要克服这些缺陷,就要采用m式滤波器或采用m式和K式组成的混合滤波器。
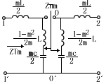
m式滤波器是从K式滤波器演变过来,如图一。若在图(a)K式滤波器的并臂中串入一个与串臂同性质的电抗,促使它的截止频率附近出现串联谐振,由于谐振点处的衰减量趋向无限大,因而使截止频率上的滤波特性陡直地上升。由图(a)K式T型滤波器演变为图(b)的波波器,称为T型串联m式滤波器。同理,也可在K式π型并联m式滤波器
图C是m式低通滤波器的衰减特性。m取值为1,即为原型定K滤波器,m值愈小,则进入阻带后的衰减曲线愈陡直上升,但过无限大衰减频率后衰减却急剧下降,面K式(即m=1)滤波器的衰减特性则随频率的增高而单调上升,若将m式与K式级联使用,取长补短就能就能得到更佳的衰减特性


图 1
图2是将T型串联m式滤波器从O、O′之间劈开两半,从而得到两个半节的T型串联,m式滤波器,。从O、O′两端往左或右看进去的阻抗均为Z′πm,Z′πm称为倒L型串联m式滤波器的影像阻抗。图3示出Z′πm随频率变化的情况,当m=0.6时,Z′πm在通带内基本上恒为常驻数而倒L滤波器的联滤波器的首尾两边,就能使滤波器与信号源及负载得良好的阻抗匹配。

图2

图3
温馨提示:以上内容整理于网络,仅供参考,如果对您有帮助,留下您的阅读感言吧!
相关阅读
本类排行
相关标签
本类推荐

CPU | 内存 | 硬盘 | 显卡 | 显示器 | 主板 | 电源 | 键鼠 | 网站地图

Copyright © 2025-2035 诺佳网 版权所有 备案号:赣ICP备2025066733号
本站资料均来源互联网收集整理,作品版权归作者所有,如果侵犯了您的版权,请跟我们联系。

关注微信