全球最实用的IT互联网信息网站!

AI人工智能P2P分享&下载搜索网页发布信息网站地图

当前位置:诺佳网 > 电子/半导体 > RF/无线技术 >

正弦振荡电路

时间:2006-04-16 18:54

人气:

作者:admin

标签: 振荡电路  正弦振荡 

导读:正弦振荡电路- 正弦振荡电路...
正弦振荡电路
电子工程中,常常用到正弦信号,作为信号的源的振荡电路,主要的要求是频率准确度高、频率稳定性好、波形失真小和振幅稳定度高等,但对高频能源的振荡电路有以下几种:
(1)LC振荡电路:它适用于几十千赫至几百兆赫的频率范围(高频率和超高频)
(2)RC振荡电路:适用于声频和超声频范围(从几赫至1赫)
(3)晶体振荡电路:用于生产频率稳定度较高的振荡电路,频率低于3千赫时常用音叉振荡电路代替,而频率高于几十兆赫时常用泛音晶体振荡电路,随着集成化技术的发展,已有多种晶体振荡器集成电路,如国产的ZWB-1和ZWB-2型等。
相位和振幅平衡条件:
反馈式的振荡电路主要是由基本放大器和反馈网络组成,如图91所示,因此,振荡电路实际上是一个闭环的正反馈电路,其闭环增益为:
Kf=Uf/Ui=KF=
要使电路产生振荡,则必须反馈电压Uf和输入电压Ui同相,所以本位平衡条件为
Φkf=2nπ------------------------------------式一
(n=0,1,2,........
而且,要求|Uf|≥|Ui|,所以振幅平衡条件为:
KF≥1-----------------------------------------式二
如果满足了这两个平衡条件,则电路产生振荡,由于振荡器的晶体管工作在非线性区域,所以包含了丰富的谐波成分,而只有某一频率才能满足上述的两个平衡条件,从而产生了单一频率的正弦振荡。

图1

图2
一、变压器反馈式振荡电路
图2(a)为变压器反馈振荡电路,其正反馈过程是:若输入Ui为上正下负,对于振荡频率,回路谐振的并联阻抗为电阻性,所以输出电压Uo与Ui反相,即Uo为上负下正,由于同名端决定了Uf为上正下负,Uf正好与Ui同相,只要晶体管的β足够大和变压器的匝数比合适,电路一定能够振荡,还可以证明电路的起振条件和振荡频率分别为:
β≥rbeRC/M------------------------式3
f≈1/2π-----------------------式4
式中:rbe为基极与射极度之间的交流等效电阻,R为次级折算到初级的等效电阻,M为互感系数。
二、三点式振荡电路
1、三点式电路相位条件的判别法
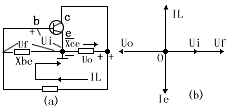
图3(a)为三点式振荡器的交流等效电路,从相平衡条件可以推论出:凡与晶体管发射极相接的电抗Xbe、Xce应性质相同,而不与发射极连接的另一电抗元件,Xcb的性质应与前两者相反。
可以从相量图来检查上述结论的正确性,设Xbe、Xce为容性,Xcb为感性;因振荡时回路谐振于振荡频率,回路呈电阻性:所以Uo、Ui反相及Ic、IL反相;又因Xbe、Xce为容性,故IC比UO超前90度。因Xcb为感性,所以Uf比IL滞后90度,其相量图如图3(b)示,从图可见,Uf与Ui同相,上述结果得到证明。


图3

图4
2、电容三点振荡电路(考毕兹电路)
图4(a)为三点振荡电路及其交流等效电路,从图4(b)看出,与发射极相接为电容,集电极与基极之间接电感,服从于共射三点振荡电路对电抗性的要求,故能振荡,该电路的起振条件和振荡频率为:
β≥C2/C1----------------------------------式5
f≈-(1)/--------------------------式6
一般反馈系数F=C1/C2取0.5-0.01之间,由于该电路的输入端接电容,而容抗又随频率增加而减小,所以输入电压中的高次谐波分量将明显地受到抑制,使输出波形良好,该电路的缺点是:用调节电容来改变频率时,会使反馈系数改变,所以通常用改进型的电容三点振荡电路。
温馨提示:以上内容整理于网络,仅供参考,如果对您有帮助,留下您的阅读感言吧!
相关阅读
本类排行
相关标签
本类推荐

CPU | 内存 | 硬盘 | 显卡 | 显示器 | 主板 | 电源 | 键鼠 | 网站地图

Copyright © 2025-2035 诺佳网 版权所有 备案号:赣ICP备2025066733号
本站资料均来源互联网收集整理,作品版权归作者所有,如果侵犯了您的版权,请跟我们联系。

关注微信