| 一、宽频放大器的主要性能指标 | (1)通频带△f由定义知△f=fH-fL,通常下限频率fL≈O,△f≈fHo,因此放大器通频带的扩展是设法增大上限频率fH数值。 (2)中频电压放大倍数KO:它的定义中频段的输出电压UO与输入电压Ui之比。 (3)增益与带宽乘积KO△f存在矛盾,即增大△f就会减小KO,反之则反,所以要用两者之积才能更全面地衡量放大器的质量。KO△f越大,则宽频放大器的性能就越好, (4)上升时间ts:它定义为脉冲幅度从10%上升至90%所需时间,放大器的高频特性越好,则上升时间ts越小。 (5)下降时间tf:它的定义为脉冲幅度从90%下降至10%所需时间, (6)上冲量δ:超过脉冲幅度的百分数, (7)平顶下降量△:脉冲持续期内,顶部下降的百分数,放大器低频特性越好,平顶下降量越小。 |
| 二、扩展通频带的方法和电路 | | 通常使用扩展频带的方法有三种:(1)负反馈法,在电路中引入负反馈,并使负反馈量高频时比低频时小,以补尝高频时输出电压减小的损失,这种方法是在不损坏失低频增益下进行补尝,但它的幅频特性却开不平坦,使输出脉冲波出现上冲;(3)利用各种接地电路的特点进行电路组合,以扩展放大器的通频带,下面介绍扩展带的电路 |
1、电压并联负反馈电路 图1是电压并联负反馈电路,这种电路主要补偿晶体管集-基结电容CC、输出电容CO及电流放大倍数β随频率升高而引起放大器增益下降的作用,因为,低频时CO的容抗较小,使UO减小。攀?潢摲牥?????师?所以,负反馈量也减小,使高、低频放大倍数基本一致,若RF取值与CC在高频时容抗相当,则CC只能在高频上起作用,把上限频率扩展 |
 图1
|  图2 |
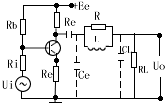
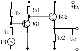
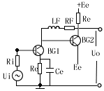
2、电流串联负反馈电路 图2是电流串联负反馈电路,这种电路只能补偿因β减小而造成的损失,但不能补偿CO的作用,只适用于分布电容小的场合,因为,负返馈量取决于ReLe低频时β大,所以Ie 也大,引入负反馈也较大,而高频时,由于β↓Ie减小使负反馈量也减小,从而补偿了因β↓而使增益下降的损失。 3、电抗元件补偿电路 图4是电抗元件补偿电路,图中Ce约为几个皮法至几十个皮法,低频时其容抗甚大于,Reo由Re,引入较大的负反馈量,高频时Ce容抗变小,使发射极的反馈总阻抗变小,相应的高频负反馈减弱了。这就更有效地补偿β的下降,最佳补偿条件为:(3-5)ReCe=(0.35/△f 通过调整ReCe数值,可以同时补偿β↓及Co的作用,当CoRe较小时,按最佳条件选ReCe即可。若Co较大时,应由调整确定, 4、并联电感补偿电路 图5为并联电感补偿电路,从交流观点看,L与输出负载并联,故称并联电感补偿。由L与[Co+CL]组成回路,高频时产生谐振。由于谐振阻抗大,故补偿了β↓使入大倍数减小的作用,通常按下式选择电感 L=0.4RL(CL+CO) 5、串联电感补偿电路 图5为串联电感补偿电路,图中L与RL串联称为电感串联补偿。L与CC及CL组成谐振回路,补偿效果不如并联电感补偿法好。 6、串、并联电感补偿电路 图6为串、并联电感补偿电路,图中C1、C2、C3分别为晶体管集电极电容及电路输出端的分布电容,电感L1和L2可以由下式选择 L1=[(1/2)+(C1/C2)]L2 L2=[(1/2)+(C3/C2)]L0 LO=RC/2π△f 由于L1、L2有二次谐振机会,使通频带有较大的扩展。 7、电容和电感的混合补偿电路 图7为电容和电感的混合补偿电路,电路由BG1和BG2两级组成,其中BG2的集-基之间由RF和LF实现并联电压负反馈。高频时LF感抗增大使负反馈量减小,从而补偿了高频时输出电感受的下降,这种电路的输入、输出阻抗很低,故能承受较大容性负载,使频宽大大扩展。BG1和BG2实现电容的补偿,以抵销频时攀?潢摲牥?????师?β↓的作用。由于BG2输入阻抗小,BG1集电极交流负载减小,使BG1输入电容也减小,所以BG1放大级频响更好, 8、共射、共集组合电路 图8共射、共集组合电路,图中BG2是共集电路,具有输入阻抗高,输入电容小的优点,它接于BG1共射电路后面,可以减轻后级输入电容对前级的影响。与共射-共射电路相比,它具有更好的频响特性。又由于共集电路输出阻抗低,可以承受较重的负载,输出电容对频响特性影响小, 由于共集电路本身的频率特性较好,所以共射-共集电路的频响声基本上决定于共射电路,这种电路适用于放大器的末级。 9、共射、工会基组合电路 图9为共射、共基电路,图中BG2共基电路的输入阻抗小,一般在几欧至十几欧范围,它作为BG1共射电路后级,当BG1集电极存在有分布民容时,对电路的频响的影响较小。所以比共射-共射电路的通频带有较大的扩展 这种电路总的带宽增益不积不及共射-共集电路,但共射-共基电路应用在多级电路中,不易产生寄生振荡。适用于较高频的宽带放大器。 |
 图9 |
温馨提示:以上内容整理于网络,仅供参考,如果对您有帮助,留下您的阅读感言吧!
相关阅读
本类排行
相关标签
本类推荐
|