阅读全文2010-10-26
阅读全文2010-10-26
阅读全文2010-10-26
阅读全文2010-10-26
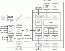
ATA5830构成的低功耗UHF ASK(FSK)RF收发方
阅读全文2010-10-26
阅读全文2010-10-25
阅读全文2010-10-25
阅读全文2010-10-24