时间:2025-05-21 09:42
人气:
作者:admin
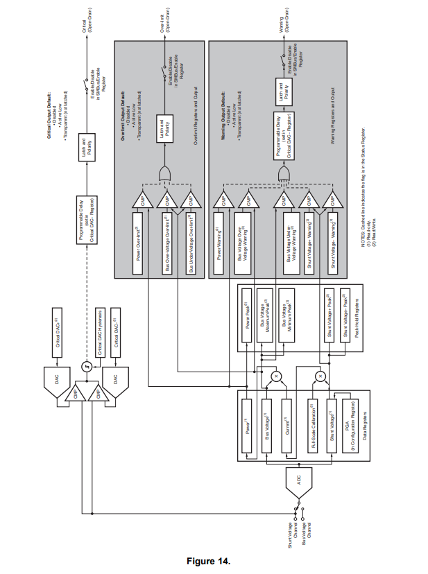
INA209是一款具有I2C接口的高压侧电流分流器和功率监测器。INA209监测分流压降和分流母线电压。可编程校准值与内部乘法器相结合,可以直接以安培为单位读数。额外的乘法寄存器以瓦特为单位计算功率。INA209具有两个独立的板载看门狗功能:警告比较器和超限比较器。警告比较器可用于监测警告下限,并包含用户定义的延迟。超限比较器有助于监测可能需要立即关闭系统的上限。
数据手册:*附件:INA209 具有模拟比较器的 26V、12 位、I2C 输出电流 电压 功率监控器技术手册.pdf
INA209还包括一个模拟比较器和一个可编程数模转换器(DAC),它们结合在一起,为电流过载条件提供最快的响应。
INA209可以与已经使用电流感测电阻器的热插拔控制器一起使用。INA209满标度范围可以选择在热插拔控制器感测限制范围内,或者足够宽以包括它们。
INA209能够感应到从0V到26V不等的总线上的分流器。该设备使用单个+3V至+5.5V电源,最大消耗1.5mA的电源电流。它规定在-25°C至+85°C的温度范围内运行。
特征
检测从0 V到+26V的公交车电压
报告电流、电压和
权力;储存峰值
三重看门狗限制:
延迟较低警告
上限,无延误
快速模拟临界
高准确度:超温最高1%
引脚功能和配置
典型特性
功能方框图
应用
服务器
电信设备
汽车
电源管理
电池充电器
焊接设备
电源
测试设备
龙腾半导体SGT MOSFET LSGT085R018在智慧农业无