时间:2025-05-21 09:53
人气:
作者:admin
LMP7300是一款组合比较器和参考,具有精确阈值检测的理想规格。精度为2.048-V的参考电压最大误差为0.25%。该比较器具有微功率(35µW)、低偏移电压(最大0.75mV)和独立可调的正负磁滞。
数据手册:*附件:LMP7300 具有可调节迟滞功能的精密微功耗单路比较器技术手册.pdf
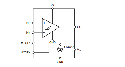
比较器的滞后控制是通过两个外部引脚实现的。HYSTP引脚设置正磁滞,HYSTN引脚设置负磁滞。比较器设计隔离了VIN源阻抗和可编程磁滞元件。这种隔离防止了任何不希望的相互作用,使IC在电平检测期间保持精确的阈值电压。
低偏移电压、外部滞后控制和精密电压基准的结合提供了一种易于使用的微功率精密阈值检测器。
LMP7300集电极开路输出是混合电压系统设计的理想选择。输出电压上轨不受VCC的约束,可以拉到VCC以上,最高可达12V。LMP7300是LMP精密放大器家族的成员。
功能
(For Vs = 5 V,典型值,除非另有说明)
电源电流13 μ A
传播延迟4 us
输入失调电压0.3 mA
CMRR 100分贝
PSRR 100分贝
阳性和阴性滞后对照
可调滞后1 Mb/Mb
参考电压2.048 V
参考电压准确度0.25%
参考电压源电流1 mA
宽电源电压范围2.7 V至12 V
工作温度范围环境-40 ' C至125 ° C
引脚功能和配置
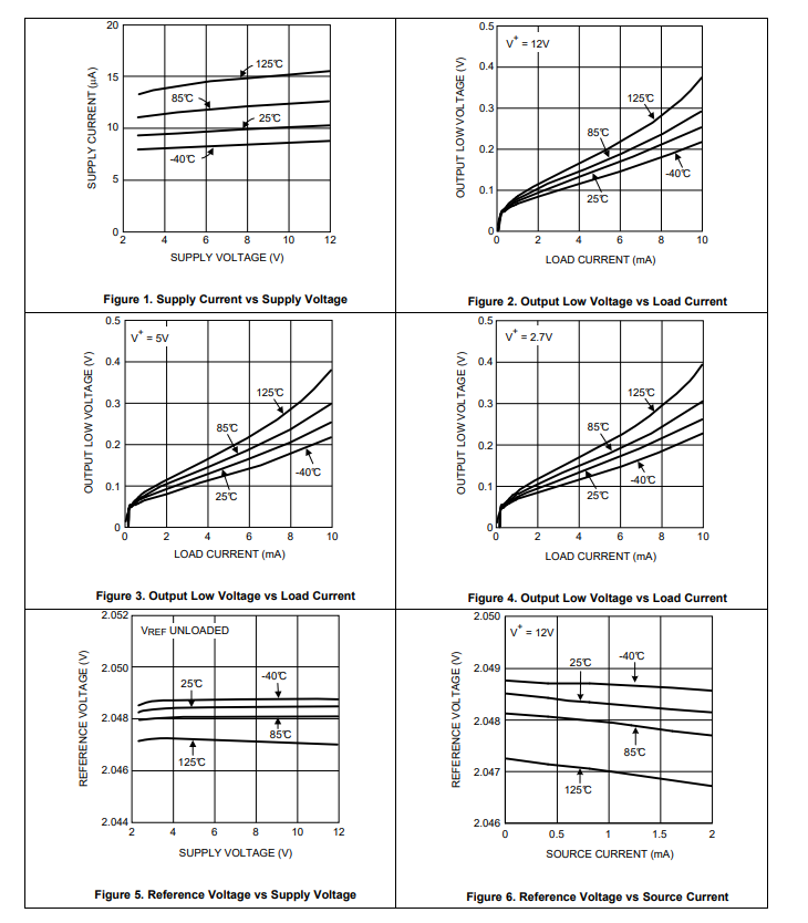
典型特性
功能方框图
应用
精确阈值检测
电池监测
电池管理系统
过零探测器
龙腾半导体SGT MOSFET LSGT085R018在智慧农业无