时间:2025-05-21 11:50
人气:
作者:admin
LOG114 专为测量通信、激光、医疗和工业系统中的低电平和宽动态范围电流而设计。该器件会计算输入电流或电压相对于参考电流或电压(对数跨阻放大器)的对数或对数比率。
数据手册:*附件:LOG114 具有 2.5V 基准电压和非限定输出运算放大器的精密高速对数放大器技术手册.pdf
无论是在双极性 (±5V) 还是单极性 (5V) 电源下,都能在宽动态范围的输入信号下实现高精度。片上集成了特殊的温度漂移补偿电路。在对数比应用中,信号电流可能来自高阻抗源,例如光电二极管或与低阻抗电压源串联的电阻器。参考电流由与精密内部电压基准、光电二极管或有源电流源串联的一个电阻器提供。
VLOGOUT 处的输出信号具有每输入电流数量级 0.375V 的比例因子,这对输出进行了限制,使其能在 5V 或 10V 的范围内。可以使用可用的附加放大器之一对输出进行缩放和偏移,从而匹配各种 ADC 输入范围。稳定的直流性能支持其在宽温度范围内精确测量低电平信号。LOG114 的额定工作温度范围是 - 5°C 至 75°C,并且可以在 - 40°C 至 85°C 的温度下工作。
特性
• 优势:
– 对于高密度系统来说体积小巧
– 单电源下实现高精度
– 跨越八个数量级的快速响应
– 经过全面测试的功能
• 两个缩放放大器
• 宽输入动态范围:八个数量级,100pA 至 10mA
• 2.5V 基准电压
• 温度稳定性好
• 低静态电流:10mA
• 双电源或单电源:±5V,5V
• 封装:小巧的 QFN-16 (4mm × 4mm)
• 额定温度范围:-5°C 至 75°C
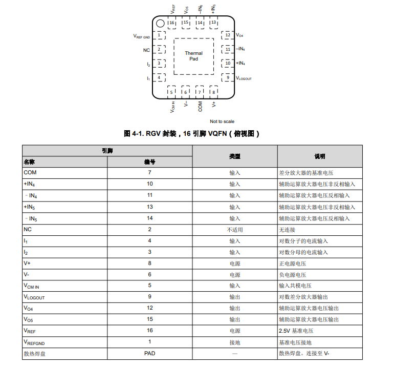
引脚功能和配置
典型特性
功能方框图
应用
• Onet 掺铒光纤放大器 (EDFA)
• 激光光密度测量
• 光电二极管信号压缩放大器
• 对数,对数比函数
• 模数转换器 (ADC) 前的模拟信号压缩
• 吸光度测量
龙腾半导体SGT MOSFET LSGT085R018在智慧农业无