时间:2025-05-30 14:33
人气:
作者:admin
在电力电子领域,当多个SiC MOSFET模块并联时,受器件参数、寄生参数等因素影响,会出现动态电流不均的问题,制约系统性能。本章节带你探究SiC MOSFET模块并联应用中的动态均流问题。
1动态均流
MOSFET模块并联的动态均流是指在多个MOSFET模块并联工作时,在开关转换过程中(即开通、关断的过程),使各个MOSFET模块之间的电流能均匀分配。
1.1 动态不均流产生的原因
器件参数离散性:制造工艺的差异使得SiC MOSFET的通态电阻RDS(on)、阈值电压VGS(th)、栅极电容Ciss、Coss等参数存在离散性,在开关过程中,这些参数差异会导致动态电流不平衡。
寄生参数影响:栅极驱动、主回路寄生参数(如杂散电感Ls)等因素,也会导致动态电流不平衡。
温度:局部温度差异通过影响SiC MOSFET的电气特性影响均流。温度会影响SiC MOSFET的阈值电压VGS(th),如第18讲《SiC MOSFET的动态特性》图1所示,温度升高时,阈值电压VGS(th)会降低,导致高温的器件率先开通。另外,温度会影响器件内部载流子寿命和迁移率,从而导致其开关时间差异,进而影响动态过程中的电流均衡。
1.2 动态不均流的影响
器件损耗不均衡:动态不均流问题会使各并联MOSFET模块通过的电流不一致。电流大的器件通态损耗和开关损耗增加。
降低系统可靠性:动态不均流问题使部分器件承受较大的电流应力和热应力,容易引发器件的故障。
限制系统性能提升:为了避免因动态不均流问题导致器件损坏,电路设计时往往需要降额使用,或者选择额定电流较大的SiC MOSFET模块,或者降低电路的工作频率、输出功率等。这在一定程度上限制了系统性能的提升,无法充分发挥SiC MOSFET模块的优势,不利于实现系统的小型化、高效化设计。
产生电磁干扰:动态电流不均衡可能会导致电路中的电流波形出现畸变,产生高频谐波分量。
2解决动态不均流的方法
在SiC MOSFET模块并联应用中实现动态均流需要考虑多方面因素,以下从器件选择、电路布局设计、驱动电路设计、散热处理等维度作简要介绍:
1)器件选择与筛选
参数一致性:挑选并联应用的SiC MOSFET模块时,要确保关键参数,如阈值电压、跨导等的一致性。这些参数的差异会直接影响模块的开关特性和电流分配,参数离散性越小,越有利于实现动态均流。一般来说,同一批次的模块电气性能比较接近,因此,在选择并联的模块时,通常选用同一批次的模块。
2)电路布局设计
对称布局:采用对称的电路布局,使各并联模块到电源、负载以及驱动电路的路径长度和寄生参数尽可能一致,让每个模块的功率回路和驱动回路具有相似的电气特性,减少因布局差异导致的动态均流问题,如第21讲《SiC MOSFET模块的并联-静态均流》图2、图3所示,经过调整布局布线,可以使流过各器件的电流基本保持相同。
3)驱动电路设计
驱动信号一致性:驱动信号的差异会导致模块的开关时间不一致,从而影响动态均流。可以采用一个驱动核来驱动并联的模块,并且使每个栅极驱动回路阻抗尽可能接近。
驱动能力匹配:驱动电路的输出能力要与模块的要求相匹配,驱动能力不足会导致开关速度变慢,增加开关损耗,影响动态均流性能。
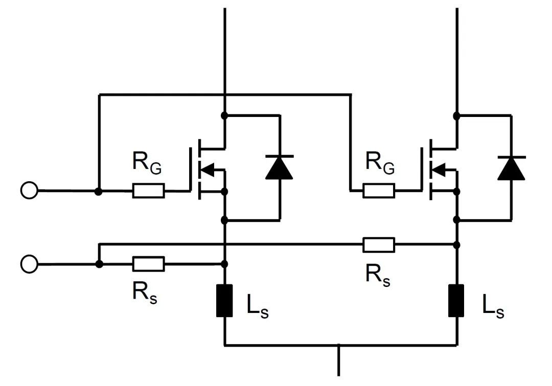
推荐每个并联模块使用独立的栅极电阻,如图2所示,可避免栅极振荡。

图1:集中栅极电阻

图2:独立栅极电阻
推荐在栅极驱动的源极环路中加入一个小电阻(如0.1欧姆)或者铁氧体磁珠,可以抑制源极环路电流,因为该环路电流会影响并联器件的瞬态栅极电压,导致不一致的开关速度,影响动态均流。如图4所示。

图3:源极环路电流

图4:限制源极环路电流的措施
4)散热设计
确保各并联模块能够均匀散热,避免因温度差异导致的SiC MOSFET动态参数差异,影响动态均流。
正文完
<关于三菱电机>
三菱电机创立于1921年,是全球知名的综合性企业。截止2025年3月31日的财年,集团营收55217亿日元(约合美元368亿)。作为一家技术主导型企业,三菱电机拥有多项专利技术,并凭借强大的技术实力和良好的企业信誉在全球的电力设备、通信设备、工业自动化、电子元器件、家电等市场占据重要地位。尤其在电子元器件市场,三菱电机从事开发和生产半导体已有69年。其半导体产品更是在变频家电、轨道牵引、工业与新能源、电动汽车、模拟/数字通讯以及有线/无线通讯等领域得到了广泛的应用。
龙腾半导体SGT MOSFET LSGT085R018在智慧农业无