时间:2025-05-16 11:09
人气:
作者:admin
TI 的 LMV83x 器件是 CMOS 输入、低功耗运算放大器 IC,可提供低输入偏置电流、−40°C 至 125°C 的宽温度范围以及出色的性能,这些特性使其成为稳定可靠的通用器件。此外,LMV83x 具有抗电磁干扰 (EMI) 功能,能够最大程度地降低任何干扰,从而使其成为 EMI 敏感型 应用的理想之选。
数据手册:*附件:LMV831 单路、5.5V、3.3MHz、64mA输出电流、低噪声运算放大器技术手册.pdf
单位增益稳定的 LMV83x 具有 3.3MHz 的带宽,同时每通道仅消耗 0.24mA 的电流。这些器件还对高达 200pF 的电容负载保持稳定。LMV83x 在功耗和空间利用方面具有卓越的性能和经济性。
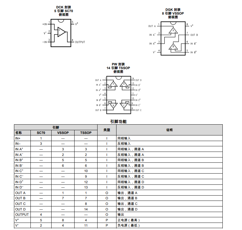
该系列器件具有 1mV 的最大输入偏移电压、轨至轨输出级以及包括接地端在内的输入共模电压范围。在 2.7V 至 5.5V 的工作电压范围内,LMV83x 可提供 93dB 的 PSRR 和 91dB 的 CMRR。LMV831 采用节省空间的 5 引脚 SC70 封装,LMV832 采用 8 引脚 VSSOP 封装,LMV834 采用 14 引脚 TSSOP 封装。
特性
• 除非另有说明,否则
TA = 25°C 时的典型值为 V

典型特性
功能方框图
典型应用
应用
• 光电二极管前置放大器
• 压电式传感器
• 便携式/电池供电类电子设备
• 滤波器和缓冲器
• PDA 和手机配件
龙腾半导体SGT MOSFET LSGT085R018在智慧农业无