时间:2025-06-03 13:48
人气:
作者:admin
激光二极管的特性、使用注意事项和驱动电路设计
激光二极管(半导体激光器,LD)是一种将电能转换为高功率光能的半导体,具有相干性高、光谱宽度窄和方向性强的发光特点,被广泛应用于通信、医疗、工业切割和焊接等众多领域,但需要注意过电流、静电和发热问题。在驱动电路设计时要求恰当的电流控制和热管理,因此建议引入激光二极管保护电路和冷却系统。本文总结了使用激光二极管时需要了解的注意事项等内容。
激光二极管的特性
首先,我们介绍一下激光二极管的基本特性,然后介绍产品规格书中用于表示特性的术语和符号,最后介绍封装内部的电路结构,在选用激光二极管时可作为参考。
激光二极管的基本特性
1. 光输出功率Po
这是激光二极管最基本的特性。光输出功率Po是指一定大小的电流正向流过激光二极管时输出的光功率大小,单位为[W]。这种关系用曲线图表示时被称为“I-L特性曲线”(光输出功率-正向电流特性曲线)。从I-L特性曲线可以看出,流过一定电流时获得的光输出功率会随着温度升高而降低。换言之,温度越高,获得既定光输出功率所需的电流就越大。
从下述示例中可以看出,25℃时获得5mW光输出功率所需的电流为30mA,而在70℃时,获得相同光输出功率所需的电流为44mA。
例:RLD65NZX2

激光二极管的光输出功率大小因产品而异,目前已实现量产的功率范围为几mW~几百W。根据应用领域合理地选择所需光输出功率的激光二极管光非常重要。
2. 振荡波长λ(振荡光谱)
波长是用频率表示从激光二极管辐射出的光的颜色的指标,也是实际使用激光二极管时的一个重要特性。波长的单位为nm(纳米),光的波长越短越接近紫外线(UV)或蓝光,波长越长越接近红外线(IR)。
在激光二极管中,特定波长不同,通信的电波特性以及对特定物质的吸收和反射率等也不尽相同,因此需要根据其使用用途选择与其特性相匹配的波长。
另外,使用时需考虑振荡波长的温度依赖性和光输出功率依赖性。当芯片结区(有源层)温度升高时,谐振腔的长度发生物理延长,折射率增大,因此随着光输出功率的增加,壳体温度升高,振荡波长会呈现变长的趋势。

3. 远场图(FFP:Far Field Pattern)
虽然激光通常被认为是笔直的平行光束,但实际上激光二极管振荡产生的光束是存在发散性的。辐射到离激光二极管的芯片端面足够远的地方的光的强度分布称为“远场图”。
激光的光束并不都是直线光,而是会因衍射而在传播过程中发散开来。由于芯片内的谐振腔(有源层和条形电极)的垂直方向是以数十nm级、水平方向是以数μm级制作而成,因此一般来说,远场图在有源层上的垂直方向比水平方向要大。


激光二极管特性的定义
●Absolute Maximum Ratings(绝对最大额定值):
绝对最大额定值是指在任何外部条件下即使是瞬间也决不能超过的值。按照壳体温度Tc=25℃时的数值进行规定。
●光输出功率[Po(max.)]:
连续工作时的最大允许输出功率。在光输出功率-正向电流特性曲线图中,到达该光输出功率之前不会出现扭折(弯曲)。(图1)

●反向耐压(Vr):
在产品上施加反向偏压时的最大允许电压。激光二极管和光电二极管是分别规定的。
●工作温度(Topr):
产品工作时允许的环境温度,是按照产品的壳体温度进行定义的。
●存储温度(Tstg):
产品存放时允许的环境温度。
●Characteristics(电气特性和光学特性):
表示在Conditions所述条件下驱动激光二极管时的特性。
●阈值电流(Ith):
图2中A为自发辐射区,B为激光振荡区。激光振荡开始时的电流值即为阈值电流。激光振荡区的电流-光输出功率直线的延长线与X轴的交点定义为Ith。
●工作电流(Iop):
输出既定光输出功率时所需的正向电流。
●工作电压(Vop):
输出既定光输出功率时的正向电压。
●微分效率(η):
单位驱动电流所对应的光输出功率的平均增量。表示激光振荡区内的正向电流与光输出功率直线的斜率。(图2)

●监控电流(Im):
向监控光电二极管施加既定的反向电压的条件下,输出既定光输出功率时该光电二极管的输出电流值。
●水平发散角(θ//)和垂直发散角(θ⊥):
从激光辐射出的光束是像图3一样发散的。当在平行于结平面的方向(x方向)和垂直于结平面的方向(y方向)上测量该分布时,其结果如图4所示。该分布中峰值强度的1/2处的发散宽度(半值全角)称为“θ//”和“θ⊥”,按角度进行定义。

图3:辐射特性

图4:辐射特性
●水平方向光轴偏移量(Δϕ//)和垂直方向光轴偏移量(Δϕ⊥):
表示相对于基准面的光轴偏差。水平和垂直方向的发散角分布(图4)均按(a-b)/2进行定义。(图5)

图5:光轴偏移量
●发光点位置(ΔX,ΔY,ΔZ):
表示发光区域的位置偏差。ΔX和ΔY表示相对于封装中心的偏差,ΔZ表示相对于基准面的偏差。(图6)

图6:发光点位置
●振荡波长(λp):
输出既定光输出功率时的峰值振荡波长。振荡光谱存在如图7所示的单模和多模两种类型,其中多模是按光谱中的最大光强的波长进行定义的。

图7:振荡光谱的特性
●功率转换效率(PCE):
衡量电能能够多高效地转换为光能的指标
●像散差(As):
指激光二极管发出的光在垂直方向和水平方向的不同位置形成焦点的现象。这2个焦点间的距离定义为像散差(Astigmatism,As)。像散差可能对激光光束的质量和形状有很大影响,因此必须将该值控制在最小范围内。

激光二极管封装的内部结构和电路
激光二极管封装的内部结构可分为内置光电二极管型和不内置光电二极管型两种。光电二极管用于监测激光二极管的光输出功率以使其保持恒定。
以3pin封装为例,ROHM将从激光二极管封装顶部(激光光束发射的方向)俯视时的引脚按顺时针方向依次标记为1、2和3号。其中3号引脚作为激光二极管和光电二极管的共用引脚,通常被称为“公共引脚”。
【3pin封装的示例】

不同产品的激光二极管和光电二极管的极性(封装内部电路)存在差异。ROHM激光二极管的型号结构如下所示,其中从左起第6个字符表示极性。

激光二极管使用注意事项
激光二极管是非常精密的器件,使用时有一些注意事项。其中特别重要的几点是不能超过绝对最大额定值、需采取浪涌电流保护措施和静电防护措施(ESD)、需通过引入适当的冷却系统进行温度控制以及针对高功率光束的安全措施。使用激光二极管时需注意以下几点以确保安全使用。
绝对最大额定值
激光二极管若在超出最大额定值的条件下工作,会造成其瞬间损坏或性能下降,从而大大降低产品的可靠性,因此需确保即使在瞬时也不得超出规定的最大额定值。
(1)电源开关通断时产生的浪涌电流可能导致器件损坏。使用时必须检查电源瞬态特性,确保浪涌电流水平不超过最大额定值。
(2)最大额定值是按照壳体温度25℃时的数值进行规定的。随着温度升高,最大光输出功率及允许功耗会降低,导致工作范围受限。因此请基于额定值进行设计。
静电和浪涌防护措施
激光二极管具有在受到静电等浪涌电流时容易发生光学灾变损伤(COD*)的特性,因此,与其他普通的分立器件产品相比,其静电耐受能力(ESD*等级)非常低,需格外小心地使用。当正向浪涌流入激光二极管时,过高的光密度会集中于发光区域而造成过度发光,从而损坏发光区域和输出腔面,导致发光效率降低或完全停止工作。COD一旦发生就无法再获得破坏前的光学性能,是一种严重的、永久性的损伤。这可能在短时间内发生,因此预防措施非常重要。
*ESD:Electro Static Discharge的缩写,意思是静电放电
*COD:Catastrophic Optical Damage的缩写,表示腔面发生的光学性损伤。

预防COD的要点
激光二极管静电损坏的原因多为“人体产生的静电”或“设备电源开关时的尖峰电压”引起的浪涌电流冲击。在使用激光二极管时,请采取以下防护措施:
作业环境
将设备和电路接地(确保噪声不会通过地线进入),并在每个电源输入端采取噪声滤波器和噪声消除变压器等浪涌静电防护措施。
作业人员
作业人员必须穿戴防静电工作服、工作帽和工作鞋。尤其是操作过程中必须佩戴防静电手环,并通过1MΩ的高电阻将身体接地。
搬运和储存容器
使用经过防静电处理的容器。
其他
电源开关时若产生过大的尖峰状浪涌电流,会导致激光器受损,造成性能劣化,需特别注意。
避免在类似荧光灯启辉器的设备附近使用。(因为在产生高频浪涌的设备附近,感应浪涌可能导致激光器性能劣化或损坏)

高温对策(散热)
激光二极管与常规半导体一样,长时间通电后结区会发热,导致器件温度上升。若散热不足,壳体温度升高会造成光输出功率降低,因此为维持既定的光输出功率必须注入更多的电流。正向电流的增加会引起壳体温度进一步升高,形成正向电流进一步增大的恶性循环。
因此请在激光二极管的底座部位紧密贴附铝等材料的散热板(尺寸30x30x3mm以上)再使用。
安全保障
激光二极管发射的光束若使用不当,可能会对人体造成影响,非常危险。直视或通过透镜观看激光二极管发射的光束,可能会导致失明。此外,输出功率较高激光光束照射到皮肤上可能会引起灼伤等炎症。看不见的红外线和紫外线与可见光一样危险。不可见并不意味着安全,反而需要更加谨慎地使用。调整光轴时,应使用TV摄像机等设备,切勿直视激光或照射他人。
ROHM的激光二极管根据光输出功率和波长分为Ⅲb级和Ⅳ级,在产品规格书及产品包装袋上均印有如下图所示的警告标签。

封装的使用
请勿将封装从高处跌落或对其施加过大的压力。需特别注意不要在引脚弯曲的成型加工时损坏玻璃密封部,或因封装内部的引线受力造成键合线断裂。
・带玻璃窗的产品
切勿触碰激光二极管的玻璃窗部位,如果玻璃窗有划痕或脏污会导致激光器的光学特性发生变化。
・开放式封装产品
外部环境可能会导致产品特性和可靠性下降。应对碳粉、人体异物、香烟烟雾等异物、离子引起的腐蚀、粘合剂和助焊剂中的挥发性成分的影响、冷凝以及光镊效应等采取充分的措施。另外,需注意不要触摸包括激光芯片发光区域在内的帽壳内部构件。
偏振特性
偏振光是指电场和磁场振动方向具有规律性的光。激光二极管的光束具有偏振特性,当电场振动方向平行于激光二极管芯片的结平面时称为“TE(Transverse Electric wave)模”,当电场振动方向垂直于结平面时则称为“TM(Transverse Magnetic wave)模”。TE模与TM模因产品而异,使用偏振光学器件时需注意。
光输出功率的测量
测量激光二极管的光输出功率时需使用光功率计——一种用于定量测量光信号强度的电子测试设备。
【测量准备】
・根据使用波长对光功率计进行正确设置与校准。
・为了在稳定的温度环境中工作,需在激光二极管上安装散热板,并使用温度控制器。
【测量步骤】
・调整光功率计的受光面使激光的所有光束都入射到受光面上。
・将受光面相对于光轴倾斜5~20°以避免来自光功率计受光面的反射光返回至激光二极管。
・向激光二极管注入电流,并用光功率计测量输出光功率。
・记录测量到的光输出功率,必要时绘制图表做成I-L特性曲线。
I-L特性[注入电流(I)和光输出功率(L)的关系]
(I-L)特性表示正向电流(IF)和光的输出功率(PO)之间的关系,即光输出功率随电流的增加是如何变化的。通过该特性可以确认激光二极管开始振荡的阈值电流(Ith)和工作电流(Iop)。另外,监控电流(Im)是指内置的光电二极管检测到从激光芯片背面辐射的激光光束时所获得的电流。
通过测量I-L特性,不仅可以评估激光二极管的性能和工作状态,还可判断更佳工作条件。

激光二极管的基本驱动电路
激光二极管的驱动方式大致可分为CW驱动(连续波驱动)和脉冲驱动两种。CW驱动是通过以恒定的输出功率连续振荡来获得稳定光输出功率的驱动方式,而脉冲驱动是通过施加短时电流(脉冲)来产生输出,从而获得极高峰值输出功率强度的驱动方式。
CW驱动
CW是“Continuous Wave(连续波)”的缩写,CW激光器是一种以恒定的输出功率连续振荡的激光器,其特点是可获得稳定的光输出功率。产品覆盖从可见光到红外光等多种波长范围,在市场上的应用领域极为广泛。

主要波长范围 :从可见光至近红外光
主要光输出功率:数mW~数W
驱动方式 :CW驱动(APC驱动方式和ACC驱动方式等)
主要应用领域 :激光笔、墨线仪、激光打印机、光盘、传感器用光源
脉冲驱动
脉冲激光器可通过施加短时电流(脉冲)产生振荡输出。它可能以恒定的重复频率振荡,也可能以短脉冲振荡。由于可以提高峰值光输出功率强度,并实现激光光束的远距离传输,因此作为远距离测量传感器的光源,近年来市场需求持续攀升。

主要波长范围:近红外光
主要光输出功率(峰值):数W~数百W
驱动方式 :脉冲驱动(电流谐振型、方波型等)
主要应用领域:LiDAR、ToF用光源
CW激光二极管的驱动电路
CW激光二极管的驱动电路主要有APC和ACC两种。
APC (Auto Power Control)
观察激光二极管封装中内置的PD(光电二极管)的监控电流并控制LD驱动电流使光输出功率保持恒定的控制方式。
【APC驱动电路示例】

ACC (Automatic Current Control)
使流过激光二极管的电流保持恒定的控制方式。
※ACC驱动电路的注意事项
当注入一定的电流时,激光二极管的光输出功率会随温度而变化。为了使ACC电路中的光输出功率保持恒定,需要控制激光二极管的温度。因此,一般采用APC电路,即使环境温度波动,也能一直获得恒定的光输出功率。
【ACC驱动电路示例】

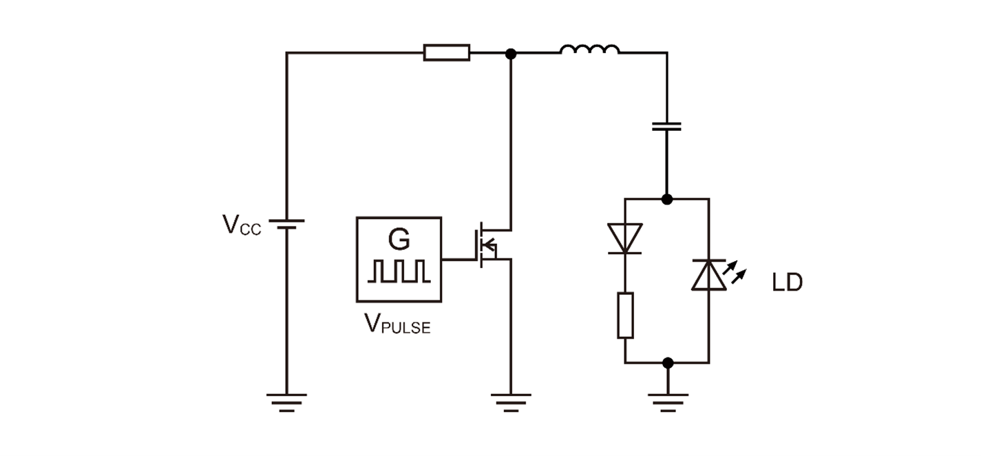
脉冲激光器的驱动电路
脉冲激光二极管的驱动电路有很多种,这里介绍的是电流谐振型驱动电路。电流谐振型电路的特点是易于通过短脉冲实现高功率输出。
【电流谐振型电路示例】

下一篇:MOSFET热阻参数解读
龙腾半导体SGT MOSFET LSGT085R018在智慧农业无