给大家带来Analog Devices LTC5582IDD参数特性、EDA模型下载、数据手册下载。
LTC5582 是一个 40MHz 至 10GHz 的 RMS 功率检测器,具有高达 57dB 的动态范围。它能够准确测量 AC 信号的功率,适用于各种 RF 标准,如 LTE、WiMAX、W-CDMA、CDMA2000、TD-SCDMA 和 EDGE。
Analog Devices LTC5582IDD数据手册免费下载
*附件:LTC5582IDD.pdf
Analog Devices LTC5582IDD的EDA模型免费下载
https://www.elecfans.com/p/e578597638
LTC5582IDD 是一款高性能的 RMS 功率检测器,具有宽频率范围、高动态范围、低线性度误差和快速响应时间等特点。它适用于各种无线通信标准的功率测量和控制应用,如 LTE、WiMAX、W-CDMA 等。其紧凑的封装和小型化设计使得它非常适合于对空间和功耗有严格要求的嵌入式系统。
关键特性
- 频率范围:40MHz 至 10GHz
- 动态范围:高达 57dB
- 线性度:在动态范围内,线性度误差小于 ±0.5dB(典型值)
- 输入阻抗:差分输入 400Ω//0.5Ω,单端输入 50Ω
- 输出特性:DC 电压输出,与输入信号的均方根值成线性比例
- 响应时间:90ns 上升时间
- 供电电压:3.3V(典型值),最大 3.8V
- 封装:10 引脚 3mm × 3mm DFN 封装

应用
- RF 功率测量:适用于各种无线通信标准
- PA 功率控制:用于功率放大器的输出控制
- 接收和发射增益控制:在无线通信系统中调整接收和发射增益
- 基站应用:如 LTE、WiMAX 等基站中的功率监测
功能描述
- RMS 功率检测:能够准确测量具有不同波峰因数的调制波形(如 CDMA2K、WCDMA)的 RMS 功率。
- 单端或差分输入:支持单端或差分 RF 输入信号。
- 快速响应时间:输出电压能够快速响应输入 RF 功率的变化。
- 低供电电流:典型值为 41.6mA,有助于降低系统功耗。
- 温度稳定性:在 -40°C 至 125°C 的温度范围内保持性能稳定。
电气特性
- 输入频率范围:40MHz 至 10GHz
- 输入功率范围:单端输入 -57dBm 至 2dBm(根据频率变化)
- 输出斜率:约 29.5mV/dB(典型值)
- 对数截距:约 -86.2dBm(典型值)
- 温度漂移:在 -40°C 至 125°C 范围内,输出变化小于 ±0.5dB
封装与引脚
- 封装类型:10 引脚 3mm × 3mm DFN 封装
- 引脚配置:包括电源引脚(VCC)、RF 输入引脚(IN+ 和 IN-)、公共模式解耦引脚(DEC)、滤波引脚(FL TR)、使能引脚(EN)和输出引脚(VOUT)等。

操作条件
- 工作温度范围:I 级 -40°C 至 105°C,H 级 -40°C 至 125°C
- 存储温度范围:-65°C 至 125°C
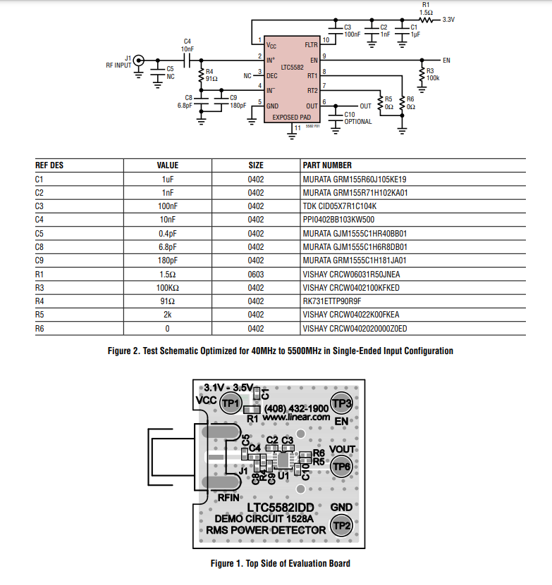
典型应用电路
在数据手册文档提供了典型的评估板和测试电路图,包括单端输入配置和差分输入配置,以及输入匹配网络和输出滤波网络的示例。大家可以参考。



Analog Devices LTC5582IDD的EDA模型免费下载
https://www.elecfans.com/p/e578597638