时间:2025-05-16 14:15
人气:
作者:admin
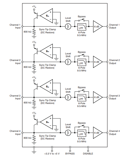
THS7374采用革命性的互补硅锗(SiGe)BiCom3X工艺制造,是一款低功耗、单电源3V至5V四通道集成视频缓冲器。它包含一个六阶巴特沃斯滤波器(可以绕过),可用作数模转换器(DAC)重建滤波器或模数转换器(ADC)抗混叠滤波器。9.5-MHz滤波器是SDTV视频的完美选择,包括复合(CVBS)、s-video、Y'U'V'、G'B'R'(R'G'B')和Y'P'R 480i/576i。
数据手册:*附件:THS7374 具有9.5MHz滤波器和6dB增益的4通道SDTV(组件和复合)视频放大器技术手册.pdf
作为THS7374灵活性的一部分,输入可以配置为交流或直流耦合输入。300 mV的输出电平偏移允许在0-V输入的输出端实现全同步动态范围。交流耦合模式包括用于同步CVBS、Y'和G'B'R'信号的透明同步尖端箝位选项。通过添加外部电阻器,可以很容易地实现C'/P'B/P'R通道的交流耦合偏置。
THS7374是所有视频缓冲应用的完美选择。其具有6-dB增益的轨对轨输出级允许交流和直流线路驱动。每个通道驱动两条线路或75Ω负载的能力,使视频线路驱动器具有最大的灵活性。3.3V和0.1-µA禁用电流下的9.6mA总静态电流使其成为便携式或其他功率敏感应用的绝佳选择。
THS7374采用TSSOP-14封装,符合无铅和绿色(RoHS)标准。
特性
用于CVBS、S-Video、S-Video和S-Video的4-SDTV视频放大器,
Y'P'P'R 480i/576i、Y'U'V'或G'B'R'(R'G'B')
集成低通滤波器:
六阶9.5兆赫(-3分贝)巴特沃斯
8.2-MHz时的1 dB通带带宽
27MHz时衰减54dB
150 MHz(-3 dB)滤波器旁路模式
多功能输入偏置
直流耦合300 mV输出偏移
AC耦合同步尖端夹
允许交流耦合偏置
内置6-dB增益(2V/V)
+3-V至+5V单电源操作
轨对轨输出:
输出摆动在轨道100 mV以内,以允许交流或直流输出耦合
支持每个通道驱动2条线路
3.3V总静态电流下9.6mA低
0.1µA禁用电源电流功能
0.15%/0.3°的低差分增益/相位
无铅绿色TSSOP-14封装
引脚功能和配置
典型特性
功能方框图
应用
低成本SCART系统
机顶盒输出视频缓冲
监视系统
龙腾半导体SGT MOSFET LSGT085R018在智慧农业无