时间:2023-08-01 17:16
人气:
作者:admin
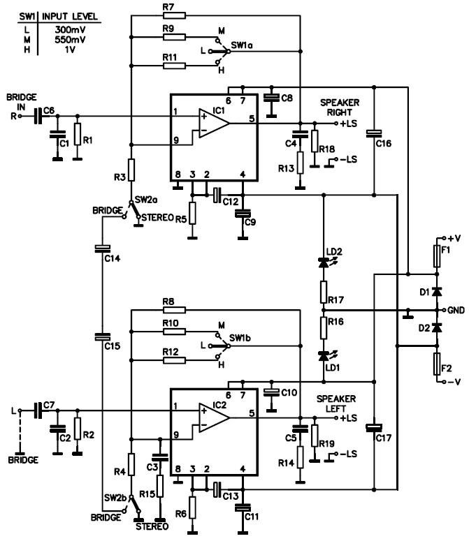
这是采用TDA1514A的200W单声道/立体声功率放大器的电路设计。该电路支持单声道和立体声通道。单声道通道采用桥接配置,因此单声道选择的功率输出将是立体声选择的两倍。

需要对称电源(双极性)来为该电路供电。电源电压 (+) 28VDC 和 (-) 28VDC 最大
该200W单声道/立体声功率放大器的组件清单和组装过程在电路手册文件中提供。您可以在本文末尾下载电路手册。
电路特点:
通用、坚固和紧凑是描述这款放大器的词语。
立体声或单声道放大器。
三种可选输入灵敏度。
过载和短路保护。
防止电源极性错误。
热保护。
扬声器瞬态抑制。
放大器规格:
均方根输出功率:2 x 50W/4ohm; 2 x 40W / 8 欧姆
均方根单桥功率:100W / 8ohm
总音乐输出:200W
谐波失真:1kHz 时为 0.01%
信噪比:102dB(A计权)
立体声通道分离度:85dB
阻尼系数(100Hz):>1000
输入阻抗:22Kohm
输入灵敏度:300mV、550mV 或 1V 可切换
热保护:最大。 1小时
短路和过载保护:最大。 10秒。
电源:最大+ 28VDC 和 – 28VDC
功耗(2 x 4ohm 或单桥 8ohm):最大 4A
功耗(2 x 8 欧姆):最大 2.5A
龙腾半导体SGT MOSFET LSGT085R018在智慧农业无