时间:2023-08-02 17:04
人气:
作者:admin
随着数字功放(Class D放大器)技术的快速发展,大功率、多声道、高性能功放系统在汽车音响、专业音响、家庭影院中广泛应用。相较于传统的甲类(A类)放大器和甲乙类(AB类)放大器,数字功放具备高开关频率、高效率、大功率等优势,开关频率大于300KHZ,效率可达80%以上。
数字功放能够保持良好的音频性能并且提供更加精细的功率控制和误差校正,让用户得到更好的音乐体验。但是,数字功放的设计也会面临较大挑战,如何设计高性能、高线性度、低失真的Class D电感成为各大电感厂商努力追求的目标。另外,数字功放在高频应用下可能会出现噪声干扰和发热问题,采用低损耗的磁芯材料和电感线圈设计,有利于降低交流损耗,减少发热,减少数字功放噪音,提升音频系统品质。
一、产品概述
为解决数字功放在高频应用下的噪声干扰和发热问题,科达嘉先后推出了大电流数字功放电感CPD2320S、CPD3119SA、CPD3122SA等多个系列。该系列电感采用宽温低功耗磁芯材料和利兹线线圈绕组,具有低AC损耗,寄生电容小,抗电磁干扰(EMI)性能强等特点,适用于宽频宽温环境。
其中,CPD3122SA系列已被成功应用于英飞凌REF_IRS2461S_5KW数字功放参考设计方案中。CPD3122SA电感值为8.20μH,DCR 为4.25mΩ,饱和电流可高达72A,可用于高保真音频系统,如专业音响、汽车音响、发烧友级别的数字功放方案设计。

大电流数字功放电感CPD3122SA系列
二、产品特点
1、低损耗、高效率
数字功放电路属于高功率密度方案设计,输出效率的高低关系到功放设计的品质。由于数字功放小体积,大功率的特点,整体散热面积相对较小,在大电流的设计需求下,磁芯损耗相比其他电路拓扑要大。因此,采用低损耗的磁芯材质设计电感,降低磁芯损耗,可减少磁芯发热量,提升整机的输出效率很有必要。
科达嘉大电流数字功放电感CPD3122SA系列采用宽温低损耗的锰锌铁氧体材质,具有极低的磁芯损耗。同时,电感采用利兹线线圈绕组设计,在高频应用下有效降低铜线肌肤效应带来的交流损耗,具有更好的温度稳定性、更高的输出效率。
2、宽频宽温,良好的线性度
高温环境下,电感表面温度变化会导致电流线性度和频率线性度变化,进而影响数字功放的滤波性能,引起音频系统级性能降级。要确保功放高品质音质输出,滤波电感需要满足宽频宽温的特性。
另外,电感值在大电流的应用条件下会有不同程度的衰减,这样会影响电感电流线性度。试验证明,电感值衰减过大的时候,失真度会随之增加。因此具有良好的电流线性度(电感的直流偏置能力)的电感器才能使输出音质得到明显提升。
科达嘉大电流数字功放电感CPD3122SA通过材料选择、设计和工艺创新,在高频高温环境下仍然保持稳定的电流线性,保障高音质输出。
3、持续大电流工作性能
电感表面温度主要来自磁芯损耗和线圈铜损。通常工程师在设计电感的时候要根据应用端的需求,平衡磁芯损耗和线圈损耗的占比,合理设计线圈结构和磁芯气隙,将损耗设计在控制范围以内。
科达嘉研发团队通过结构的创新设计,工艺的优化升级,针对不同的应用场景科学合理选材,最大限度使电感磁损在可控范围内的前提下,降低线圈的直流损耗、涡流损耗,保障电感在持续大电流工作环境下的优秀电气性能。CPD3122SA电气特性受温度影响小,工作温度为:-40℃~ +125 ℃,具有优秀的抗饱和能力。
电气特性如下:

CPD3122SA-8R2饱和电流曲线

CPD3122SA-8R2温升电流曲线
4、抗电磁干扰能力强
数字功放属于小体积、高功率密度设计,高密度安装必然带来EMC问题,科达嘉数字功放电感CPD3122SA采用磁屏蔽结构设计,抗电磁干扰(EMI)性能强。
三、方案设计及应用
大电流数字功放电感CPD3122SA系列可应用于数字功放电路输出端滤波,已被成功应用于英飞凌功率放大器REF_IRS2461S_5KW参考设计中,REF_IRS2461S_5KW功率放大器参考设计适用于汽车音响或大功率音频系统应用。
电感器的电感量随负载电流偏置而变化,这会导致音频输出失真。磁芯饱和会显著增加电感器纹波,从而立即触发过流保护,因此需要使用饱和点高于峰值负载电流的电感器。在REF_IRS2461S_5KW参考设计中综合考虑到电感器在温升条件下的IRMS额定值(1/8额定功率和最大负载电流的峰值电流),以及ISAT(>52A)和IRMS(>36A)额定值,采取了两个8.2μH电感器CPD3122SA-8R2M进行串列设计,具体如下:
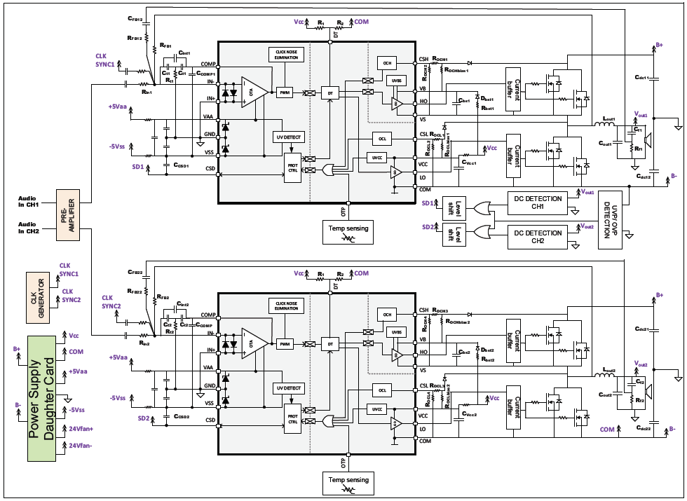
1、原理图:

英飞凌REF_IRS2461S_5KW原理图

功率vs.THD+N@4Ω负载测试

2Ω、4Ω 和 8Ω负载下频率响应测试
2、测试结论
英飞凌REF_IRS2461S_5KW参考设计方案选择科达嘉CPD3122SA-8R2M进行输出滤波,输出电感的电阻相对较小,和电容器相对于负载电流和电压的线性度较高。数字功放在具备高保真的同时,也具备了更高的效率和更大的输出功率。
四、更多数字功放电感
为满足数字功放小体积、大功率、低失真的设计需求,科达嘉电子设计开发了多个系列的数字功放电感,如:CPD、CSD、CPE、CSAD等,并有多个电感产品被应用于英飞凌数字功放参考设计中。

科达嘉数字功放电感应用于英飞凌参考设计
科达嘉电子专注功率电感研发22年,可根据客户特殊需求快速定制产品。公司拥有CNAS认可的实验室,可自主按照磁性元件产品验证标准进行测试和认证。
审核编辑 黄宇
龙腾半导体SGT MOSFET LSGT085R018在智慧农业无