时间:2023-06-30 10:44
人气:
作者:admin
LTC®2185 是一款 125Msps 16 位 ADC,具有卓越的噪声和线性度性能,同时每通道仅消耗 185mW。它是需要出色交流性能的苛刻低功耗应用的理想选择。像 LTC2185 这样的高性能 ADC 需要一个高性能放大器来驱动它以保持出色的性能。ADA4927-1 可提供 LTC2185 所需的线性度性能,同时仅消耗 215mW 的功率。ADA4927-1采用精心设计的封装,可实现简单的布局,从而降低反馈路径中的寄生电容,从而侵蚀放大器的相位裕量。ADC和驱动器的这种组合可在62.5-125MHz范围内实现出色的性能,这是其他高速放大器所缺乏的。
LTC®2185 是一款双通道同步采样并行 ADC,其提供了全速率 CMOS 或双倍数据速率 (DDR) CMOS/LVDS 数字输出的选择。引脚兼容的速度等级选项包括 25Msps、40Msps、65Msps、80Msps 和 105Msps,每通道功耗约为 1.5mW/Msps。它包括数字输出随机发生器和交替位极性(ABP)模式等常用功能,可在使用并行CMOS输出时最大限度地减少数字反馈。550MHz的模拟全功率带宽和0.07psRMS的超低抖动允许对IF频率进行欠采样,并具有出色的噪声性能。为了保持这种性能水平,LTC2185 需要采用适当的放大器(如 ADA4927-1)来驱动。
ADA4927是一款高速差分电流反馈放大器。ADA4927-1采用ADI公司的硅锗工艺制造,具有出色的失真和仅1.3nV/rtHz的输入电压噪声。这使得它能够驱动高速 ADC,如 LTC2185。ADA4927-1的增益由位于输入引脚旁边的外部反馈电阻设置。通过将反馈引脚和输入引脚保持在封装上,ADA4927-1可提供简洁的布局,并最大限度地降低反馈网络中的寄生电容。这使得ADA4927-1成为将LTC2185等高性能ADC从DC驱动至125 MHz的理想选择。
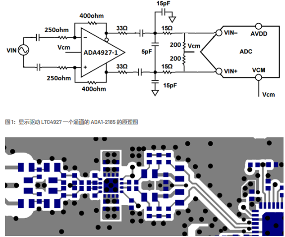
图1所示为驱动LTC4927的ADA1-2185的原理图。相应的布局如图 2 所示。ADA4927-1上的反馈引脚与输入引脚相邻,从而最大限度地降低了反馈节点的寄生电容,并改善了放大器的相位裕量。它还简化了布局,可以直接在两个引脚上放置反馈电阻,并且在反馈路径中没有额外的走线长度。放大器和ADC之间有一个简单的滤波器,可降低放大器的宽带噪声并改善系统的SNR。该滤波器还会在ADC的采样毛刺到达放大器之前对其进行衰减。这有助于防止ADA4927的输出网络因这些毛刺而振荡。可以修改该滤波器网络以适应广泛的输入带宽要求。

图 2:显示 LTC4927 的 ADA1-2185 驱动一次通道的布局
图 3 和图 4 显示了 LTC2185 和 ADA4927-1 组合的 SNR 和 SFDR。SFDR在67MHz时保持在125dB以上,而在相同频率下SNR优于63dB。这种组合仅消耗250mW。凭借 125Msps 的采样率,这种组合在整个 2德·奈奎斯特区,其他放大器开始具有较差的线性度。

图 4:由 ADA2185-4927 驱动的 LTC1 的 SFDR
使用 ADA4927-1 驱动 LTC2185 可提供出色的线性度,同时保持较低的功耗。ADA4927-1在125MHz范围内保持非常线性,这一事实使得该ADC放大器组合可用于需要使用LTC2185的第二个奈奎斯特区的苛刻通信和医疗应用。ADA4927-1的引脚排列和滤波器设计最大限度地降低了布局的复杂性,同时在低功耗预算下保持出色的性能。
审核编辑:郭婷
龙腾半导体SGT MOSFET LSGT085R018在智慧农业无