时间:2023-06-30 10:48
人气:
作者:admin
驱动直接采样高速ADC时,最可能降低性能的地方是最终放大器和ADC之间的接口。对于任何直接采样ADC,采样过程中都会产生非线性电荷。每次采样开关关闭时,此电荷都会反映到输入网络中。如果这些器件不衰减,它们可能会反射回ADC并重新采样,从而降低ADC的简单失真或互调失真。ADC的输入网络应尽可能接近50欧姆,以便最大限度地吸收这种非线性电荷。使用高吸收滤波器可以通过抑制采样过程中产生的非线性音调来改善SFDR。
使用 LTC6409 驱动 AD9265
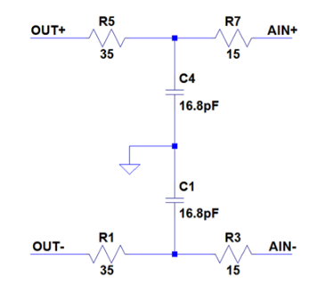
LTC®6409是一款具有出色线性度的差分放大器,使其成为AD9265的理想驱动器。AD9265是一款16位125Msps高性能ADC,在77MHz时具有优于89dB的SNR和100dB的SFDR。在设计输入网络时,这些规格会因设计选择不当而迅速降低。在几乎所有情况下,ADC和放大器之间都需要一个滤波器,以降低最终放大器的宽带噪声。该过滤器的设计和布局都至关重要。滤波器应具有吸收性,以便采样过程中的高频非线性被吸收到50欧姆终端中,不允许反射回ADC输入。图1示出了可在LTC6409和AD9265之间使用的吸收性滤波器网络。图 2 显示了滤波器响应。该滤波器的目的不是具有高度选择性,而只是为了衰减放大器的宽带噪声和采样过程的非线性。在高频下,电感器断开,电容器短路,将采样过程的高频成分引导至50欧姆端接电阻。如果走线以50欧姆的速度布线,则不会有任何回波反射,并且ADC的SFDR不会降级。

图 2:图 1 所示电路的仿真滤波器响应
失真的另一个潜在来源是输入网络的不对称布局。在理想的布局下,信号的差分特性可实现出色的共模抑制和非常好的 2德·谐波失真。任何与完美对称性的偏差都将导致差分信号不匹配,这将表现为2德·阶谐波失真。即使是简单的设计决策,将差分对一侧的铜淹没在比另一侧更近的地方,也可能导致相邻接地层的接地电流差异。这会增加系统的失真。为了获得最佳性能,需要绝对对称性。
图3显示了驱动AD6409和滤波器网络的LTC9265的PCB布局。注意保持网络的对称性,并定位吸收元件以最大限度地提高其有效性。第一组吸收元件的位置使任何高频产品立即被吸收。主信号路径围绕接地铜线蜿蜒,直到到达第二组吸收元件,最后到达放大器的源端接。该网络最大限度地提高了LTC6409和AD9265的性能。

图 3:LTC6409 和 AD9265 的布局
为了比较LTC6409和AD9265的性能,设计了一个通过DC890连接到PScope软件的电路板。对图1中的吸收式滤波器和图4中的反射式滤波器进行了填充和频率测试。AD9265采用一个125Msps低抖动时钟,LTC6409采用48.1至178.1MHz的滤波正弦信号驱动。SNR和SFDR是用PScope记录的。示例数据收集如图 5 所示。SNR和SFDR与吸收式和反射式滤光片的比较如图6和图7所示。SFDR在吸收网络中始终更好,在某些时候它最多更好10dB。在非常高的输入频率之前,当SNR由其他因素主导时,SNR也始终更好。
使用吸收式网络,系统的性能通过反射网络得到改善。LTC6409和AD9265的出色性能在使用反射型网络时会降低。LTC6409和AD9265的结果很明显,但使用高吸收性和对称输入网络的做法可以应用于任何直接采样ADC和差分放大器。通过关注放大器和ADC之间的接口,可以实现最佳性能。

图 4:LTC6409 和 AD9265 之间使用的反射式滤波器

图 5:从 PScope 收集的样本数据。58.1MHz 采样速率为 125Msps

图 7:吸收式滤光片和反射式滤光片之间的 SFDR 比较
审核编辑:郭婷
龙腾半导体SGT MOSFET LSGT085R018在智慧农业无