时间:2023-07-04 14:30
人气:
作者:admin
1、偏移归零
即使输入电压相同,大多数运算放大器在输出端都有偏移电压。为了使输出为零电压,使用了偏移归零方法。在大多数运算放大器中,由于其固有特性和输入偏置排列中的不匹配导致,存在一个小的偏移。
因此,即使输入信号为零,某些运算放大器的输出端也可以提供很小的输出电压。这个缺点可以通过向输入提供一个小的偏移电压来纠正。这称为输入偏移电压。为了消除或清零偏移,大多数运算放大器都有两个引脚来启用偏移清零。为此,典型值为100K的Pot或Preset应连接在引脚1和5之间,其抽头接地。通过调整预设,可以将输出设置为零电压。

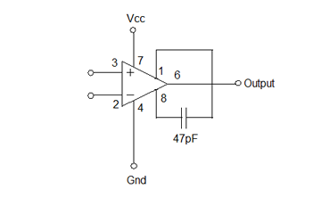
2、选通或相位补偿
运算放大器有时可能会变得不稳定,为了使它们在整个频带内稳定,通常在其Strobe引脚8和引脚1之间连接一个电容。通常会添加一个47pF的圆盘电容器来进行相位补偿,以使运算放大器保持稳定。如果运算放大器用作灵敏放大器,这一点最为重要。

3、反馈
众所周知,运算放大器具有非常高的放大水平,通常约为1,000,00 倍。假设运算放大器的增益为10,000,那么运算放大器将放大其同相输入 (V+)
和反相输入 (V-) 的电压差。所以输出电压 V out 为
10,000 x (V+ – V- )。

在图中,信号施加到非反相输入,反相输入连接到输出。所以V+=V in,V-=Vout。因此Vout=10,000 x (Vin –Vout)。因此输出电压几乎等于输入电压。
现在来看看反馈是如何工作的,只需在反相输入和输出之间添加一个电阻器就会大大降低增益。通过将一小部分输出电压输入反相输入可以显着降低放大率。

根据前面的等式,V out = 10,000 x (V+ – V-)。但是这里增加了一个反馈电阻。所以这里V+是Vin,V-是R1.R1+R2 x Vout。因此,V out为10,000 x ( Vin – R1.R1+R2xVout)。所以V out = R1+R2.R1x Vin。
负面反馈:
运算放大器的输出连接到其反相 (–) 输入,因此输出被反馈到输入以达到平衡。所以,非反相 (+)输入端的输入信号将在输出端反射。具有负反馈的运算放大器会将其输出驱动到必要的电平,因此其反相和非反相输入之间的电压差将几乎为零。

正面反馈:
输出电压被反馈到非反相 (+)输入。输入信号被馈送到反相输入。在正反馈设计中,如果反相输入接地,则运算放大器的输出电压将取决于非反相输入电压的幅度和极性。当输入电压为正时,运算放大器的输出将为正,并且该正电压将馈送到非反相输入,从而产生完整的正输出。如果输入电压为负,则情况相反。

上一篇:光伏逆变器的基本原理
龙腾半导体SGT MOSFET LSGT085R018在智慧农业无