时间:2023-07-04 14:32
人气:
作者:admin
运算放大器(OPerational AMPlifier)是模拟电子电路的基本组成部分。
它们是具有直流放大器所有特性的线性器件。可以在运算放大器上使用外部电阻器或电容器,有许多不同的方法可以使它们成为不同形式的放大器,例如反相放大器、同相放大器、电压跟随器、比较器、差分放大器、求和放大器、积分器等。
运算放大器可以是单个,双个、四运算等,它们具有出色的性能,输入电流和电压非常低。理想的运算放大器除了其他端子外,还具有三个重要的端子。输入端子为反相输入和同相输入。第三个端子是可以吸收和提供电流和电压的输出。输出信号是放大器增益乘以输入信号的值。
运算放大器的5个理想特性
1、开环增益
开环增益是没有正反馈或负反馈的运算放大器的增益。理想的运算放大器应具有无限的开环增益,但通常在20,000到2, 00000之间。
2、输入阻抗
它是输入电压与输入电流的比值,它应该是无限的,没有从电源到输入的任何电流泄漏。但是在大多数运算放大器中都会有一些皮安电流泄漏。
3、输出阻抗
理想的运算放大器应具有零输出阻抗,且没有任何内阻。这样它就可以为连接到输出的负载提供全电流。
4、带宽
理想的运算放大器应具有无限的频率响应,以便它可以将任何频率从直流信号放大到最高交流频率,但大多数运算放大器的带宽有限。
5、偏移
当输入之间的电压差为零时,运算放大器的输出应为零。但在大多数运算放大器中,关闭时输出不会为零,但会产生微小的电压。
uA741运算放大器引脚配置

在典型的运算放大器中,将有8个引脚,这些分别是:
Pin1 - 偏移空(Offset Null)
Pin2 – 反相输入INV(Inverting input INV)
Pin3 – 非反相输入Non-INV(Non inverting input Non-INV)
Pin4 - 地 - 负电源(Ground- Negative supply)
Pin5 - 偏移空(Offset Null)
Pin6 – 输出(Output)
Pin7 – 正电源(Positive supply)
Pin8 – 频闪(Strobe)
运算放大器中的4种增益类型
电压增益 - 电压输入和电压输出;
电流增益 - 电流输入和电流输出;
跨导 - 电压输入和电流输出;
跨阻 - 电流输入和电压输出。
运算放大器的主要应用
1、放大
运算放大器的放大输出信号是两个输入信号之差。

上图是运算放大器的简单连接。如果两个输入端都提供相同的电压,则运算放大器将获取两个电压之间的差值,它将为0。运算放大器将其乘以增益1,000,000,因此输出电压为0。当2伏电压为给一个输入和另一个输入1伏,然后运算放大器将取其差异并乘以增益。即1伏x 1,000,000。但是这个增益非常高,所以为了降低增益,从输出到输入的反馈通常是通过一个电阻来完成的。
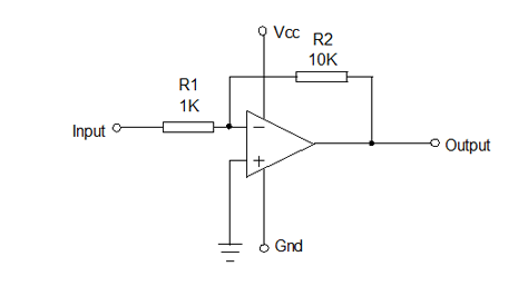
反相放大器:

上图显示的电路是一个反相放大器,其非反相输入接地。两个电阻器R1和R2以这样的方式连接在电路中,即R1馈送输入信号,而R2将输出返回到反相输入。在这里,当输入信号为正时,输出将为负,反之亦然。输出相对于输入的电压变化取决于电阻器R1和R2的比率。R1选为1K,R2选为10K。如果输入接收到1伏,则将有1毫安电流通过R1,输出必须变为10
伏,以便通过R2提供1毫安电流并保持反相输入端的零电压。因此电压增益为R2/R1,即10K/1K=10。
同相放大器:

上面显示的电路是一个非反相放大器,此处非反相输入接收信号,而反相输入连接在R2和R1之间。当输入信号正或负移动时,输出将同相并保持反相输入端的电压与同相输入端的电压相同。在这种情况下,电压增益将始终高于1,因此是(1+R2/R1)。
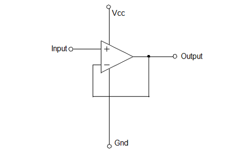
2、电压跟随器

上面的电路是一个电压跟随器。在这里它提供了高输入阻抗,低输出阻抗。当输入电压变化时,输出和反相输入将同样变化。
3、比较器
运算放大器将一个输入端施加的电压与另一个输入端施加的电压进行比较,电压之间的任何差异(如果很小)都会使运算放大器进入饱和状态。当提供给两个输入的电压具有相同的幅度和相同的极性时,运算放大器的输出为0伏。
比较器产生有限的输出电压,可以轻松与数字逻辑接口,即使需要验证兼容性。
上一篇:一文知道运算放大器的硬性要求
下一篇:常见射频PA的类别简单总结
龙腾半导体SGT MOSFET LSGT085R018在智慧农业无