时间:2023-04-12 17:50
人气:
作者:admin
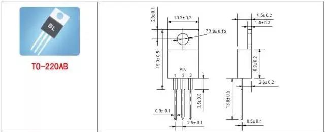
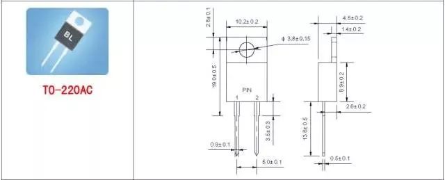
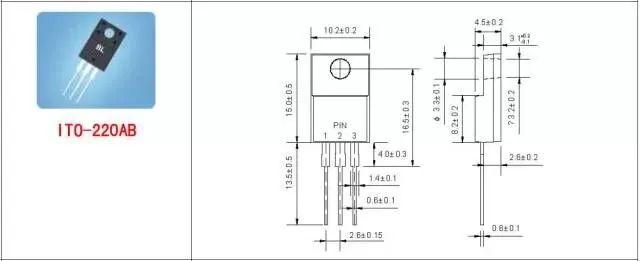
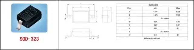
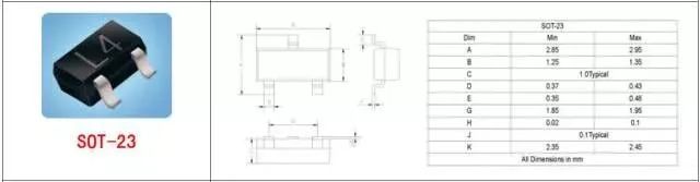
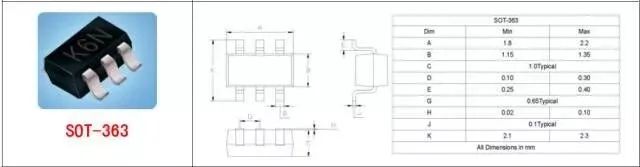
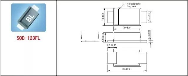
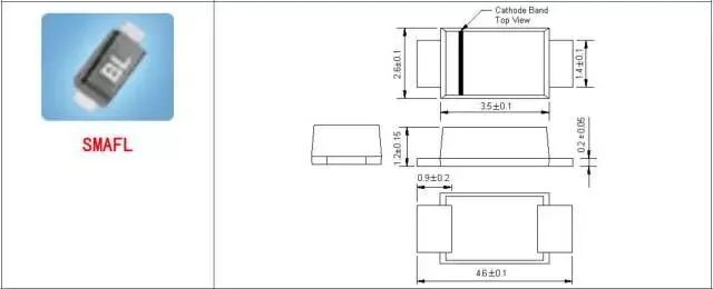
二极管常见的封装类型,DO-15、DO-27、SOD-323、SOD-723等,相信大家都很熟悉。

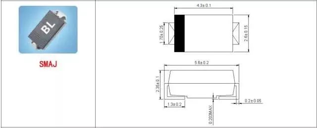
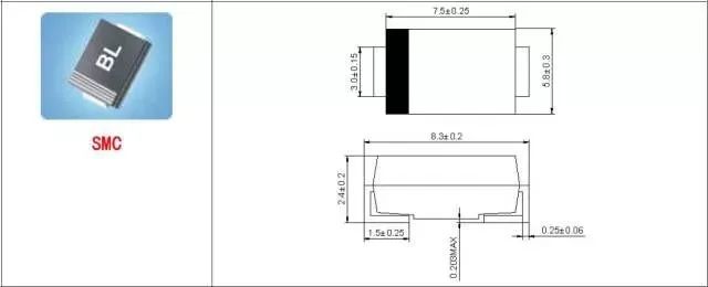
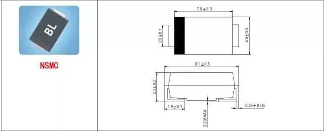
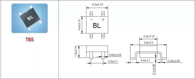
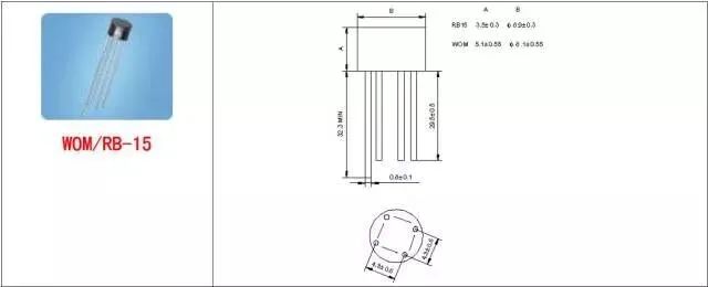
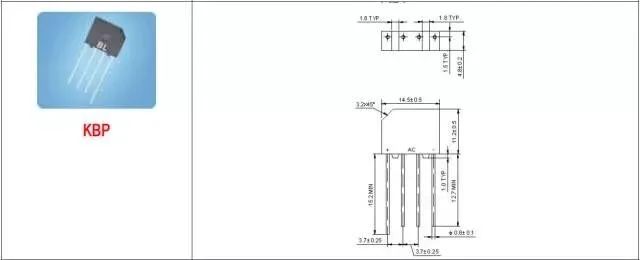
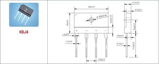
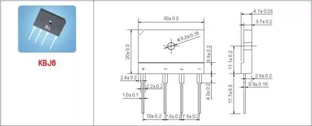
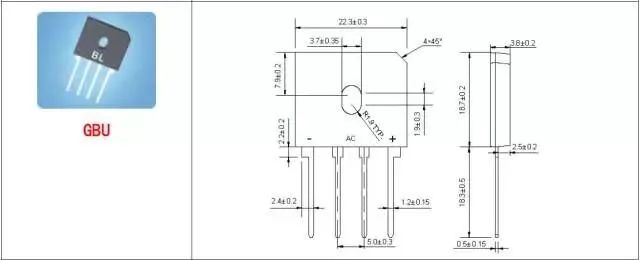
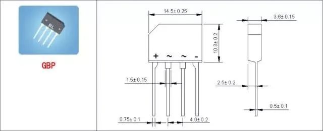
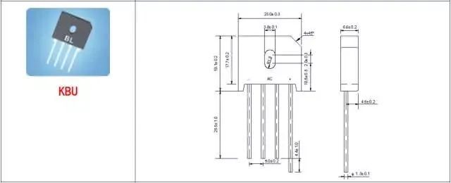
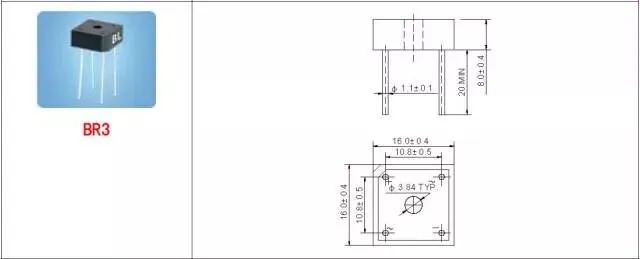
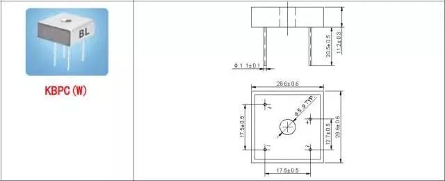
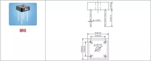
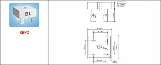
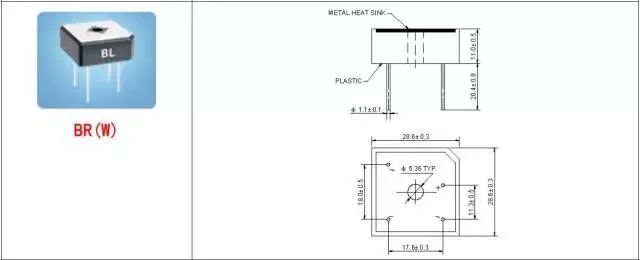
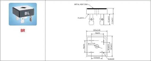
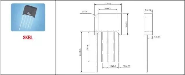
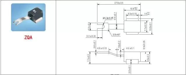
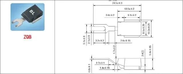
图源:百度百科封装指的是安装半导体集成电路芯片用的外壳。对于电子元器件来说,封装是非常有必要的。一方面,封装不仅起着安装、固定、密封、保护芯片及增强电热性能等方面的作用,而且还通过芯片上的接点用导线连接到封装外壳的引脚上,这些引脚又通过印刷电路板上的导线与其他器件相连接,从而实现内部芯片与外部电路的连接。因为芯片必须与外界隔离,以防止空气中的杂质对芯片电路的腐蚀而造成电气性能下降。另一方面,按统一规格封装后的芯片,也更便于安装和运输。细心的电子工程师会发现,电子元器件有着不同的封装类型,不同类的元器件外形虽然差不多,但内部结构及用途却大不同,譬如TO220封装的元件可能是三极管、可控硅、场效应管甚至是双二极管。TO-3封装的元器件有三极管,集成电路等。今天我们就来盘点一下常见的二极管、三极管、MOS封装类型,下图含精确尺寸。



























































龙腾半导体SGT MOSFET LSGT085R018在智慧农业无