时间:2023-04-17 10:21
人气:
作者:admin
光学模数转换器运用光学方式取代电子采样/保持编码和量化电路中的一个或几个部分。在光谱编码模数转换器中,首先将电压信号转换为光波长信号,同时完成信号的光采样,再由器件周期的光谱传输函数实现在波长域内的编码。由于信号的采样和编码在不同部分完成,采样速率和转换位数可以分别增强、以获得尽可能高的转换速率和转换位数。

光谱编码模数转换器
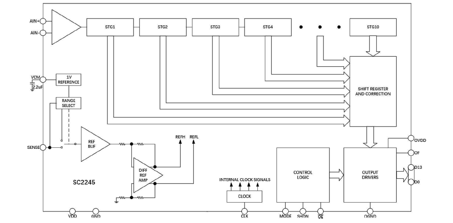
方案中的芯炽SC2245专为数字化高频宽动态范围信号而设计,非常适合要求苛刻的成像和通信应用。采用多级差分流水线架构,双通道、14 位模数转换器,支持80MSPS/65MSPS/40MSPS/25MSPS/10MSPS,内置高性能采样保持电路和片内基准电压源,芯片采用3V模拟电源供电,一个单独的输出电源能驱动0.5V至3.6V逻辑电路。

SC2245功能模块图
此外SC2245在80MHz采样下拥有72.8dB的信噪比和85dB的无杂散动态范围,可用于远远超过奈奎斯特频率的输入信号。直流规格包括±1LSB INL(典型值),±0.25LSB DNL(典型值)和无漏失码。输入端参考噪声很低,仅为 0.96LSBRMS。
芯炽SC2245主要性能:
• 3V 电源供电,灵活输入范围:1VP-P to 2VP-P;
•低功耗:60mW(10MSPS),218mW(80MSPS);
• 80MHz 采样,30.5MHz 输入:信噪比(SNR)72.83dBFS,无杂散动态范围(SFDR):85.62dBFS;
•微分非线性(DNL):±0.25LSB(典型值)输入端参考噪声:0.96LSBRMS;
•片内基准电压源和采样保持电路,提供QFN-32 封装;
注:如涉及作品版权问题,请联系删除。
上一篇:电路应用丨MOS场效应管作用开关
龙腾半导体SGT MOSFET LSGT085R018在智慧农业无