时间:2023-06-12 18:21
人气:
作者:admin
最近手里有两款芯片在做FA(失效分析),正好就讲一下失效分析中最常用的辅助实验手段:亮点分析(EMMI)。
一.EMMI设备简介
EMMI:Emission microscopy 。与SEM,FIB,EB等一起作为最常用的失效分析手段。而EMMI应用于IC的失效分析还可以追溯到三十几年前。这里结合三篇文献来说明一下EMMI的原理以及结合实例进行EMMI结果分析。

图一.EMMI设备示意图。
EMMI是一种极其灵敏的显微镜,其光谱能从可见光区延伸到红外光区,并能捕捉到微弱的荧光。通过将捕捉到的荧光图片与芯片照片重合便能确定荧光产生的位置。

图二.EMMI中MCP电子放大腔示意图。
图二是EMMI中最为重要的器件之一。通过该器件,EMMI可以探测到极其微弱的荧光。(简单形容下原理:EMMI把捕捉到的光子通过在放大腔中放大,形成可观测的光束。)
**EMMI的本质只是一台光谱范围广,光子灵敏度高的显微镜。**而为何其能应用于IC失效分析,这里就要铺垫些半导体的相关知识。

图三.半导体荧光原理图。
二.集成电路荧光原理简介
2.1.载流子复合
半导体材料分为直接带隙半导体和间接带隙半导体,而Si是典型的直接带隙半导体,其禁带宽度为1.12eV。所以当电子与空穴复合时,电子会弹射出一个光子,该光子的能量为1.12eV,根据波粒二象性原理,该光子的波长为1100nm,属于红外光区。通俗的讲就是当载流子进行复合的时候就会产生1100nm的红外光。这也就是产生亮点的原因之一:载流子复合。所以正偏二极管的PN结处能看到亮点。如果MOS管产生latch-up现象,(体寄生三极管导通)也会观察到在衬底处产生荧光亮点。
2.2.热载流子
随着器件尺寸的逐渐变小,MOS器件的沟道长度也逐渐变短。短沟道效应也愈发严重。短沟道效应会使得MOS管的漏结存在一个强电场,该电场会对载流子进行加速,同时赋予载流子一个动能,该载流子会造成中性的Si原子被极化,产生同样带有能量的电子与空穴对,这种电子与空穴被称为热载流子,反映在能带图中就是电位更高的电子和电位更低的空穴。一部分热载流子会在生成后立马复合,产生波长更短的荧光,另一部分在电场的作用下分离。电子进入栅氧层,影响阈值电压,空穴进入衬底,产生衬底电流。归因于短沟道效应能在MOS管的漏端能看到亮点,同样在反偏PN结处也能产生强场,也能观察到亮点。
2.3.绝缘层漏电
随着MOS管的氧化层越来越薄,其本身的鲁棒性也在下降,无论是氧化层本身的缺陷还是“软”失效,在电场的作用下其本身更容易产生隧穿电子,隧穿电子会造成中性的原子发生极化,变成微等离子体的同时产生光子。同样也会在EMMI中反映出亮点。

图四.不同机制下的荧光光谱。
目前IC中能产生荧光的原因主要就是上述三种,而IC的失效分析中是给予失效点一个偏压,然后EMMI捕获电流中产生的微弱荧光。 原理上,不管IC是否存在缺陷,只要满足其机理在EMMI下都能观测到荧光, 那如何才能根据EMMI的结果确定失效位置,这就需要具体问题具体分析。
话不多说,接下来举几个简单的例子方便理解:
三.EMMI应用实例
3.1实例一

实例一.差分输出电路。
第一个实例是个差分输出,该电路的症状是两边输出电压不一样,从电路分析来看应该T2坏了,接下来在V+和GND之间给一个 小电压偏置 (小于PN结反偏击穿电压,大于PN结正向导通电压)然后上EMMI, 将左右两个三极管的结果进行对比 。然后结果如下图。

实例一.EMMI与SEM图像。
从EMMI上明显看出左右两个三极管的亮点存在差异,左侧三极管亮点分布不均匀,而右侧亮点均匀,强度较低。两边的三极管都存在VB-E偏压,都是正偏二极管,整个PN结都会因为载流子的复合产生亮点。但是左边复合强度更强,而且复合产生的荧光分布不均匀,在缺陷处复合强度明显偏高,亮点更集中。SEM的结果说明左侧的三极管发生损坏,缺陷会变成陷阱中心加速载流子的复合,所以EMMI上左侧更亮,更集中。
3.2.实例二

实例二.电路图。
实例二是一个HBM 2KV ESD防护单元,而ESD模块也是最容易发生失效的模块。该电路的症状为Input port到GND之间存在较大的漏电流。为了确定失效点,在Input和GND之间 施加一个2.5V的偏压 ,然后用EMMI观察亮点。根据电路特性,如果ESD单元正常工作,在GGNMOS的drain端只会存在极其微弱的荧光,但是EMMI的结果显示GGNMOS其中一根Finger的drain端存在大面积的荧光,说明该处存在问题,后对NMOS进行SEM观察,确定了失效位置,该ESD单元的漏端产生损伤,从而造成了漏电流和EMMI光点。
实例二.EMMI图像。

实例二.失效点SEM图像。
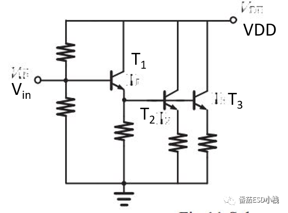
3.3.实例三
实例三是放大器中的一部分,电路图如图所示。

实例三.放大器电路图。
该电路的症状为VDD到GND电阻短接,问题锁定在T1,T2,T3三个三极管之中。Vin与GND间施加适当偏压,T1,T2,T3的B-E结正偏,正常情况下都存在载流子复合,形成亮点。但是EMMI的结果显示只有T1存在亮点,说明T1的B-E结是正常的,而T2,T3都失效了。去除金属化后发现T2的失效点。EMMI结果如图所示。

实例三.EMMI与SEM图像。
上述三个实例都较为简单,但是也体现出了EMMI在FA中的分析方法。第一个例子是将 差分单元的EMMI进行对比 ,然后根据机理分析,EMMI亮度不均匀的管子出了问题。 而第二个实例就是在不该出现亮点的地方出现亮点,说明电路出现问题。第三个实例是应该出现亮点的地方,反倒不出现亮点,这说明电路也出现了问题。 所以EMMI的分析并不是单纯的说明有亮点就出现问题,更不是说明有亮点就是温度高 (虽然高温确实能加速载流子复合),EMMI的分析需要基于对其原理的理解与具体电路的分析。
而实操中EMMI也需要调整偏置电压的大小与探头的灵敏度。如果偏置电压过大,正常的器件都会存在大量的热载流子和雪崩击穿,造成整个片子都是亮点,这也没法分析了。同样灵敏度过高也会造成这种结果。而且需要对具体情况进行具体的偏压设置。目前这只是静态的EMMI测试,随着芯片情况越来越复杂,还有动态EMMI测试的应用,这种情况就更难分析了。
龙腾半导体SGT MOSFET LSGT085R018在智慧农业无