时间:2023-06-14 09:47
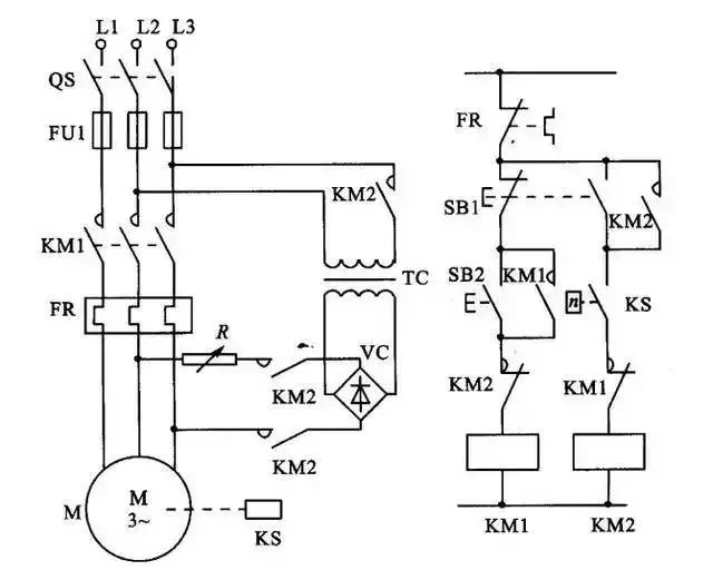
人气:
作者:admin
一、虚拟机使用界面
如图1所示。VMware workstation 17软件界面,软件操作这里不做过多的介绍,请参考VMware官网说明书,说明书可移步后台回复【虚拟机】,即可免费领取使用文档。

△图1
二、虚拟机系统下载
虚拟机技术的作用非常广泛,可以为用户提供更加灵活、高效、安全和智能的计算机环境和资源。
下列地址提供了创建好的虚拟机系统,根据连接下载好即可添加到虚拟机软件中。
1. 西门子虚拟机,该虚拟机包含以下软件:
(1)TIA Portal V17
(2)step 7 v5.6 英文版
(3)STEP7 MicroWIN SMART V2.6
(4)wincc flexible smart v3 sp2
(5) wincc flexible 2008
2. EPLAN 虚拟机,该虚拟机包含以下软件:
(1)EPLAN P8 V2.7
3. S7-200 虚拟机,该虚拟机包含以下软件:
(1)STEP7 MicroWIN
4. 博途虚拟机,该虚拟机包含以下软件:
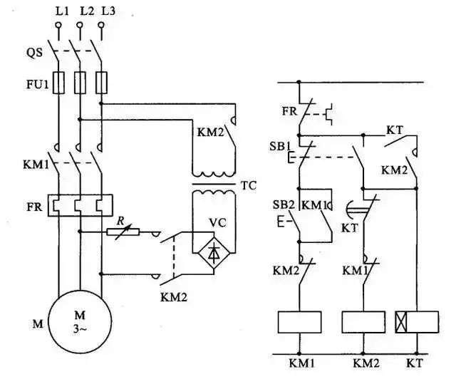
(1)西门子博途 v17
5. ABB 机器人虚拟机,该虚拟机包含以下软件:
(1)RobotStudio 6.08
(2)发那科 ROBOGUIDE 9.4 编程软件
(3)库卡 KUKA Sim Pro 1.1
6. KUKA 虚拟机,该虚拟机包含以下软件:
(1)KUKA 虚拟示教器 OfficeLite KSS 8.6.2
1、可控硅调速电路

2、电磁调速电机控制图

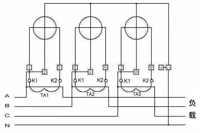
3、三相四线电度表互感器接线

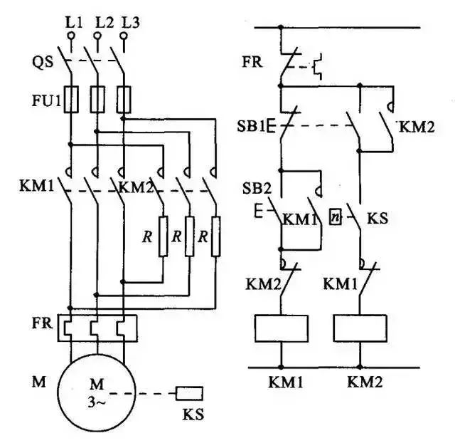
4、能耗制动

5、顺序起动,逆序停止

6、锅炉水位探测装置

7、电机正反转控制电路

8、电葫芦吊机电路

9、单相漏电开关电路

10、单相电机接线图

11、带点动的正反转起动电路

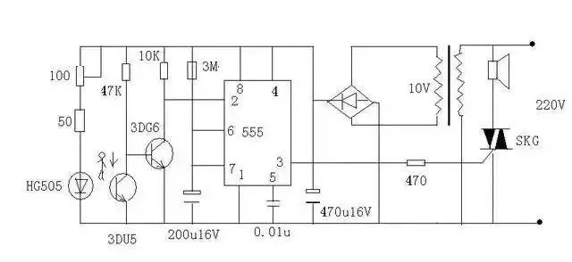
12、红外防盗报警器

13、双电容单相电机接线图

14、自动循环往复控制线路

15、定子电路串电阻降压启动控制线

16、按启动钮延时运行电路

17、星形 - 三角形启动控制线路

18、单向反接制动的控制线路

19、具有反接制动电阻的可逆运行反接制动的控制线路

20、以时间原则控制的单向能耗制动线路

21、以速度原则控制的单向能耗制动控制线路

22、电动机可逆运行的能耗制动控制线路

23、双速电动机改变极对数的原理

24、双速电动机调速控制线路

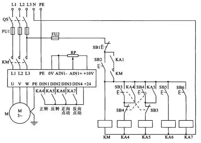
25、使用变频器的异步电动机可逆调速系统控制线路

26、正确连接电器的触点

27、线圈的连接

28、继电器开关逻辑函数

29、三相半波整流电路图

30、三相全波整流电路图

31、三相全波6脉冲整流原理图

32、六相12脉冲整流原理图

33、负载两端的电压

在一个周期中,每个二极管只有三分这一的时候导通(导通角为120度)。负载两端的电压为线电压。
34、直流调速原理功能图

以上这34个电器接线图,看懂完胜80%的电工!各位小伙伴赶紧点赞收藏吧!
免责声明:本文转自网络,版权归原作者所有,如有侵权请及时与我们联系删除,谢谢
三、虚拟机系统添加
打开虚拟机软件后,点打开虚拟机,在步骤2中找到你下载好的虚拟机系统文件路径,打开系统虚拟机系统,如图2所示。

△ 图2
编辑虚拟机系统的内存,步骤8可以通过滑动蓝色块分配系统内存,如图3所示。

△图3
检查虚拟机系统工作目录关联文件,步骤11中选择的是否是下载好的虚拟机系统文件,如果不是请修改文件路径,如图4所示。

△ 图4
选择开启虚拟机,如图5所示。

△ 图5
选择已移动虚拟机,如图6所示。

△ 图6
系统打开如图7所示,虚拟机系统和主系统操作是一致的,系统操作不做过多的介绍。

△ 图7
总结:
以上就是整个虚拟机系统的添加的步骤。
审核编辑:刘清
龙腾半导体SGT MOSFET LSGT085R018在智慧农业无