时间:2023-06-14 11:23
人气:
作者:admin
首先说一下霍尔效应。从材料,原理,应用方面进行讲述。
先说材料,霍尔元器件材料为半导体,主要的有锗,硅,或者或者多层半导体异质结构量子阱材料等。

另外针对半导体在进行讲述:我们经过常说半导体,到底什么是半导体,如何界定是否为半导体。通常我们把材料分为导体,半导体,绝缘体,真正的导体我们称之为超导材料,但是生活中并不存在整个整的导体,同样的当电压电流足够大导体也可以导电,那么我们要如何界定材料是否为导体呢,同城工作如下规定:
绝缘体:电导率很低,约介于20-18S/cm~10-8S/cm,如熔融石英及玻璃;
导 体:电导率较高,介于104S/cm~106S/cm,如铝、银等金属。
半导体:电导率则介于绝缘体及导体之间,如锗,硅等。
了解了半导体之后应该清楚霍尔元器件的主要材料是是什么了,下面继续介绍霍尔效应,也会提到为什么霍尔元器件要用半导体材料而不是导体材料。
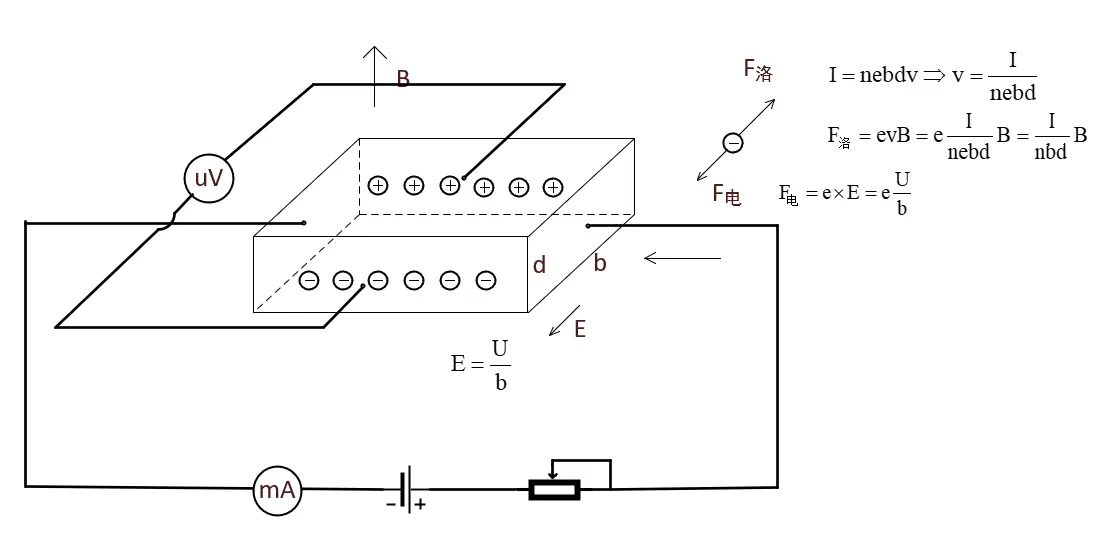
霍尔效应是导电材料中的电流与磁场的相互作用,而产生电动势的一种效应。电流流经半导体的过程中半导体内部会产生电荷的定向移动如图一所示,这时加入一个磁铁,磁铁会影响电流的流动方向(洛伦兹力),最终在半导体材料上形成电势差。如图二所示。

图一

图二
这时用万用表可以测到两端产生电压。

重点来了!!!!
从理论上

E:电场强度;
e:单个粒子的电荷量;
n:单位体积的带电粒子数量;
B:磁通密度;
v:带电粒子移动速度。
最终平衡时:

取 Rh=1/ne为霍尔系数,可以看出,这个系数只跟霍尔材料有关。带入就得到霍尔效应的核心公式:

这个U被称为霍尔电压。可以看出当材料及形状确定时。

等效电路如下:

霍尔系数:
K=1/(n*q)
式中,n为载流子密度,一般金属中载流子密度很大,所以金属材料的霍尔系数系数很小,霍尔效应不明显;而半导体中的载流子的密度比金属要小得多,所以半导体的霍尔系数系数比金属大得多,能产生较大的霍尔效应,故霍尔元件不用金属材料而是用半导体!
说完了材料和原理那么就要说一下如何应用,这里列举两个例子进行说明:
1,电机的应用


在齿轮旋转的过程中,霍尔元件所处的磁场会发生变化,磁通密度也随之发生变化,进而引起霍尔电压变化,如下图:

当齿轮转动起来后会根据电势的差异产生方波,如下图。

2.钳形表测量直流电流
我们常常使用的钳形表,测量直流时,基本都是用的霍尔效应来进行测量。

其等效原理图如下图所示:

驱动电路提供一个恒定的电流,经过霍尔元件形成一个回路,当穿过钳圈的导体上流过直流电流时,会在磁芯内部产生一个恒定的磁通,此时霍尔元件就处于磁场中,就会产生电压差,再经过放大器放大并滤波后就能形成一个与被测导体电流成正比的电压值,再经过采集换算就能得到对应的电流并显示在钳形表上。
审核编辑黄宇
龙腾半导体SGT MOSFET LSGT085R018在智慧农业无