时间:2023-06-03 16:03
人气:
作者:admin
提高齐纳二极管功率处理能力的一种简单方法可能是将它们并联,如下所示:

但是,实际上这可能并不像看起来那么简单,并且可能无法按预期工作。这是因为就像任何其他半导体器件一样,齐纳二极管也永远不会具有完全相同的特性,因此其中一个齐纳二极管可能会在另一个齐纳二极管将整个电流通过自身之前传导,最终被破坏。
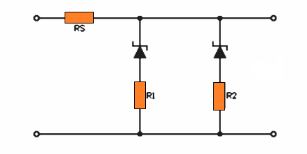
解决此问题的快速方法可能是在每个齐纳二极管上添加低值串联电阻,如下所示,这将允许每个齐纳二极管通过补偿电阻R1和R2产生的压降均匀地共享电流:

虽然可以通过并联齐纳二极管来提高功率处理能力,但改进的方法可能是将并联BJT与配置为基准电压源的齐纳二极管一起添加。请参阅以下示例原理图。

增加并联晶体管不仅可以将齐纳功率处理能力提高10倍,还可以进一步提高输出的电压调节水平,该电平可能高达晶体管的指定电流增益。
这种类型的并联晶体管齐纳稳压器可用于实验目的,因为该电路具有100%短路保护功能。也就是说,该设计效率相当低下,因为晶体管在没有负载的情况下可能会消耗大量电流。
为了获得更好的结果,如下所示的串联调整管类型的稳压器看起来是更好的选择和优选的。

在该电路中,齐纳二极管为串联调整管产生基准电压,其工作原理基本上类似于发射极跟随器。因此,发射极电压保持在齐纳二极管产生的晶体管基极电压的零点几伏之间。因此,晶体管像串联元件一样工作,能够有效控制电源电压变化。
整个负载电流现在通过该串联晶体管运行。这种配置的功率处理能力完全由晶体管的值和规格决定,并且还取决于所用散热器的效率和质量。
使用1k串联电阻器,上述设计可实现出色的调节。通过用特殊的低动态齐纳二极管(如10N1)代替普通齐纳二极管,可以将调节系数提高1589倍。
如果希望上述电路提供可变电压调节输出,可以通过在齐纳二极管上使用1K电位计轻松实现。这允许在串联晶体管的基极调节可变基准电压。

然而,由于电位计产生的一些分流效应,这种修改可能会导致调节效率降低。
上一篇:基于MOSFET的固态继电器电路
下一篇:基于齐纳二极管的欠压保护电路
龙腾半导体SGT MOSFET LSGT085R018在智慧农业无