时间:2023-05-15 17:34
人气:
作者:admin
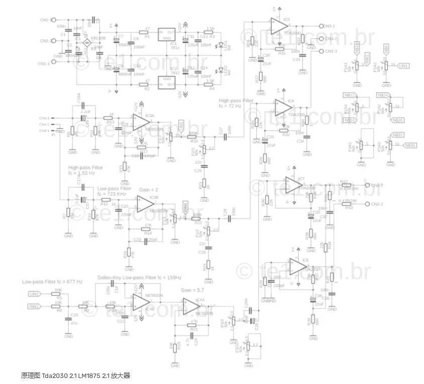
在这篇文章中,我将介绍一个带有集成电路TDA2030 2.1或LM1875 2.1或TDA2050 2.1的功率放大器电路,它可以提供高达72W RMS的功率,每个立体声通道18W,低音炮通道36W。该电路非常适合那些想要为其计算机、电视或其他音频设备组装 2.1 音响系统的人。
TDA2030集成电路是一款AB类音频放大器,可在高达36V的电压和高达3.5A的电流下工作。它具有良好的音质,低失真以及热和短路保护。它可用于简单配置和桥式配置,以增加输出功率。
LM1875 是一种集成电路,可构建高质量、低失真音频放大器。LM1875 使用对称电源,可在 4 或 8 欧姆负载下提供高达 20 瓦的功率。
TDA2050是一款采用五瓦封装的单片集成电路,设计用作AB类音频放大器。由于其高功率容量,TDA2050能够在THD = 0%,VS = ±18 V,f = 1 kHz时向4 Ω负载提供高达35 W的真有效值功率,并在THD = 10%,VS = ±22 V,f = 1 kHz时向8 Ω负载提供高达32 W的真有效值功率。

关于电路,我将介绍的电路使用两个TDA2030用于立体声通道(左和右),一个桥式TDA2030用于低音炮通道(低音)。此外,它还利用双运算放大器NE5532来为低音炮通道精心设计前置放大器和低通滤波器。NE5532是一款低噪声高速运算放大器,广泛用于音频应用。
上一篇:理解运算放大器的失真度和开环增益
下一篇:运算放大器的电路结构和计算过程
龙腾半导体SGT MOSFET LSGT085R018在智慧农业无