时间:2023-04-29 17:28
人气:
作者:admin
这篇文章解释了一种使用可调电流限制器增强XL4015 DC到DC降压转换器的简单方法,该限制器在原始模块中似乎缺失。
关于XL4015
XL4015 是一款 180 KHz 固定频率 PWM 降压(降压)DC/DC 转换器,专为运行 5 V、5 A 负载而设计,效率高、纹波最小,线路和负载调整率也非常出色。
稳压器模块使用很少数量的附加部件构建,易于使用,由内置频率补偿和固定频率振荡器组成。
PWM 控制电路具有可调占空比,恒定速率范围为 0 至 100%。IC XL4015还具有内置的过流保护功能。
当检测到输出短路时,工作频率会立即从180 KHz降低到48 KHz,从而导致输出电压和电流立即下降。
该芯片具有完全集成的补偿模块,无需任何外部组件。
XL4015 集成电路主要特点
8V 至 36V 宽输入电压范围
输出电压可在 1.25V 至 32V 范围内调节
最大占空比可高达100%
输出压差仅为0.3V
开关频率固定为 180 kHz
输出电流恒定在 5A。
内置功率 MOSFET 确保高电压/电流优化
96%的运行效率令人印象深刻
线路和负载调整率非常好
IC具有内部控制的热关断功能
同样,它还具有内置的电流限制功能
不用说,该芯片还包括输出短路保护功能。
主要缺点
尽管XL4015模块加载了降压转换器需要具备的许多出色功能,但它缺乏一个主要功能。
该模块没有根据负载规格将输出电流调整到首选水平的安排。
因此,如果您想使用 XL4015 模块为锂离子电池充电,例如以 2 安培的速率充电,由于上述缺点,您将无法做到这一点。
同样,如果您想以 3 安培最大电流率驱动 3.3 V LED,您同样会感到失望,因为模块的额定电流为 5 安培固定。
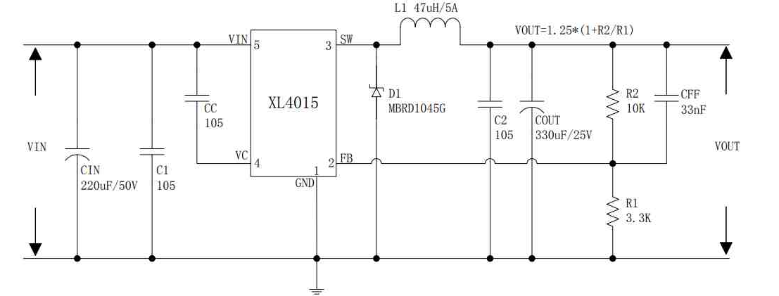
XL4015的工作原理
XL4015降压转换器的基本工作原理如下所示:

该电路配置为在恒定的5 A电流输出下产生固定的5 V电压,以响应8 V至36 V的电源输入。输入功率规格必须高于输出功率,这意味着输入电源功率容量必须高于5 V x 5 A = 25 W。
因此,如果使用 36 V 的输入电源,则输入电流应高于 25 / 36 = 0.7 安培。如果使用 8 V,则输入电流可能高于 25 / 8 = 3 安培,依此类推。
IC XL4015的内部电路由振荡器和误差放大器等基本元件组成。在引脚3 (SW)处产生经过良好计算和控制的180 kHz振荡器频率,用于馈送由二极管、电感器和电容器组成的外部降压转换器配置。这使得降压级能够将输入电源处理为精确的5 V、5 A输出。
引脚2 (FB) 用作误差放大器反馈的输入。此引脚排列处的最小1.25 V输入足以开始IC的关断过程。
可以看到,该引脚配置了电位分压器R1、R2,可确保输出电压永远不会超过5 V范围,从而导致FB引脚产生高于1.25 V的电压,启动IC关断过程,从而防止输出超过5 V电平。
这也意味着可以通过适当改变R1/R2反馈分压器值,将输出电压调节到其他电压电平,例如12 V或15 V。
R1/R2也可以使用以下公式固定,以获得所需的输出电压:
Vout=1.25 x (1+R2/R1)
电流限制调整
从原理图中可以看出,XL4015模块不包括限流功能,这显然是模块的主要限制。
但是,该模块确实包括一个关断引脚FB,可以配置外部限流器电路,以实现该功能。这可以如下图所示实现:

RX可以使用欧姆定律计算:
RX = 0.2 / 电流限制
由于两个晶体管的连接具有非常高的增益输出,因此RX两端仅0.2 V的电位差就足以触发IC的FB引脚并启动限流动作。
一旦电流趋于超过所需的限值,就会导致所需的最小电位在RX上产生,从而导致NPN导通,进而触发PNP BJT。该动作在FB引脚上提供预期的正DC,从而启动关断。
发生这种情况时,输出电流降至设定限值以下,关闭BJT并恢复先前的状态,其中电流再次开始超过设定的限值,打开BJT。循环不断重复,确保电流始终保持在设定的限值内。
通过这种布置,XL4015配备了非常有用的可调输出电流限制功能。
XL4015 替代(等效电路)
尽管XL4015模块可以从大多数在线商店轻松获得,但该IC不是由知名品牌制造的,并且可能随时过时。
因此,使用分立元件的替代5 V可调降压转换器电路似乎是一个更好的选择。
下图显示了使用常用TL494芯片的高效5 V降压转换器:

上例显示了XL4015的简单但非常方便的精密5 V降压转换器。
在这里,它展示了一个太阳能逆变器降压转换器应用,可用于任何其他所需的直流到直流转换器用途。
TL494的使用可确保设计不会轻易过时,并且IC的替代品将在需要时随时可用。
同样,误差放大器反馈环路通过围绕R8/R9建立电位分压器网络来确定输出电流。
电流可以通过适当调整R13电阻来调节。
R13 = 0.2/最大电流限制
使用上述分立式降压转换器的另一个巨大优势是输出电流水平,不限于5安培,而是可以通过升级晶体管、电感线粗细和R13电阻值来升级到更高的水平。
龙腾半导体SGT MOSFET LSGT085R018在智慧农业无