时间:2023-04-25 15:42
人气:
作者:admin
上一节我们详细分析了一个简单的差分放大电路,并怎么去估算差分放大器的静态工作点。
差分放大电路,如图

一般来说差分放大电路以其优越的抗干扰和抑制零点漂移的性能,一般都是应用在前置输入级。
我们放大电路前置级(差分放大电路)已经简单完成了,现在要给差分放大电路后面加上一级电压放大级,也就是中间级。
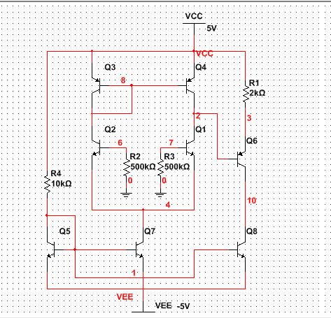
中间级很简单,也就是一个有源放大器,但是我们首先要搞清楚的是,差分放大电路流出的偏差电流是多少,我们才好设计下一级有源放大器。
如图

所谓偏差电流,就是图中Q3和Q2的集电极电流和偏置整个差分放大器的恒流源Q7的集电极电流之差。
这个可以根据不同的恒流源电路公式计算出来,也可以根据流入的电流等于流出的电流推算。
我们这个例子是简单镜像流,可以直观看出来,Q2的集电极IC2比Q1的集电极电流IC1大2*IB4,而Q1,Q2是放大对管,那么2*IB4=IB7,等于Q7的基极电流。估算出偏差电流我们就搭建下一级了(搭积木)。
如图

Q6,Q7组成一个有源放大电路(电压放大级,中间级),Q8作为有源负载,Q6电压放大管,R2射极电阻。
R2起着负反馈作用,并且给前级差分放大电路和本级一个合适的静态工作点,如果我打算把前级差分放大电路输出端(节点2)也就是放大管Q6的基极电位设定为2v。
那么R2=(VCC-VBE6-2V)/IB6,朋友们可以自己计算。图中R2是取2k值。
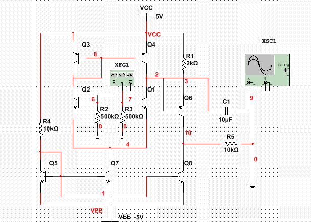
现在我们来测试放大倍数,添加一个阻性负载R5=10K,输入1kz,10微伏的信号,如图


测试结果大概两万倍,20000倍。
现在我们测试下差分放大输出端的放大倍数,如图


测试结果大概3000倍
下一篇:差分放大电路设计(四)
龙腾半导体SGT MOSFET LSGT085R018在智慧农业无