网站首页

人工智能P2P分享搜索全网发布信息网站地图标签大全

当前位置:诺佳网 > 电子/半导体 > 模拟技术 >

全波整流和桥式整流的区别

时间:2023-04-20 10:52

人气:

作者:admin

标签: 整流桥  变压器  整流电路 

导读:桥式整流电路变压器副边不要中心抽头,但是多用2只整流二极管;(b)全波整流电路少用2只整流二极管,但是变压器副边要中心抽头;...

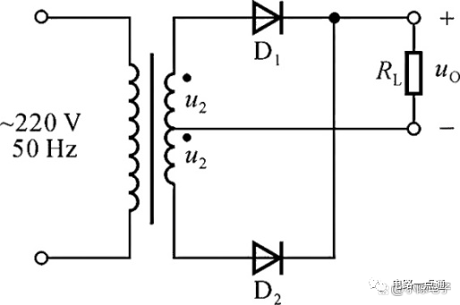
一、全波整流电路

图片全波整流电路

全波整流电路,可以看作是由两个半波整流电路组合成的。变压器次级线圈中间需要引出一个抽头,把次组线圈分成两个对称的绕组,从而引出大小相等但极性相反的两个电压E2a、E2b,构成E2a、D1、RL与E2b、D2、RL,两个通电回路。

在0~π之间内,E2a对D1为正向电压,D1导通,在R上得到上正下负的电压;E2b对D2为反向电压,D2不导通。在π~2π时间内,E2b对D2为正向电压,D2导通,在然上得到的仍然是上正下负的电压;E2a对D1为反向电压,D1不导通。最后,在负载上形成图5-31的波形。

相比半波整流输出的平均电压在计算时除以2π变成除以π,那么就全波整流的输出平均电压变成了0.9U2。同理输出电压的有效值也就变成了U2。

根据上面的工作原理,我们可以知道两个二极管正负半周在单独工作,流过二极管的电流为流过负载电流的一半。二极管截止的时候,所承受的电压是整个次级输出的电压,而中心抽头哪里相当于是中间电位,上端就是E2,下端就是-E2,所以反向电压是E2+E2=2E2。

图片全波整流波形

流过负载的平均电流为:

IL=UL/RL =0.9*U2/RL

流过二极管D的平均电流(即正向电流)为:

ID=1/2 IL=1/2*UL/RL =0.45*U2/RL

加在二极管两端的反向电压为:

URM=2E2=2√2*U2

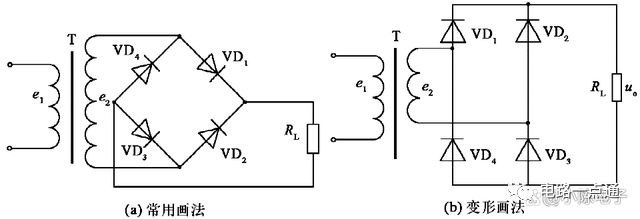
二、桥式整流电路

图片桥式整流电路

输入电压E2为正半周时,对D1、D3加正向电压,Dl、D3导通;对D2加反向电压,由于经过了D1,那么到达D4正极时,D4的正极电位是小于等于U2的,所以D2、D4截止。电路中构成E2、D1、RL 、D3通电回路,在RL上形成上正下负的半波整流电压;

输入电压E2为负半周时,对D2、D4加正向电压,D2、D4导通;对D1、D3加反向电压,D1、D3截止。电路中构成E2、D2、RL 、D4通电回路,同样在RL上形成上正下负的另外半波的整流电压。如此重复下去,结果在RL上便得到全波整流电压。其波形图和全波整流波形图是一样的,如全波整流波形。从图还不难看出,桥式电路中每只二极管承受的反向电压等于变压器次级电压的最大值,比全波整流电路小一半,跟半波整流一样。流过二极管的电流为流过负载电流的一半。桥式整流是对二极管半波整流的一种改进。

桥式整流输出跟全波整流的输出平均电压和有效值电压一样。平均电压0.9U2,有效值是U2。流过负载的平均电流和流过二极管D的平均电流也跟全波整流一样。

三、全波整流和桥式整流的区别

(a)桥式整流电路变压器副边不要中心抽头,但是多用2只整流二极管;

(b)全波整流电路少用2只整流二极管,但是变压器副边要中心抽头;

(c)全波整流电路所用整流二极管反向耐压要求是桥式整流的两倍;

(d)桥式整流和全波整流对变压器次级数量要求不一样,前者只需1组线圈,后者需要2组;

(e)桥式整流和全波整流对变压器次级电流要求不一样,前者是后者2倍;

(f)桥式整流和全波整流需要二极管数量不一样;

(g)某时刻,桥式整流流经2个二极管,全波整流只流经1个。

温馨提示:以上内容整理于网络,仅供参考,如果对您有帮助,留下您的阅读感言吧!
相关阅读
本类排行
相关标签
本类推荐

CPU | 内存 | 硬盘 | 显卡 | 显示器 | 主板 | 电源 | 键鼠 | 网站地图

Copyright © 2025-2035 诺佳网 版权所有 备案号:赣ICP备2025066733号
本站资料均来源互联网收集整理,作品版权归作者所有,如果侵犯了您的版权,请跟我们联系。

关注微信